lemon-mirror:
Home >> Genesis >> 2021 >> GV80 3.5T Advanced >> Repair and Diagnosis >> Electrical >> Body Electrical >> Ac Inverter Unit >> AC Inverter Unit >> Components & Components Location >> Components

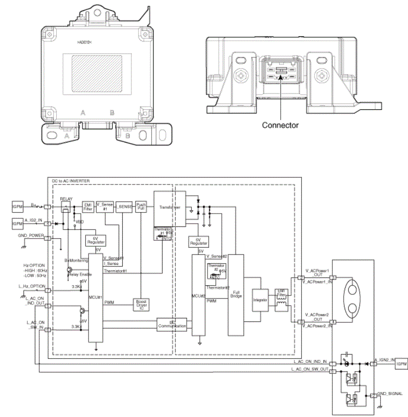
Components & Components Location: Components

G14727347Courtesy of HYUNDAI MOTOR AMERICA
G14727348Courtesy of HYUNDAI MOTOR AMERICA