lemon-mirror:
Home >> Genesis >> 2024 >> GV80 3.5T Advanced >> Repair and Diagnosis >> Electrical >> Body Electrical >> Ac Inverter System >> AC Inverter Unit >> Components And Components Location >> Components

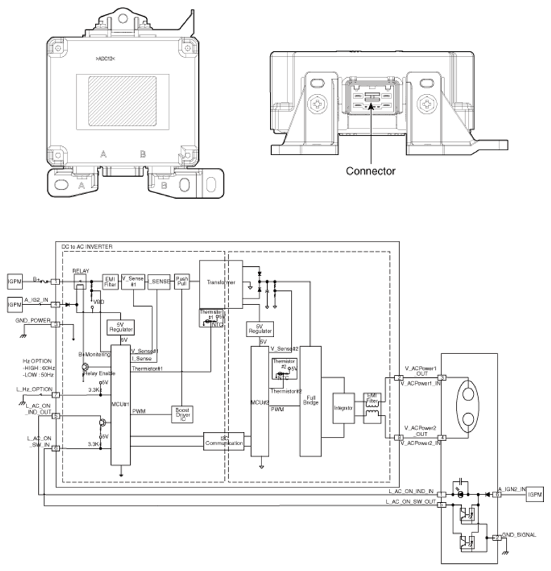
Components And Components Location: Components

G16775974Courtesy of HYUNDAI MOTOR AMERICA
Connector NO Description
G16775975Courtesy of HYUNDAI MOTOR AMERICA
1 Battery (+)
2 AC Power 1 Output
3 Ground
4 IGN2
5 AC ON Rheostat Output
6 AC ON Switch Input
7 Hz Option
8 AC Power 2 Output