lemon-mirror:
Home >> Geo >> 1990 >> Storm Base, Standard >> Repair and Diagnosis >> Engine Performance >> System >> Engine Controls - Tests W/Codes >> Code 42, Electronic Spark Timing (Est)

Code 42, Electronic Spark Timing (Est)

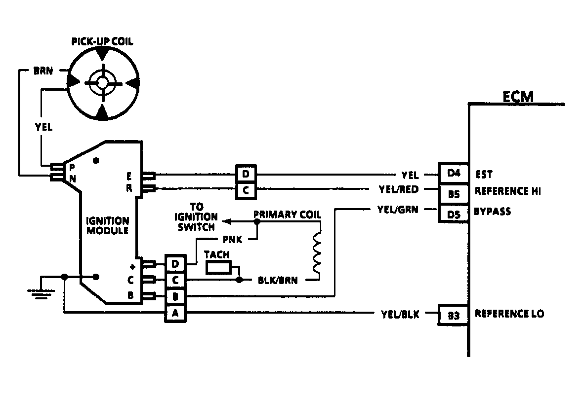
When the system is running on the ignition module (cranking/no voltage on the by-pass line), the ignition module grounds the Electronic Spark Timing (EST) signal. The ECM expects to see no voltage on the EST line during this condition. If the ECM sees a voltage signal, it sets Code 42 and will not go into EST mode. When the RPM for EST is reached (about 400 RPM), and the by-pass voltage is applied, EST should no longer be grounded in the ignition module, so the EST voltage should be varying. If the EST line is grounded, the ignition module switches to EST, but because the line is grounded, there will be no EST signal. A Code 42 will then be set.

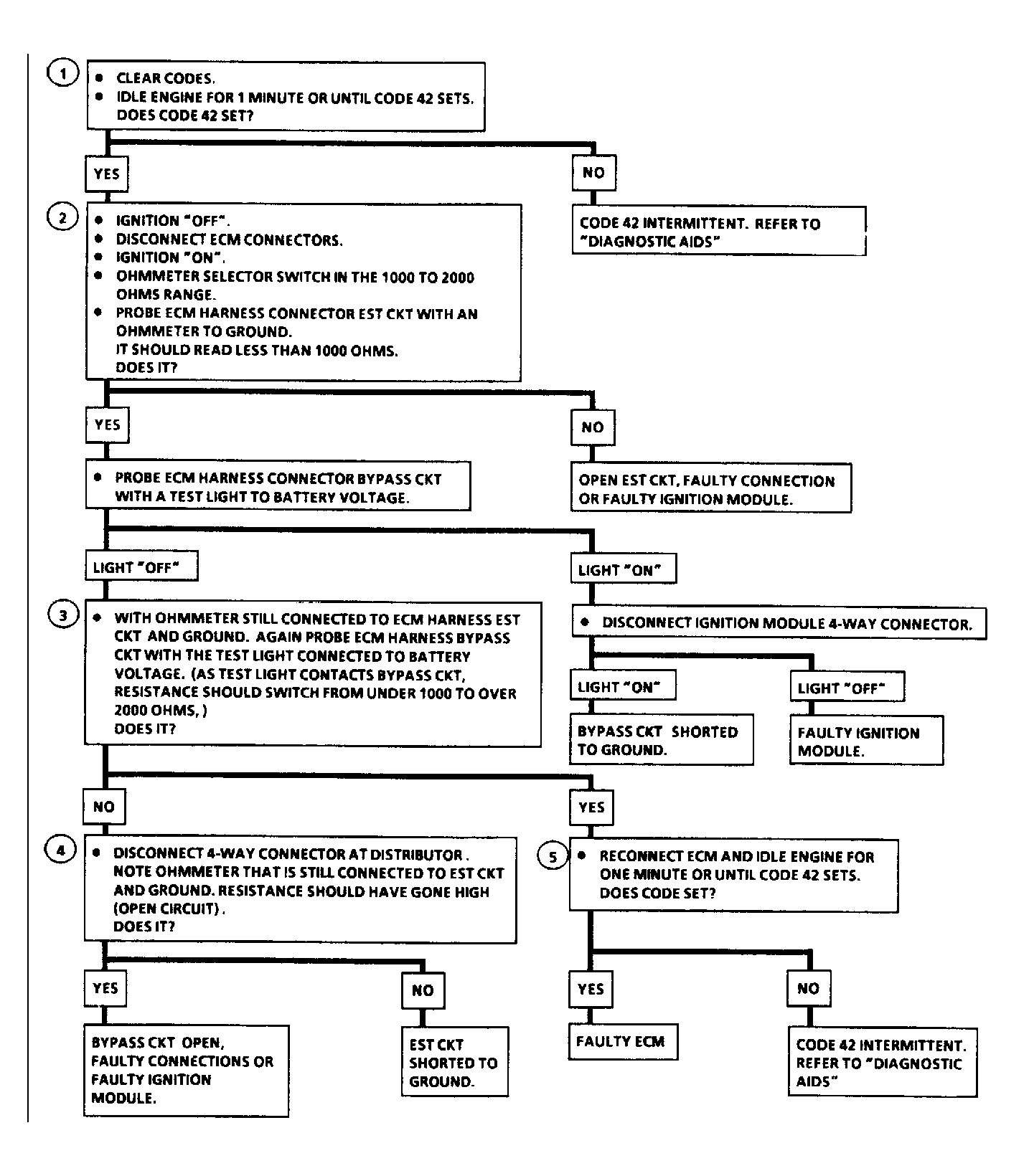
NOTE: Test numbers refer to test numbers on diagnostic chart.
  1. Code 42 means the ECM has detected an open or short to ground in the EST or by-pass circuit. This confirms Code 42 and fault causing the code is present.
  2. Checks for normal EST ground path through the ignition module. An EST Yellow wire shorted to ground will also read less than 500 ohms.
  3. As the test light voltage touches Yellow/Green wire, the module should switch, causing the ohmmeter to overrange if meter is in the 1000-2000 ohms position. Selecting the 10-20,000 ohms position indicates above 5000 ohms. The important thing is that, the module switched.
  4. If the module did not switch, this checks for shorted EST Yellow wire, open by-pass Green/Yellow wire, faulty ignition module connection or faulty module.
  5. This confirms Code 42 is a faulty ECM and not an intermittent problem in Yellow or Yellow/Green wires.
Fig 1: Code 42 Circuit Diagram
G90A18622
Fig 2: Code 42 Flow Chart
G90B18623