lemon-mirror:
Home >> Honda >> 1987 >> Accord LX, Automatic >> Repair and Diagnosis >> Engine Performance >> System >> Electronic Control System >> Wiring Diagrams

Wiring Diagrams

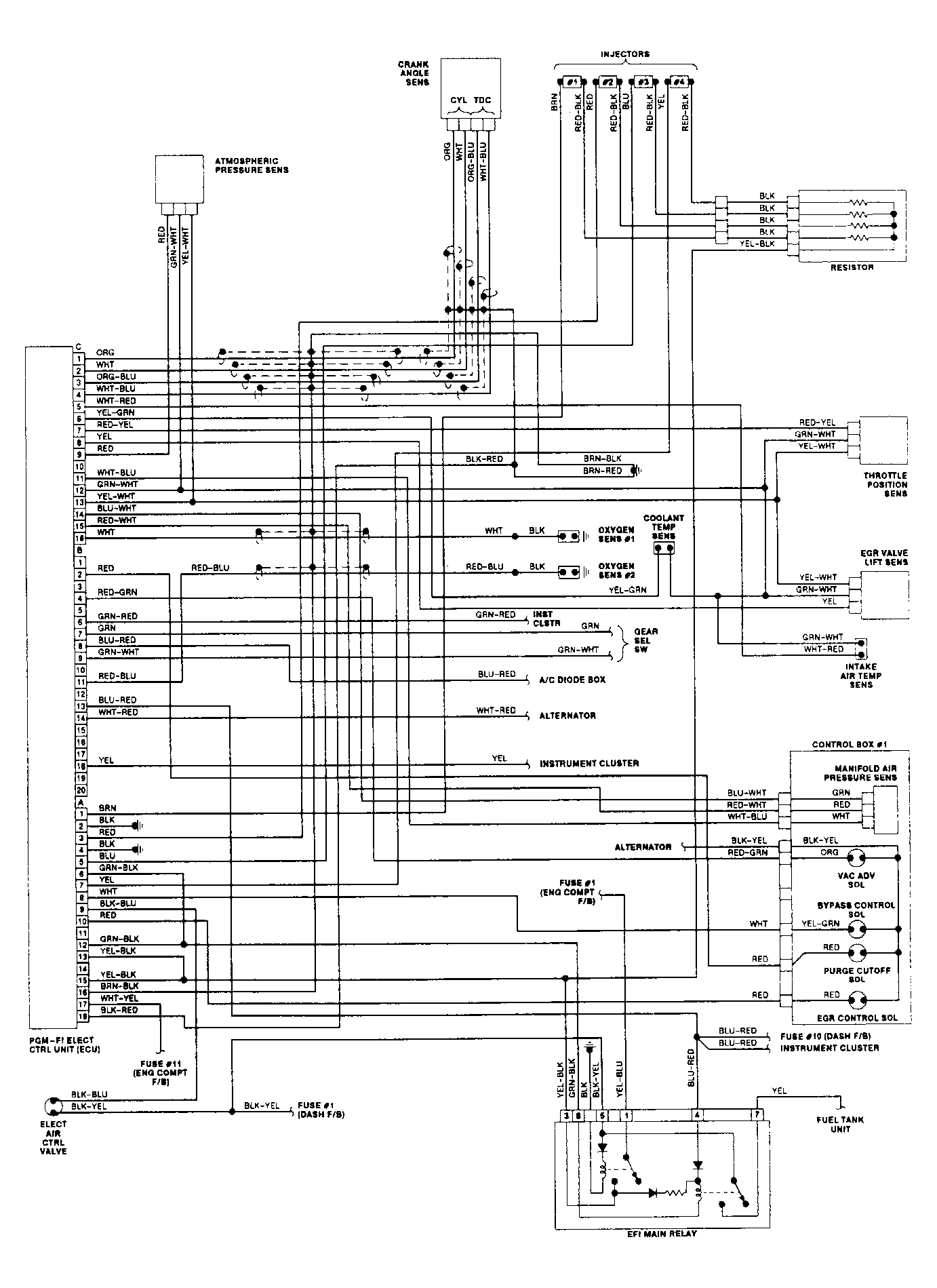
Fig 1: Accord Wiring Schematic
G94648