lemon-mirror:
Home >> Honda >> 1987 >> Civic Si >> Repair and Diagnosis >> Engine Performance >> System >> Electronic Control System >> Wiring Diagrams

Wiring Diagrams

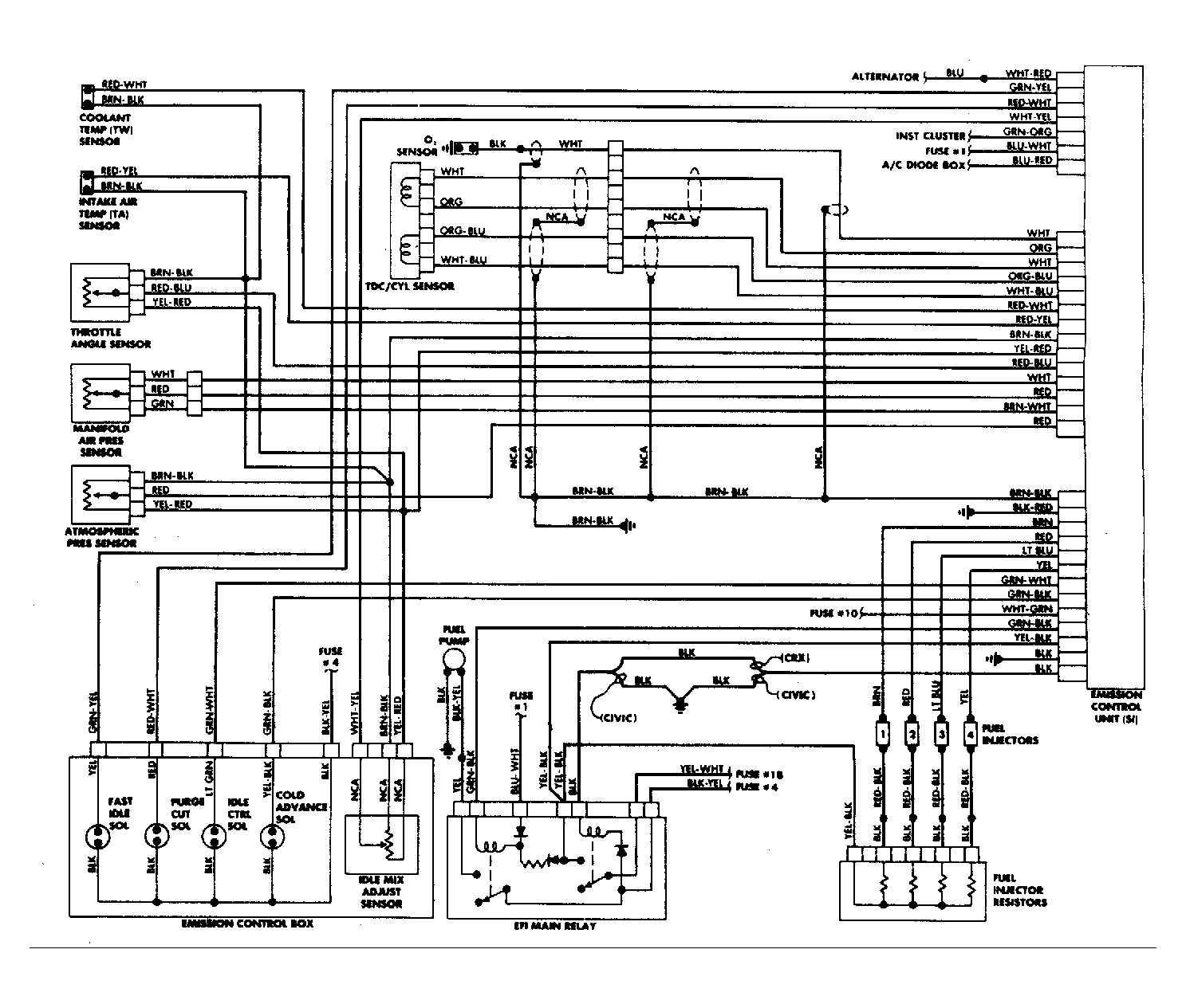
Fig 1: Civic & Civic CRX EFI Wiring Diagram
G61492
Fig 2: Prelude EFI Wiring Diagram
G61493