lemon-mirror:
Home >> Honda >> 1988 >> Prelude S, Automatic >> Repair and Diagnosis >> Engine Performance >> System >> Air Jet Control System >> System Testing >> Intake Air Temperature Sensor

Intake Air Temperature Sensor

Unplug intake air temperature sensor connector. Check resistance across sensor terminals when air temperature is less than 40°F (4.5°C). Resistance should be about 4 ohms. Check resistance across sensor terminals when intake air temperature is greater than 140°F (60°C). Resistance should be about one ohm. Replace sensor if not within specification.

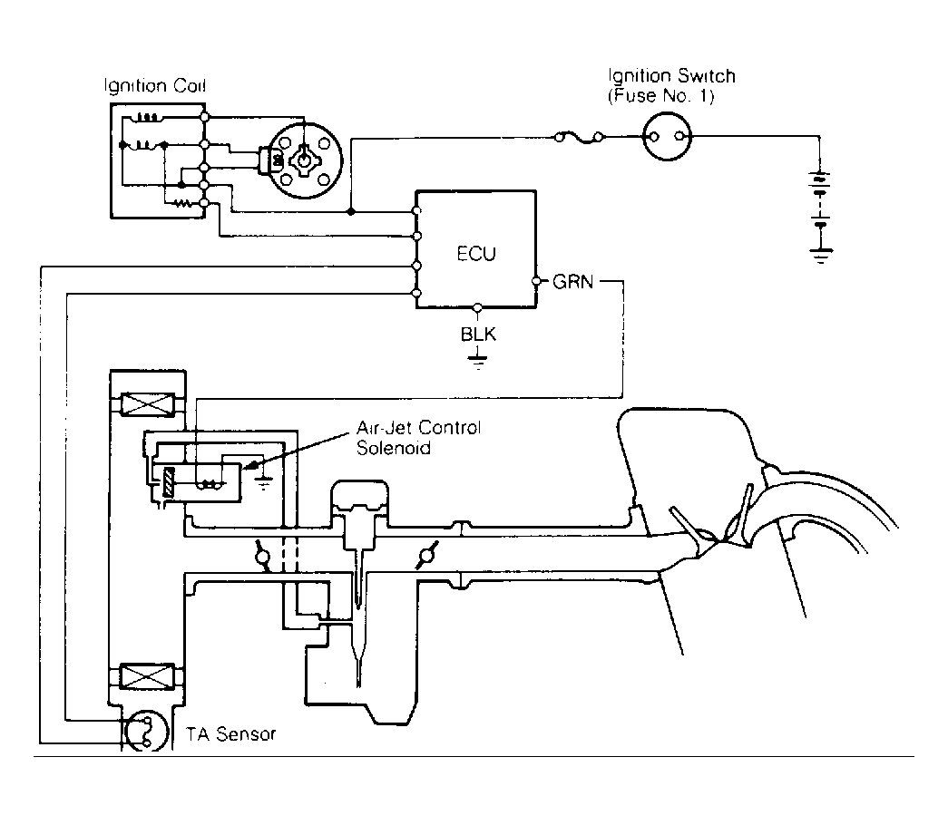
Fig 1: Main Air Jet Control System
G93772Courtesy of AMERICA HONDA CO.,INC.