lemon-mirror:
Home >> Honda >> 1988 >> Prelude Si, Automatic >> Repair and Diagnosis >> Engine Performance >> System >> EGR System >> Description

EGR System: Description

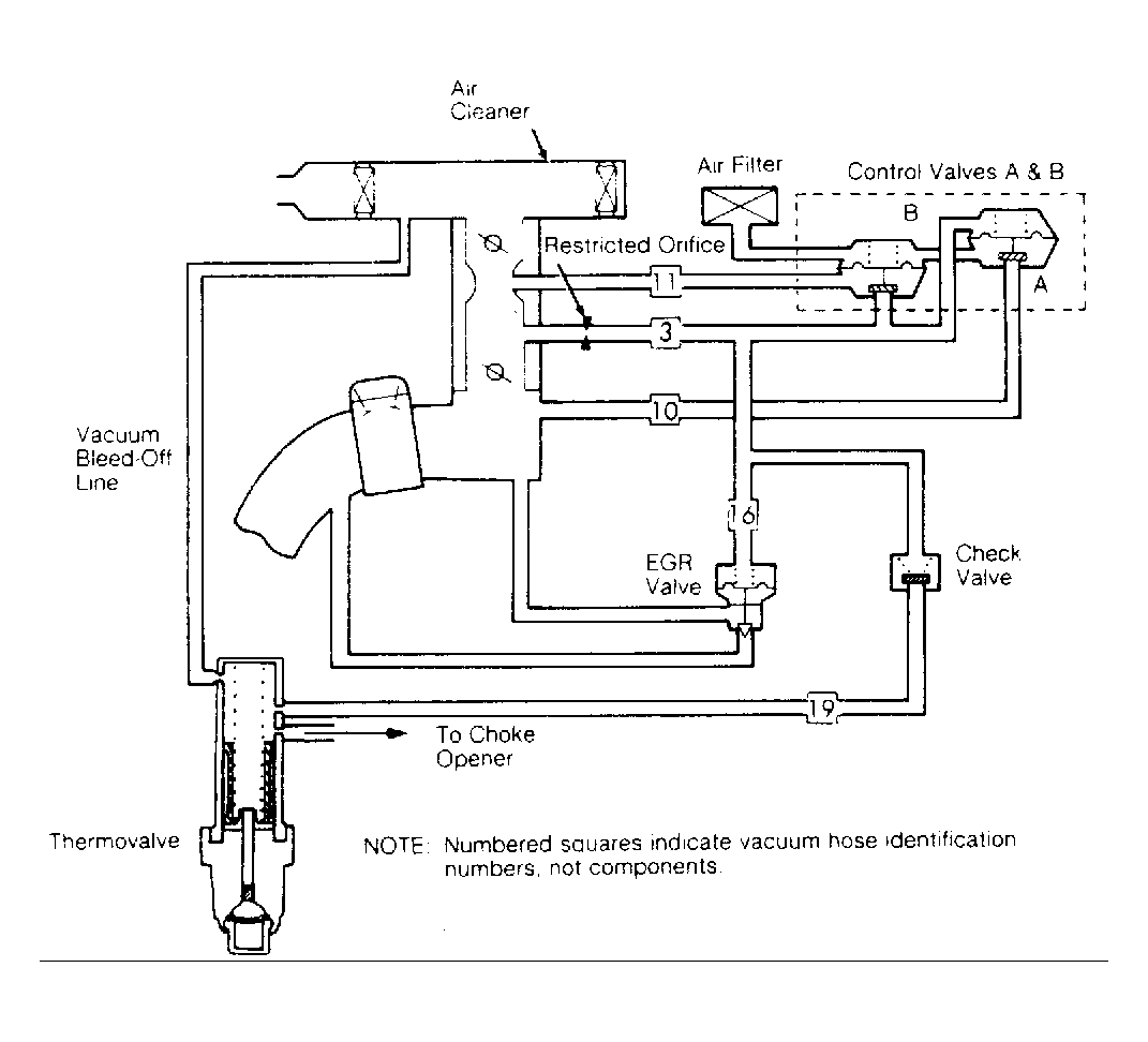
EGR system includes an EGR valve and special intake manifold and cylinder head. Other system components will vary depending upon engine and model application. See Figure - Figure .

Other components may include EGR control valves, ECU regulated EGR control solenoid valve, Constant Vacuum Control (CVC) valve, thermovalve and check valve. Fuel injected models and carbureted Prelude models use a control unit which regulates EGR based upon sensor input signals. Fuel injected models also utilize an EGR lift sensor. This sensor allows the ECU to closely monitor and regulate EGR function. This sensor is also used to set a trouble code in memory if a malfunction is sensed.