lemon-mirror:
Home >> Honda >> 2000 >> Insight >> Repair and Diagnosis >> Electrical >> Starter >> Starting System >> Starter Removal and Installation >> Installation

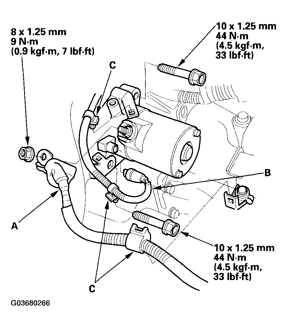
Starter Removal and Installation: Installation

  1. Install the two bolts holding the starter.
  2. Connect the starter cable (A) and BLK/WHT wire (B), then remove the wire harness clamps (C). Make sure the crimped side of the ring terminal is facing out.
    Fig 1: Connecting Starter Cable And BLK/WHT Wire With Torque Specifications
    G03680266Courtesy of AMERICAN HONDA MOTOR CO., INC.
  3. Install the air cleaner housing/intake air duct assembly, then install the breather pipe (A) and brake booster vacuum hose bracket (B) to the air cleaner housing.
    Fig 2: Installing Air Cleaner Housing/Intake Air Duct Assembly And Torque Specifications
    G03680267Courtesy of AMERICAN HONDA MOTOR CO., INC.
  4. Connect the positive cable to the battery first, then connect the negative cable.
  5. Remove the No. 15 (40 A) fuse from the under-hood fuse/relay box.
  6. Start the engine to make sure the starter works properly.
  7. If the IMA battery level gauge (BAT) displays no segments, hold the engine speed between 3,500 RPM and 4,000 RPM without load (in Park or neutral) until the BAT displays at least three segments.
  8. Reinstall the No. 15 (40 A) fuse in the under-hood fuse/relay box.
  9. Reset the ECM with the HDS (see HDS CLEAR COMMAND ).
  10. Do the engine control module (ECM) idle learn procedure (see ECM IDLE LEARN PROCEDURE ).
  11. Enter the anti-theft code for the radio, then enter the audio presets.
  12. Set the clock.