lemon-mirror:
Home >> Honda >> 2000 >> Insight >> Repair and Diagnosis >> Engine Mechanical >> Mechanical >> Engine >> Engine Removal

Engine Removal

NOTE:
  • Use fender covers to avoid damaging painted surfaces.
  • To avoid damaging the wires and terminals, unplug the wiring connectors carefully while holding the connector portion.
  • Mark all wiring and hoses to avoid misconnection. Also, be sure that they do not contact other wiring or hoses, or interfere with other parts.
  1. Turn the battery module switch OFF, and measure the voltage (see TURNING OFF POWER TO THE HIGH VOLTAGE CIRCUIT ).
  2. Secure the hood using the support rod.
    Fig 1: Securing Hood With Support Rod
    G03680296Courtesy of AMERICAN HONDA MOTOR CO., INC.
  3. Make sure you have the anti-theft codes for the radio, then write down the audio presets.
  4. Disconnect the negative cable from the battery first, then disconnect the positive cable.
  5. Remove the battery.
  6. Remove the battery box.
    Fig 2: Removing Battery Box
    G03680297Courtesy of AMERICAN HONDA MOTOR CO., INC.
  7. Remove the engine cover.
    Fig 3: Removing Engine Cover
    G03680298Courtesy of AMERICAN HONDA MOTOR CO., INC.
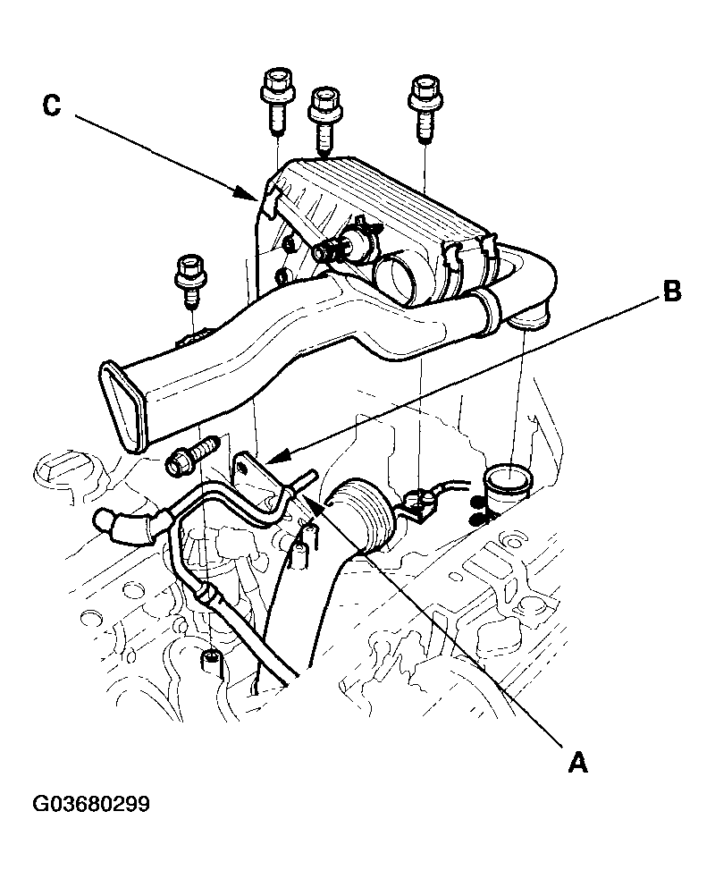
  8. Remove the breather pipe (A) and brake booster vacuum hose bracket (B) from the air cleaner housing, then remove the air cleaner housing/intake air duct assembly (C).
    Fig 4: Removing Breather Pipe And Brake Booster Vacuum Hose Bracket From Air Cleaner Housing
    G03680299Courtesy of AMERICAN HONDA MOTOR CO., INC.
  9. Remove the throttle cover (A), then remove the throttle cable (B) by loosening the locknut (C), then slipping the cable end out of the accelerator linkage. Take care not to bend the cable when removing it. Always replace any kinked cable with a new one.
    Fig 5: Removing Throttle Cable By Loosening Locknut
    G03680300Courtesy of AMERICAN HONDA MOTOR CO., INC.
  10. Remove the brake booster vacuum hose (A) and the evaporative emission (EVAP) canister hose (B).
    Fig 6: Removing Brake Booster Vacuum Hose And Evaporative Emission (EVAP) Canister Hose
    G03680301Courtesy of AMERICAN HONDA MOTOR CO., INC.
  11. Remove the ground cable (A), starter cable (B), and harness clamp (C).
    Fig 7: Removing Ground Cable, Starter Cable, And Harness Clamp
    G03680302Courtesy of AMERICAN HONDA MOTOR CO., INC.
  12. Remove the motor power cables (see step 9 on IMA SYSTEM ).
  13. Remove the engine control module (ECM) cover (A), then disconnect the ECM connectors (B) and the main wire harness connectors (C).
    Fig 8: Removing ECM Connectors And Main Wire Harness Connectors
    G03680303Courtesy of AMERICAN HONDA MOTOR CO., INC.
  14. Remove the grommet mounting bolts (A) and harness clamps (B), then pull out the ECM connectors.
    Fig 9: Removing Grommet Mounting Bolts And Harness Clamps
    G03680304Courtesy of AMERICAN HONDA MOTOR CO., INC.
  15. Relieve fuel pressure:
  16. 2000-2005 models: Remove the fuel feed hose (A) and the fuel return hose (B). 2006 model: Remove the fuel feed hose (A).

    2000-2003 models: 

    Fig 10: Removing Fuel Feed Hose And Fuel Return Hose (2000-2003 Models)
    G03680305Courtesy of AMERICAN HONDA MOTOR CO., INC.

    This illustration shows the M/T model.

    2004-2005 models: 

    Fig 11: Removing Fuel Feed Hose And Fuel Return Hose (2004-2005 Models)
    G03680306Courtesy of AMERICAN HONDA MOTOR CO., INC.

    This illustration shows the M/T model.

    2006 model: 

    Fig 12: Removing Fuel Feed Hose And Fuel Return Hose (2006 Model)
    G03680307Courtesy of AMERICAN HONDA MOTOR CO., INC.
  17. With A/C model: Loosen the idler pulley center nut (A), then turn the adjusting bolt clockwise (B). Remove the water pump-A/C compressor belt (C).
    Fig 13: Removing Water Pump-A/C Compressor Belt
    G03680308Courtesy of AMERICAN HONDA MOTOR CO., INC.
  18. M/T model: Remove the clutch slave cylinder and line assembly (see step 12 on MANUAL TRANSMISSION ).
  19. Remove the shift cables, manual transmission (M/T) (see step 10 on MANUAL TRANSMISSION ), continuously variable transmission (CVT) (see SHIFT CABLE REPLACEMENT ).
  20. Remove the motor power cable clamps.
    Fig 14: Removing Motor Power Cable Clamps
    G03680309Courtesy of AMERICAN HONDA MOTOR CO., INC.
  21. Remove the radiator cap.
  22. Raise the vehicle on the hoist to full height.
  23. Remove the front wheels.
  24. Remove the splash shields.
    Fig 15: Removing Splash Shields
    G03680310Courtesy of AMERICAN HONDA MOTOR CO., INC.
  25. Remove the splash shield bracket.
    Fig 16: Removing Splash Shield Bracket
    G03680311Courtesy of AMERICAN HONDA MOTOR CO., INC.
  26. Loosen the drain plug in the radiator, and drain the engine coolant (see COOLANT REPLACEMENT ).
  27. Drain the transmission fluid, M/T (see GEARSHIFT MECHANISM REPLACEMENT ), or CVT (see CVT FLUID REPLACEMENT ). Reinstall the drain plug with a new washer.
  28. Drain the engine oil. Reinstall the drain bolt with a new washer (see ENGINE OIL REPLACEMENT ).
  29. Disconnect the suspension lower arm ball joints (see step 10 on FRONT SUSPENSION ).
  30. Remove the driveshafts (see DRIVESHAFT INSPECTION ). Coat all precision finished surfaces with clean engine oil. Tie plastic bags over the driveshaft ends.
  31. With A/C model: Remove the A/C compressor without disconnecting the A/C hoses.
    Fig 17: Removing A/C Compressor
    G03680312Courtesy of AMERICAN HONDA MOTOR CO., INC.
  32. Disconnect the third heated oxygen sensor (third HO2S) connector (A) (2002-2006 M/T models), then remove the NOx adsorptive three way catalyst (NOx adsorptive TWO (B).
    Fig 18: Removing Nox Adsorptive Three Way Catalyst
    G03680313Courtesy of AMERICAN HONDA MOTOR CO., INC.
  33. Remove the left under-cover.
    Fig 19: Removing Left Under-Cover
    G03680314Courtesy of AMERICAN HONDA MOTOR CO., INC.
  34. Remove the grommet mounting bolts (A), then pull out the motor power cable (B).
    Fig 20: Removing Grommet Mounting Bolts
    G03680315Courtesy of AMERICAN HONDA MOTOR CO., INC.
  35. Remove the motor power cable holder from the underbody.
    Fig 21: Removing Motor Power Cable Holder
    G03680316Courtesy of AMERICAN HONDA MOTOR CO., INC.
  36. Lower the vehicle on the hoist.
  37. Remove the upper radiator hose (A), lower radiator hose (B), and heater hoses (C).
    Fig 22: Removing Upper Radiator Hose, Lower Radiator Hose, And Heater Hoses
    G03680317Courtesy of AMERICAN HONDA MOTOR CO., INC.
  38. CVT model: Remove the ATF cooler hoses, then plug the ATF cooler hoses and lines.
    Fig 23: Removing ATF Cooler Hoses
    G03680318Courtesy of AMERICAN HONDA MOTOR CO., INC.
  39. Attach the chain hoist to the engine as shown.
    Fig 24: Attaching Chain Hoist To Engine
    G03680319Courtesy of AMERICAN HONDA MOTOR CO., INC.
  40. Remove the rear mount mounting bolts.
    Fig 25: Removing Rear Mount Mounting Bolts
    G03680320Courtesy of AMERICAN HONDA MOTOR CO., INC.
  41. Remove the side engine mount mounting nuts and mounting bolt.
    Fig 26: Removing Side Engine Mount Mounting Nuts And Mounting Bolt
    G03680321Courtesy of AMERICAN HONDA MOTOR CO., INC.
  42. Remove the transmission mount bracket mounting nuts and mounting bolt.

    M/T: 

    Fig 27: Removing Transmission Mount Bracket Mounting Nuts And Mounting Bolt (M/T)
    G03680322Courtesy of AMERICAN HONDA MOTOR CO., INC.

    CVT: 

    Fig 28: Removing Transmission Mount Bracket Mounting Nuts And Mounting Bolt (CVT)
    G03680323Courtesy of AMERICAN HONDA MOTOR CO., INC.
  43. Check that the engine/motor/transmission is completely free of vacuum hoses, fuel and coolant hoses, and electrical wiring.
  44. Slowly lower the engine about 150 mm (6 in.). Check once again that all hoses and wires are disconnected from the engine/motor/transmission.
  45. Lower the engine/motor/transmission assembly all the way. Remove the chain hoist from the engine.
  46. Remove the engine/motor/transmission assembly from under the vehicle.