lemon-mirror:
Home >> Honda >> 2000 >> S2000 >> Repair and Diagnosis >> Electrical >> Charging Systems >> Charging System >> Circuit Diagram

Circuit Diagram

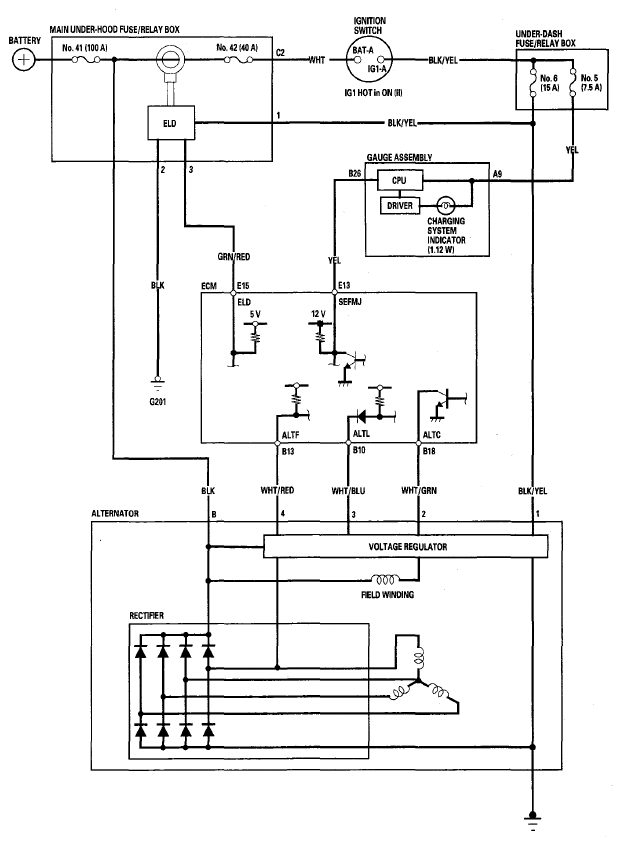
'00-03 models 

Fig 1: Charging System Circuit Diagram (00-03 Models)
G06231570Courtesy of AMERICAN HONDA MOTOR CO., INC.

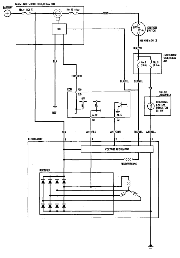
'04-05 models 

Fig 2: Charging System Circuit Diagram (04-05 models)
G06231571Courtesy of AMERICAN HONDA MOTOR CO., INC.

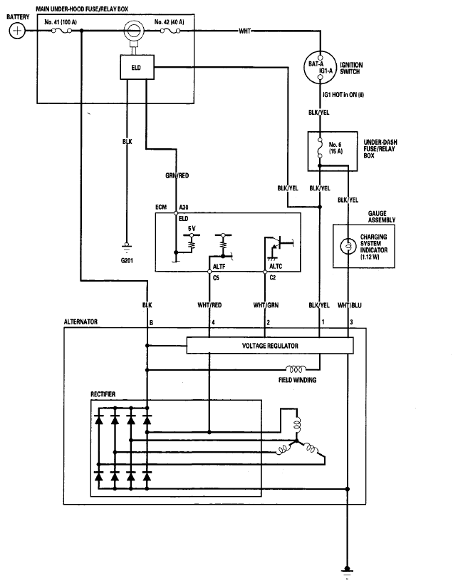
'06-09 models 

Fig 3: Charging System Circuit Diagram (06-09 Models)
G06231572Courtesy of AMERICAN HONDA MOTOR CO., INC.