lemon-mirror:
Home >> Honda >> 2002 >> Insight Standard >> Repair and Diagnosis >> External Pages >> Different car >> Section 108 (Driving Position Memory Systems (DPMS)) >> Circuit Diagram

Circuit Diagram

WARNING: This page is about a different car, the 2006 Honda Odyssey and 2005 Honda Odyssey. However, it is still accessible from the selected car via links, so may be relevant.
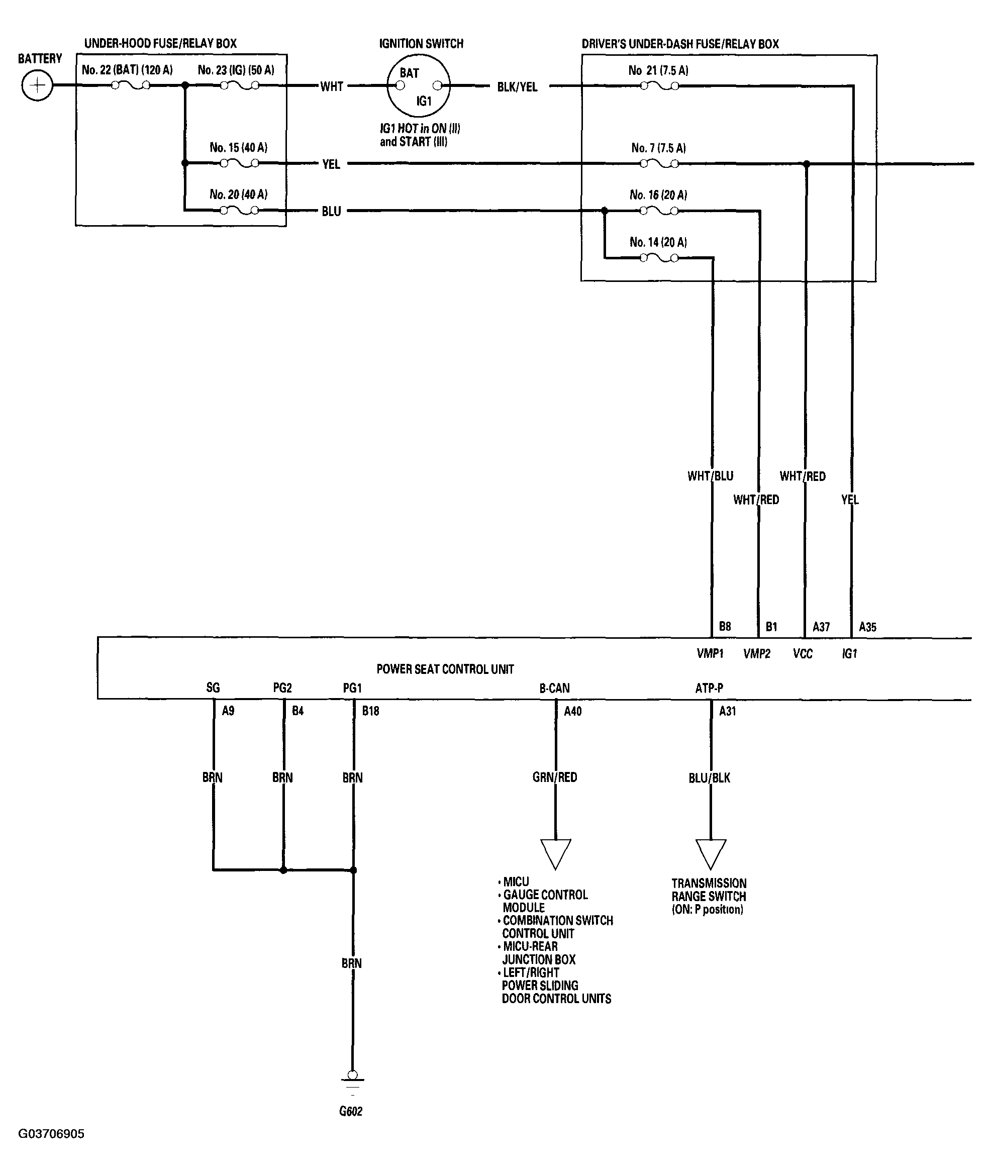
Fig 1: DPMS Circuit Diagram (1 Of 3)
G03706905Courtesy of AMERICAN HONDA MOTOR CO., INC.
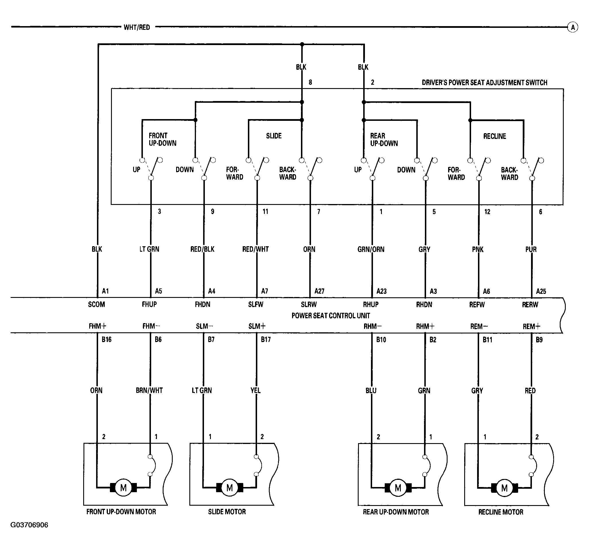
Fig 2: DPMS Circuit Diagram (2 Of 3)
G03706906Courtesy of AMERICAN HONDA MOTOR CO., INC.
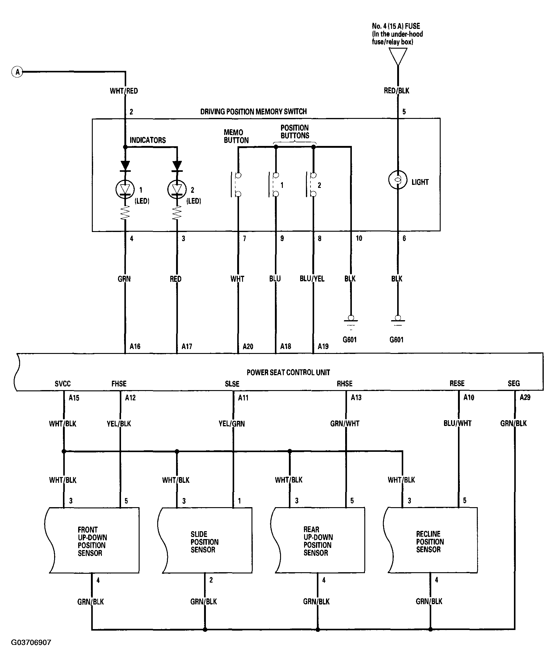
Fig 3: DPMS Circuit Diagram (3 Of 3)
G03706907Courtesy of AMERICAN HONDA MOTOR CO., INC.