lemon-mirror:
Home >> Honda >> 2003 >> Element DX, 2.4 YH2, Automatic >> Repair and Diagnosis >> Engine Performance >> Ignition System >> Circuit Diagram

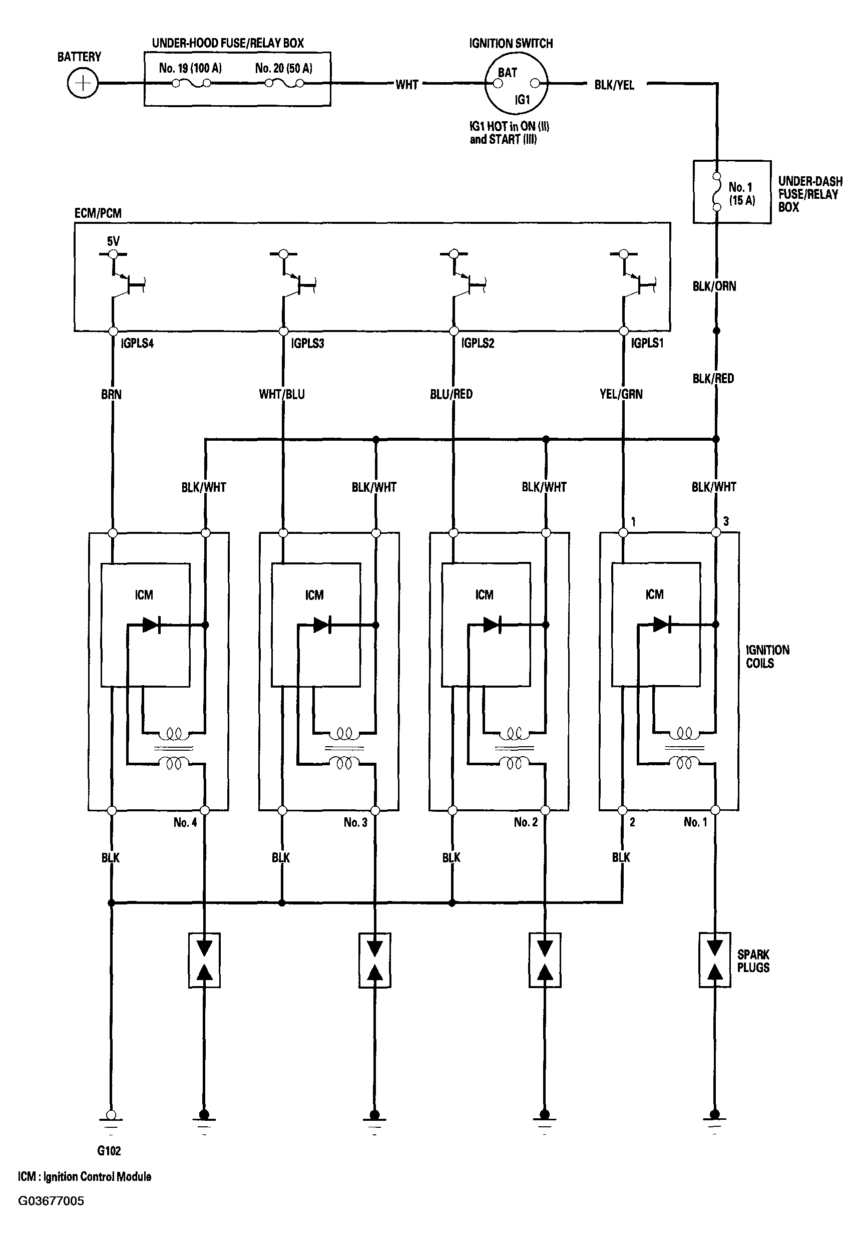
Circuit Diagram

Fig 1: Circuit Diagram Ignition System
G03677005Courtesy of AMERICAN HONDA MOTOR CO., INC.