lemon-mirror:
Home >> Honda >> 2005 >> CR-V EX, Automatic >> Repair and Diagnosis >> Engine Performance >> Ignition System >> Circuit Diagram

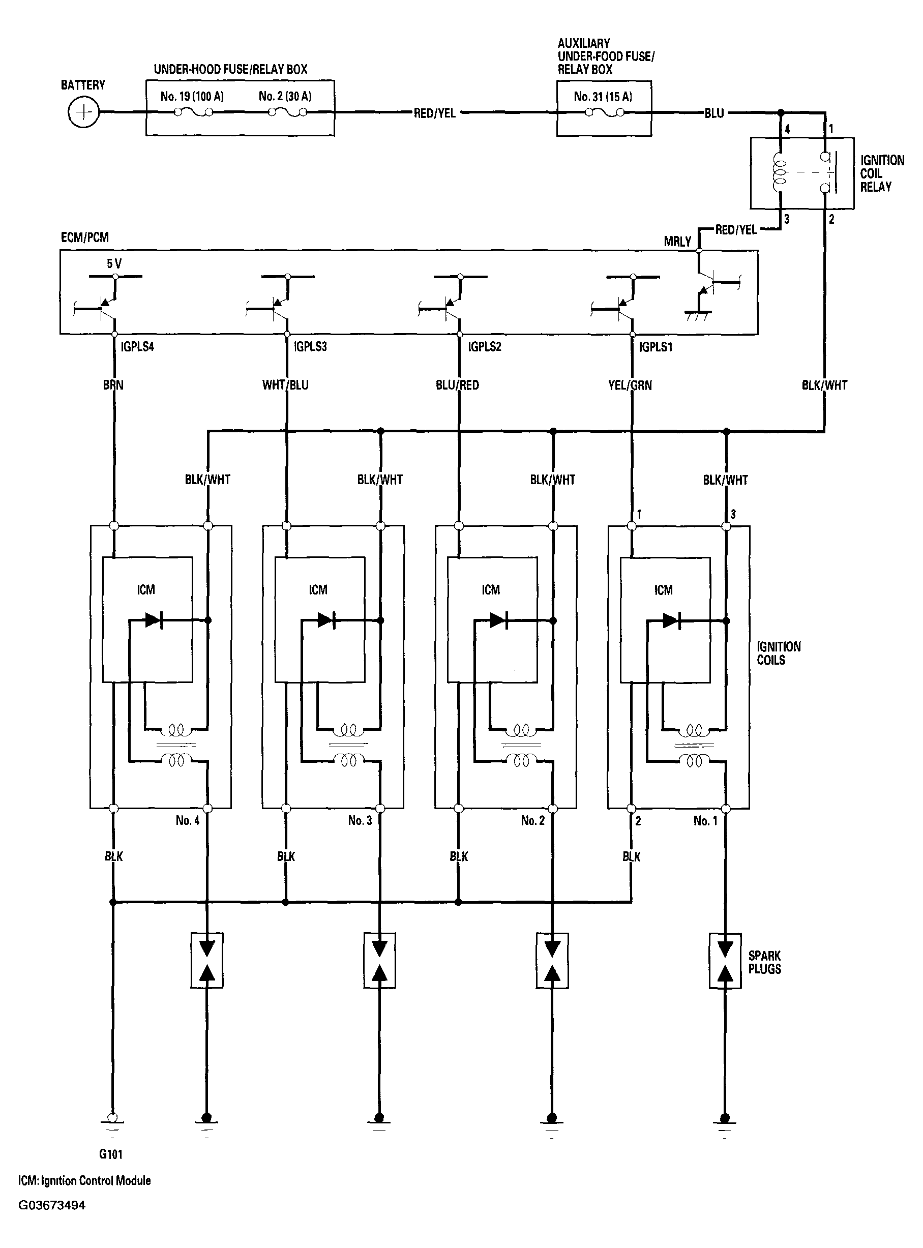
Circuit Diagram

Fig 1: Ignition System Circuit Diagram
G03673494Courtesy of AMERICAN HONDA MOTOR CO., INC.