lemon-mirror:
Home >> Honda >> 2005 >> Odyssey EX >> Repair and Diagnosis >> Engine Mechanical >> Mechanical >> Engine >> Engine Installation

Engine Installation

Special Tools Required 

  1. Install the engine mount bracket accessory brackets, and tighten their bolts to the specified torques.
    Fig 1: Installing Engine Mount Bracket Accessory Brackets
    G03703634Courtesy of AMERICAN HONDA MOTOR CO., INC.
  2. Position the engine/transmission under the vehicle. Be sure that they are properly aligned. Carefully lower the vehicle until the engine/transmission are properly positioned in the engine compartment. Make sure the vehicle is not resting on any part of the engine/transmission. Support to the engine/transmission with a chain hoist (A) and carefully raise the engine/transmission into place.
    NOTE: Reinstall the mounting bolts/support nuts in the sequence given in the following steps. Failure to follow this sequence may cause excessive noise and vibration, and reduce engine mount life.
    Fig 2: Supporting Engine/Transmission With Chain Hoist
    G03703635Courtesy of AMERICAN HONDA MOTOR CO., INC.
  3. Install the engine hanger adapters (VSB02C000022) on the end of the engine support beams (A), then install the engine support hanger (AAR-T-12566) with the adapters to the vehicle.
    Fig 3: Installing Engine Hanger Adapters On End Of Engine Support Beams
    G03703636Courtesy of AMERICAN HONDA MOTOR CO., INC.
  4. Install the engine with the engine support hanger and engine balancer bar (VSB02C000019). Attach the front arm to the front cylinder head with a spacer (B) and the 10 x 1.25 mm bolt (C). Attach the rear arm to the rear cylinder head with the 8 x 1.25 mm bolt (D).
  5. Install new mounting bolts into the upper half of the engine mount bracket. Tighten the bolts to the specified torque.
    Fig 4: Installing Mounting Bolts Into Upper Half Of Engine Mount Bracket
    G03703637Courtesy of AMERICAN HONDA MOTOR CO., INC.
  6. Remove the chain hoist, then raise the vehicle on the hoist to full height.
  7. Using the special tool (A) and a jack, raise the front subframe up to the body.
    Fig 5: Raising Front Subframe Up To Body Using Special Tool And Jack
    G03703638Courtesy of AMERICAN HONDA MOTOR CO., INC.
  8. Loosely install the new front subframe mounting bolts (four) (B), the 12 x 1.25 mm bolts (six) (C) (D), and the stiffeners (E).
  9. Align all reference marks (A) on the front subframe (B) with the edge of the body (C), then tighten the bolts on the front subframe to the specified torque.
    Fig 6: Identifying Reference Marks On Front Subframe With Edge Of Body
    G03703639Courtesy of AMERICAN HONDA MOTOR CO., INC.
  10. Remove the jack and special tool.
  11. Tighten the nuts securing the transmission lower rear mount.
    Fig 7: Tightening Transmission Lower Rear Mount Nuts
    G03703640Courtesy of AMERICAN HONDA MOTOR CO., INC.
  12. J35A6 engine: Tighten the rear engine mount bolt, then install the heat shield (A).
    Fig 8: Tightening Rear Engine Mount Bolt And Heat Shield (J35A6 Engine)
    G03703641Courtesy of AMERICAN HONDA MOTOR CO., INC.
  13. J35A7 engine: Tighten the rear engine mount bolt (A), then install the rear engine mount stop (B), and connect the rear active control engine mount (ACM) actuator connector (C).
    Fig 9: Tightening Rear Engine Mount Bolt (J35A7 Engine)
    G03703642Courtesy of AMERICAN HONDA MOTOR CO., INC.
  14. Lower the vehicle on the hoist.
  15. J35A6 engine: Tighten the front engine mount bolt (A), then install the front engine mount stop (B) and vacuum hose (C).
    Fig 10: Tightening Front Engine Mount Bolt (J35A6 Engine)
    G03703643Courtesy of AMERICAN HONDA MOTOR CO., INC.
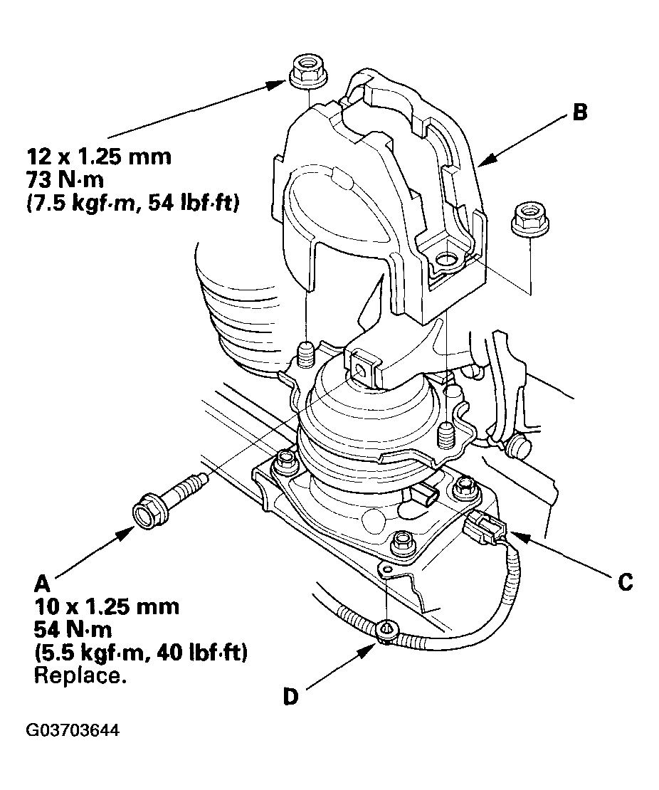
  16. J35A7 engine: Tighten the front engine mount bolt (A), then install the front engine mount stop (B), and connect the front ACM actuator connector (C) and harness clamp (D).
    Fig 11: Tightening Front Engine Mount Bolt (J35A7 Engine)
    G03703644Courtesy of AMERICAN HONDA MOTOR CO., INC.
  17. Loosen the mounting bolts for the upper half of the side engine mount bracket, then retighten them to the specified torque.
    Fig 12: Tightening Mounting Bolts For Upper Half Of Side Engine Mount Bracket
    G03703645Courtesy of AMERICAN HONDA MOTOR CO., INC.
  18. Remove the engine support hanger, engine hanger balancer bar, and engine hanger adapters.
  19. Install the A/C compressor.
    Fig 13: Installing A/C Compressor
    G03703646Courtesy of AMERICAN HONDA MOTOR CO., INC.
  20. Install the radiator (see RADIATOR REPLACEMENT ).
  21. Install the automatic transmission fluid (ATF) cooler hoses.
    Fig 14: Installing ATF Cooler Hoses
    G03703647Courtesy of AMERICAN HONDA MOTOR CO., INC.
  22. Install the ground cables.
    Fig 15: Installing Ground Cables
    G03703648Courtesy of AMERICAN HONDA MOTOR CO., INC.
  23. Install the heater hoses.
    Fig 16: Installing Heater Hoses
    G03703649Courtesy of AMERICAN HONDA MOTOR CO., INC.
  24. Install the upper radiator hose (A) and lower radiator hose (B).
    Fig 17: Installing Upper Radiator Hose And Lower Radiator Hose
    G03703650Courtesy of AMERICAN HONDA MOTOR CO., INC.
  25. Install the condenser fan shroud (A), and reserve tank (B), then connect the fan motor connector (C).
    Fig 18: Installing Condenser Fan Shroud And Reserve Tank
    G03703651Courtesy of AMERICAN HONDA MOTOR CO., INC.
  26. Raise the vehicle on the hoist to full height.
  27. Connect the power steering pressure switch connector (A).
    Fig 19: Connecting Power Steering Pressure Switch Connector
    G03703652Courtesy of AMERICAN HONDA MOTOR CO., INC.
  28. Reconnect the power steering (P/S) hose.
    Fig 20: Reconnecting P/S Hose
    G03703653Courtesy of AMERICAN HONDA MOTOR CO., INC.
  29. Install the control lever (A) with the shift cable on the control shaft. Do not bend the shift cable excessively.
    Fig 21: Installing Control Lever With Shift Cable On Control Shaft
    G03703654Courtesy of AMERICAN HONDA MOTOR CO., INC.
  30. Install the lock bolt (B) with a new lock washer (C), then bend the lock washer tab against the bolt.
  31. Install the shift cable cover (D), then install the shift cable holder (E) on the shift cable cover.
  32. Install a new set ring on the end of each driveshaft, then install the driveshafts. Make sure each ring "clicks" into place in the differential and intermediate shaft.
  33. Connect the suspension lower arms to the knuckles (see step 13 in KNUCKLE/HUB REPLACEMENT ).
  34. Connect the tie-rod end ball joints to the knuckles (see step 11 in KNUCKLE/HUB REPLACEMENT ).
  35. Connect the stabilizer links (see STABILIZER LINK REMOVAL/INSTALLATION ).
  36. Install exhaust pipe A using new gaskets (B) and new self locking nuts (C).
    Fig 22: Installing Exhaust Pipe A Using Gaskets And Self Locking Nuts
    G03703655Courtesy of AMERICAN HONDA MOTOR CO., INC.
  37. Install the splash shield.
    Fig 23: Installing Splash Shield
    G03703656Courtesy of AMERICAN HONDA MOTOR CO., INC.
  38. Install the front wheels.
  39. Lower the vehicle on the hoist.
  40. Install the power steering pump outlet hose (A) with a new O-ring (B) to the pump (C), then secure the hose clamp using the bracket (D).
    Fig 24: Installing Power Steering Pump Outlet Hose With O-Ring To Pump
    G03703657Courtesy of AMERICAN HONDA MOTOR CO., INC.
  41. Install the power steering fluid reservoir, then connect the return hose.
  42. Install the drive belt (see DRIVE BELT REPLACEMENT ).
  43. Install the alternator cable (A), then install the harness clamps (B).
    Fig 25: Installing Alternator Cable And Harness Clamps
    G03703658Courtesy of AMERICAN HONDA MOTOR CO., INC.
  44. Connect the engine wire harness connectors (A) and cabin wire harness connector (B), then install the harness clamp (C).
    Fig 26: Connecting Engine Wire Harness Connectors And Cabin Wire Harness Connector
    G03703659Courtesy of AMERICAN HONDA MOTOR CO., INC.
  45. Install the powertrain control module (PCM) cover (A).
    Fig 27: Installing PCM Cover
    G03703660Courtesy of AMERICAN HONDA MOTOR CO., INC.
  46. Align the reference mark (A) on the steering joint and steering gearbox pinion shaft. Connect the steering joint (B) to the steering gearbox pinion shaft (C). Tighten the steering joint bolt.
    Fig 28: Aligning Reference Mark On Steering Joint And Steering Gearbox Pinion Shaft
    G03703661Courtesy of AMERICAN HONDA MOTOR CO., INC.
  47. Install the steering joint cover (D).
  48. Install the carpet (see CARPET REPLACEMENT ) and driver's side console lower panel.
  49. Install the brake booster vacuum hose (A), evaporative emission (EVAP) canister hose (B).
    Fig 29: Installing Brake Booster Vacuum Hose And EVAP Canister Hose
    G03703662Courtesy of AMERICAN HONDA MOTOR CO., INC.
  50. J35A6 engine: Install the vacuum hose (C).
  51. Connect the fuel feed hose (A) (see FUEL LINE/QUICK-CONNECT FITTING INSTALLATION ), then install the quick-connect fitting cover (B).
    Fig 30: Installing Fuel Feed Hose And Quick-Connect Fitting Cover
    G03703663Courtesy of AMERICAN HONDA MOTOR CO., INC.
  52. Connect the starter cable (A) to the B terminal, and ground cable (B), and install the harness clamp (C).
    Fig 31: Connecting Starter Cable To B Terminal And Ground Cable
    G03703664Courtesy of AMERICAN HONDA MOTOR CO., INC.
  53. Install the battery base (A), then install the harness clamps (B).
    Fig 32: Installing Battery Base And Harness Clamps
    G03703665Courtesy of AMERICAN HONDA MOTOR CO., INC.
  54. Install the air cleaner housing (see AIR CLEANER REMOVAL/INSTALLATION ).
  55. Install the air intake duct (A), then install the breather pipe (B).
    Fig 33: Installing Air Intake Duct And Breather Pipe
    G03703666Courtesy of AMERICAN HONDA MOTOR CO., INC.
  56. Install the intake manifold cover.
    Fig 34: Installing Intake Manifold Cover
    G03703667Courtesy of AMERICAN HONDA MOTOR CO., INC.
  57. Install the battery. Clean the battery posts and cable terminals with sandpaper, then assemble them and apply grease to prevent corrosion.
  58. Reinstall front grill cover (see FRONT GRILLE COVER REPLACEMENT ).
  59. Reinstall cowl cover and windshield wiper arms (see WIPER MOTOR REPLACEMENT ).
  60. Inspect for fuel leaks. Turn the ignition switch ON (II) (do not operate the starter) so the fuel pump runs for about 2 seconds and pressurizes the fuel line. Repeat this operation two or three times, then check for fuel leakage at any point in the fuel line.
  61. Move the shift lever to each gear, and verify that the A/T gear position indicator follows the transmission range switch.
  62. Refill the engine with new engine oil (see ENGINE OIL REPLACEMENT ).
  63. Refill the transmission with ATF (see ATF REPLACEMENT ).
  64. Refill the power steering fluid reservoir (see FLUID REPLACEMENT ).
  65. Refill the radiator with engine coolant, and bleed air from the cooling system with the heater valve open (see step 8 in COOLANT REPLACEMENT ).
  66. Do the PCM reset procedure (see PCM RESET ).
  67. Do the PCM idle learn procedure (see PCM IDLE LEARN PROCEDURE ).
  68. Do the crankshaft position (CKP) pattern clear/CKP pattern learn procedure (see HDS CLEAR COMMAND ).
  69. Inspect the idle speed (see IDLE SPEED INSPECTION ).
  70. Inspect the ignition timing (see IGNITION TIMING INSPECTION ).
  71. Check the wheel alignment (see WHEEL ALIGNMENT ).
  72. Enter the anti-theft codes for the radio and the navigation system, then enter the customer's audio presets.
  73. Set the clock.