lemon-mirror:
Home >> Honda >> 2005 >> Odyssey EX >> Repair and Diagnosis >> Engine Performance >> Ignition System >> Circuit Diagram

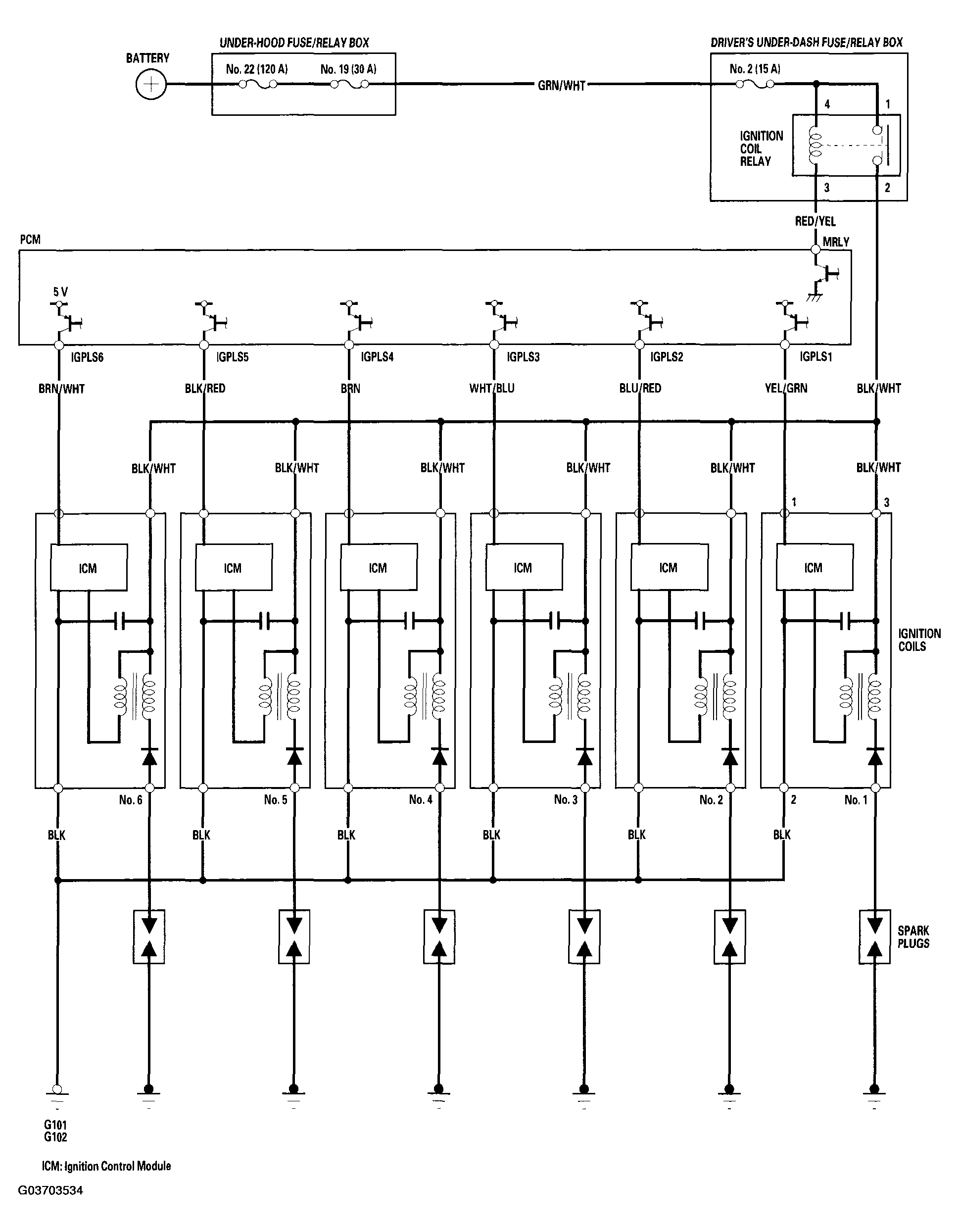
Circuit Diagram

Fig 1: Circuit Diagram - Ignition System
G03703534Courtesy of AMERICAN HONDA MOTOR CO., INC.