lemon-mirror:
Home >> Honda >> 2005 >> Pilot EX >> Repair and Diagnosis >> Body & Frame >> Door Locks >> Keyless Entry/Security System >> Circuit Diagram

Circuit Diagram

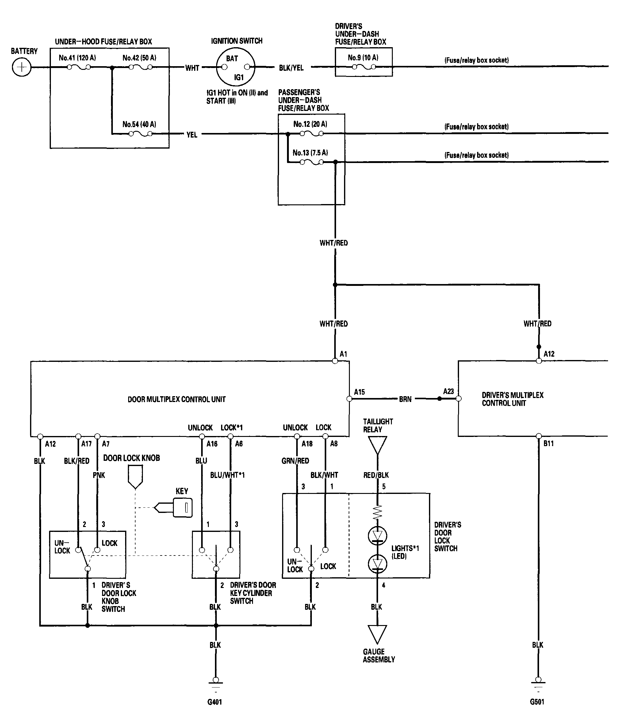
Fig 1: Keyless Entry/Security Alarm Circuit Diagram
G04548434Courtesy of AMERICAN HONDA MOTOR CO., INC.
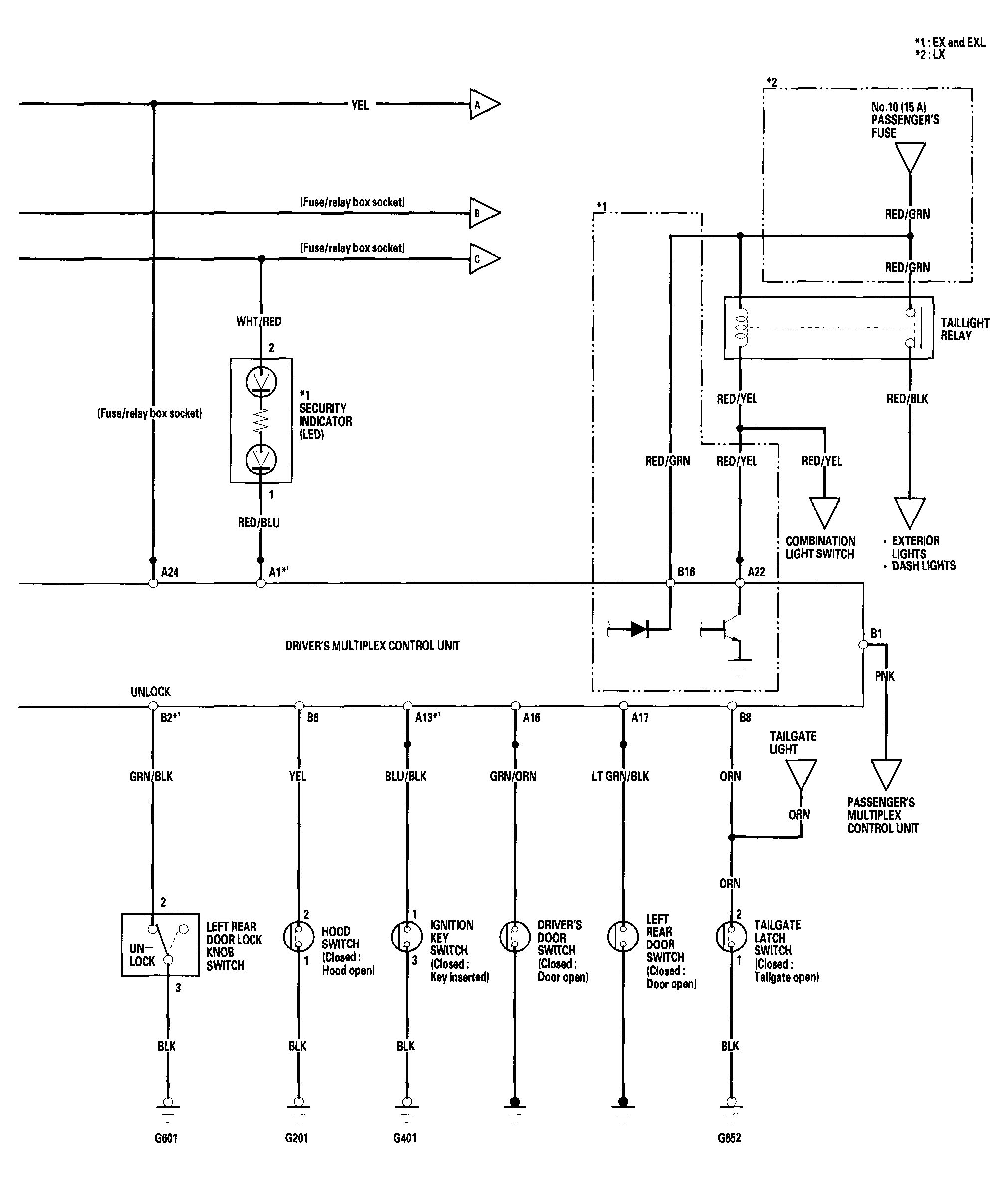
Fig 2: Drivers's Multiplex Control Unit Circuit Diagram
G04548435Courtesy of AMERICAN HONDA MOTOR CO., INC.
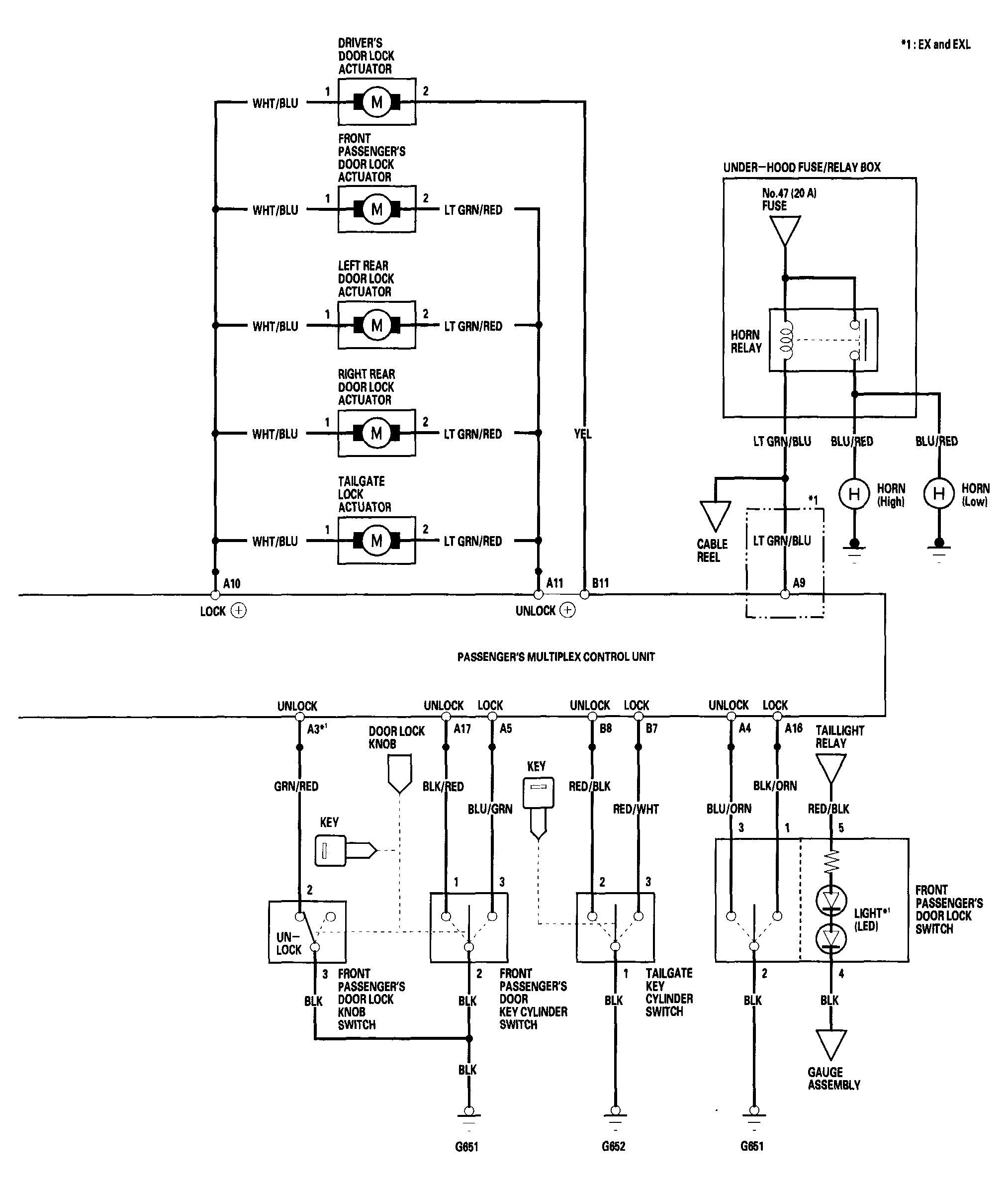
Fig 3: Keyless Entry/Security Alarm Circuit Diagram
G04548436Courtesy of AMERICAN HONDA MOTOR CO., INC.
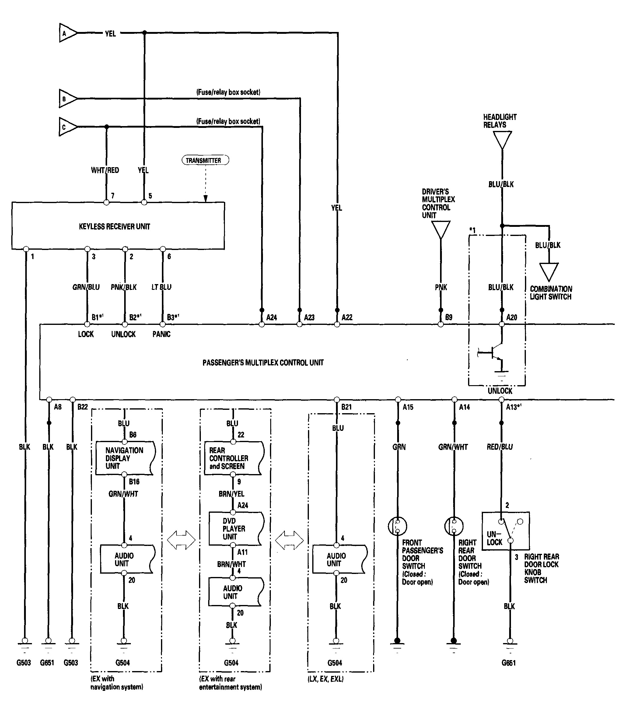
Fig 4: Passengers's Multiplex Control Unit Circuit Diagram
G04548437Courtesy of AMERICAN HONDA MOTOR CO., INC.