lemon-mirror:
Home >> Honda >> 2005 >> Pilot EX >> Repair and Diagnosis >> Engine Performance >> Ignition System >> Circuit Diagram

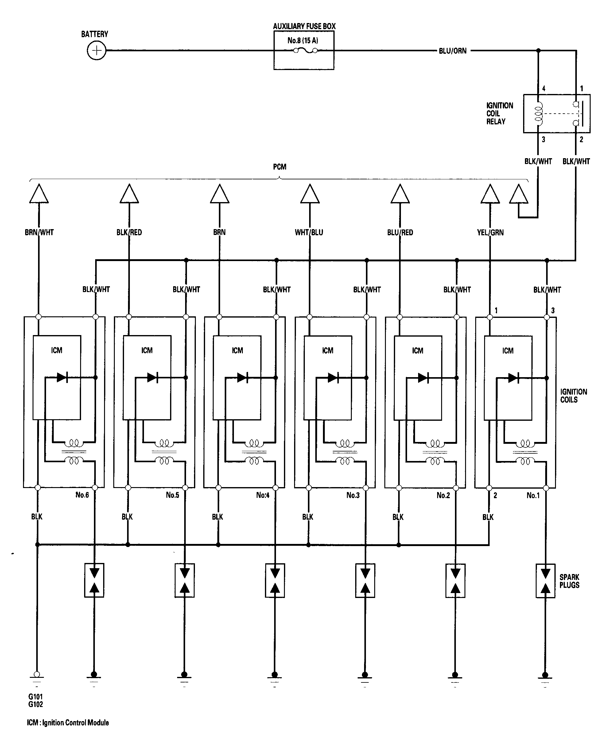
Circuit Diagram

Fig 1: Ignition System - Circuit Diagram
G04545442Courtesy of AMERICAN HONDA MOTOR CO., INC.