lemon-mirror:
Home >> Honda >> 2005 >> Pilot EX >> Repair and Diagnosis >> Engine Performance >> System >> Fuel And Emissions Systems >> System Description >> Electronic Control System >> PCM Electrical Connections

PCM Electrical Connections

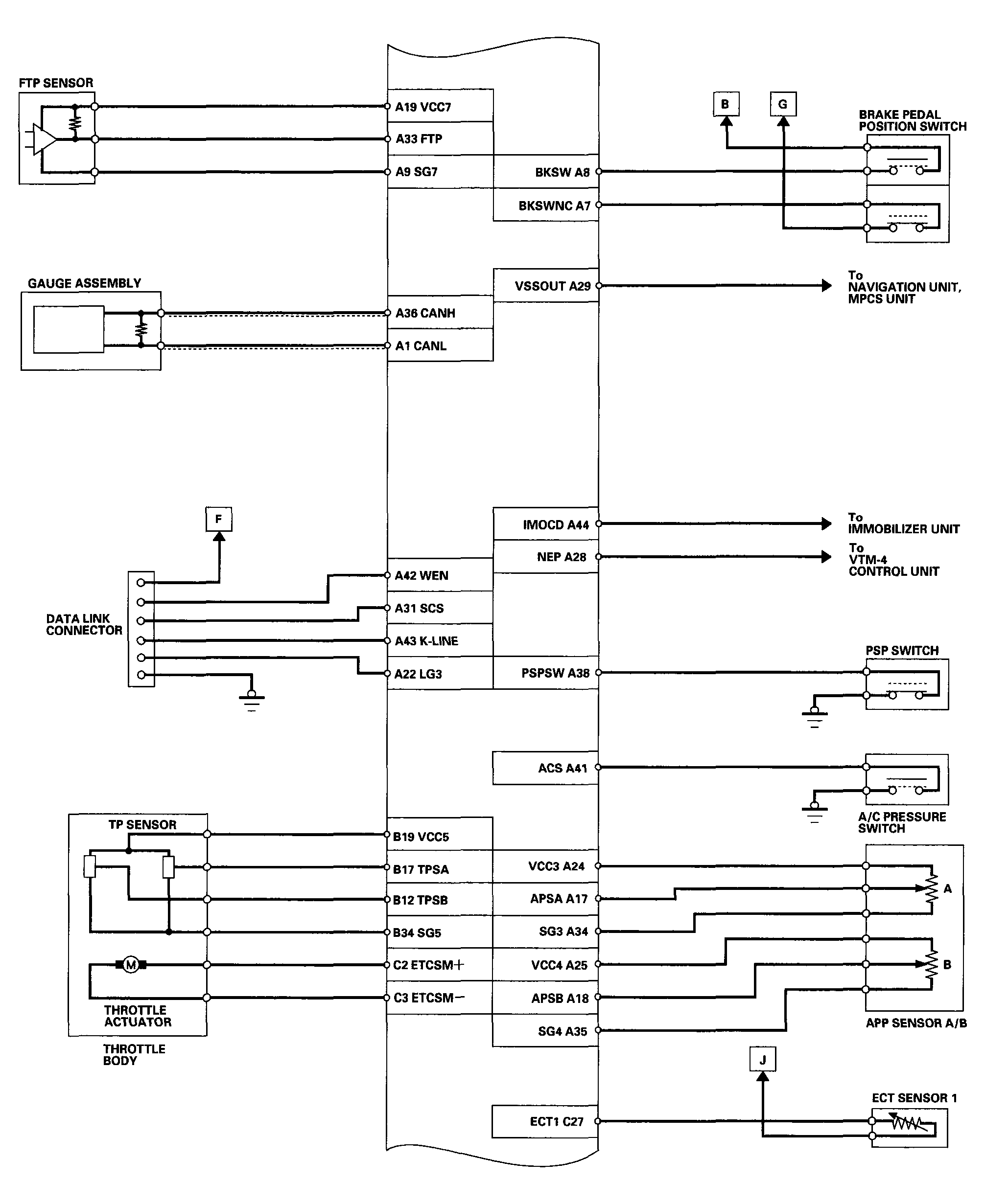
Fig 1: PCM Electrical Connections Diagram (1 Of 5)
G04545840Courtesy of AMERICAN HONDA MOTOR CO., INC.
Fig 2: PCM Electrical Connections Diagram (2 Of 5)
G04545841Courtesy of AMERICAN HONDA MOTOR CO., INC.
Fig 3: PCM Electrical Connections Diagram (3 Of 5)
G04545842Courtesy of AMERICAN HONDA MOTOR CO., INC.
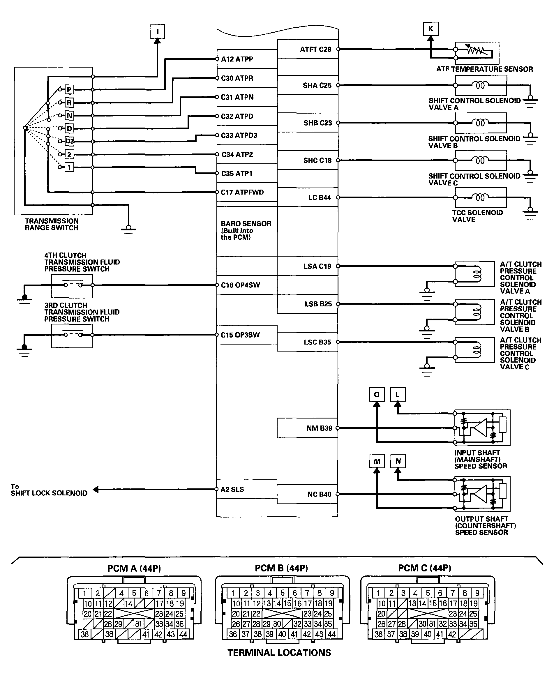
Fig 4: PCM Electrical Connections Diagram (4 Of 5)
G04545843Courtesy of AMERICAN HONDA MOTOR CO., INC.
Fig 5: PCM Electrical Connections Diagram (5 Of 5)
G04545844Courtesy of AMERICAN HONDA MOTOR CO., INC.