lemon-mirror:
Home >> Honda >> 2005 >> Pilot EX >> Repair and Diagnosis >> Engine Performance >> System >> Fuel And Emissions Systems >> System Description >> PCM Circuit Diagram

PCM Circuit Diagram

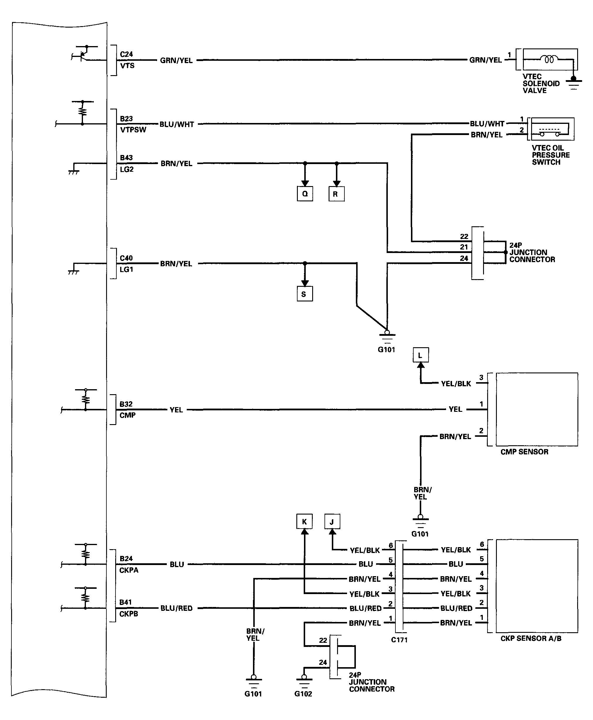
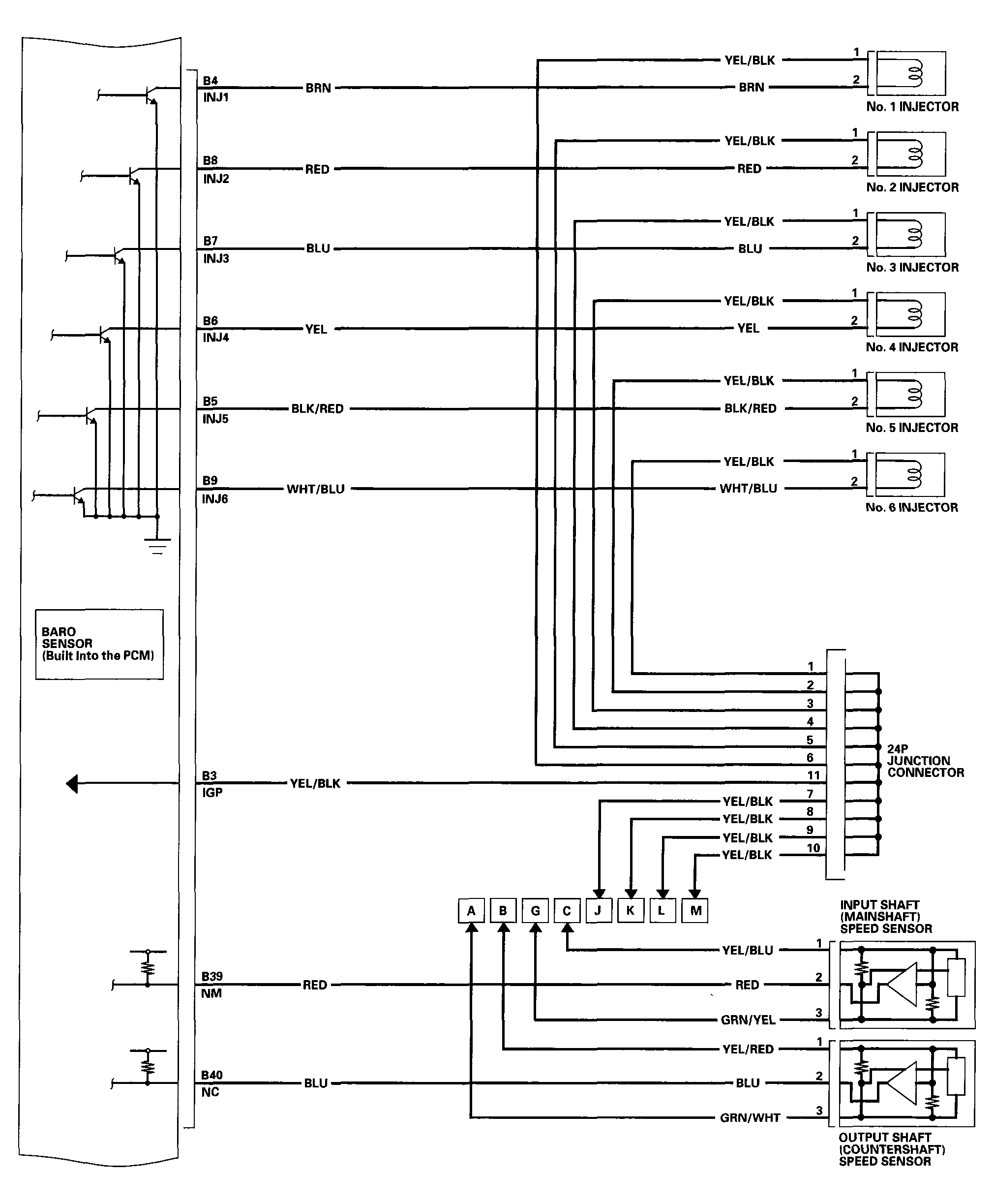
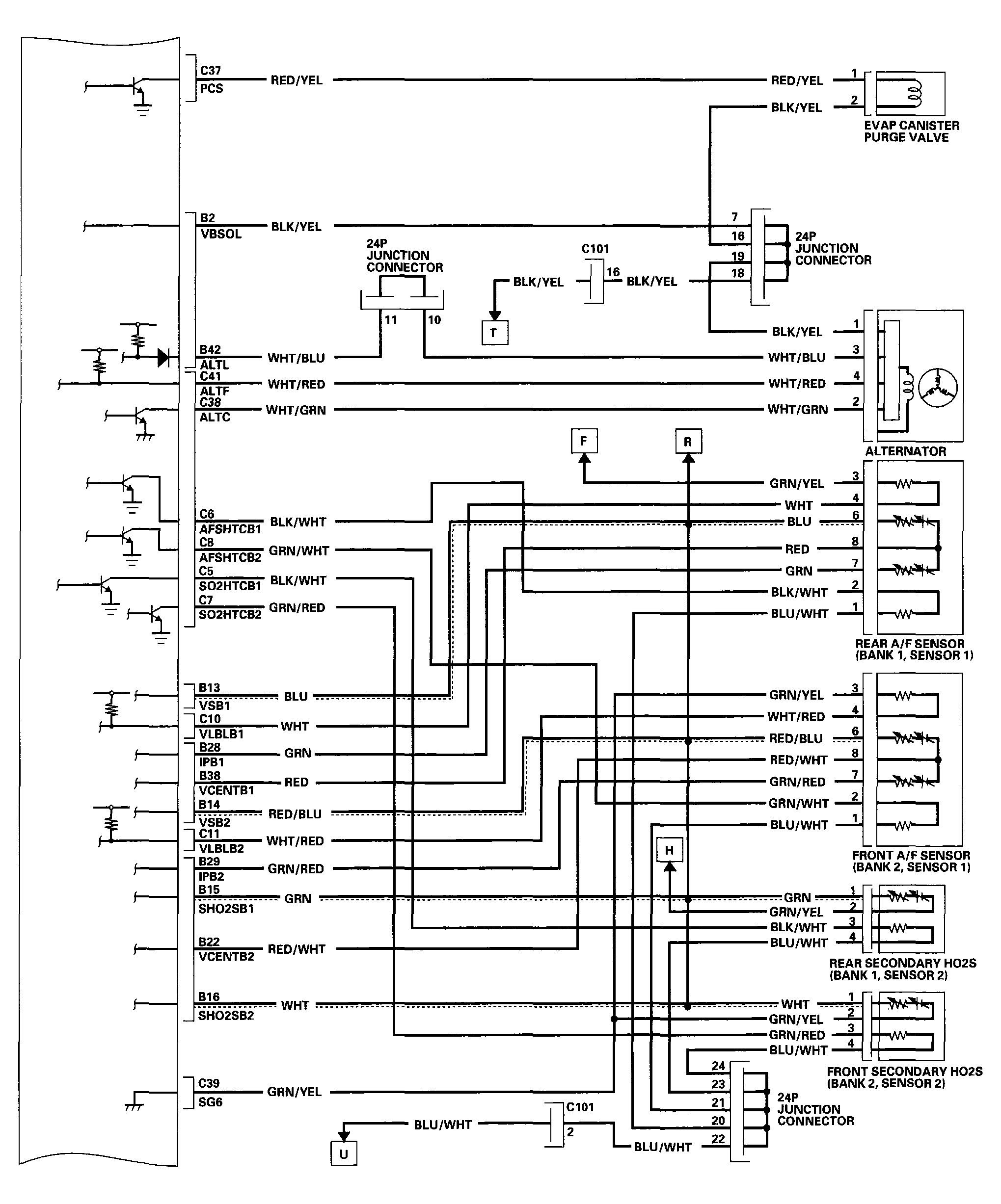
Fig 1: PCM Circuit Diagram (1 Of 11)
G04545870Courtesy of AMERICAN HONDA MOTOR CO., INC.
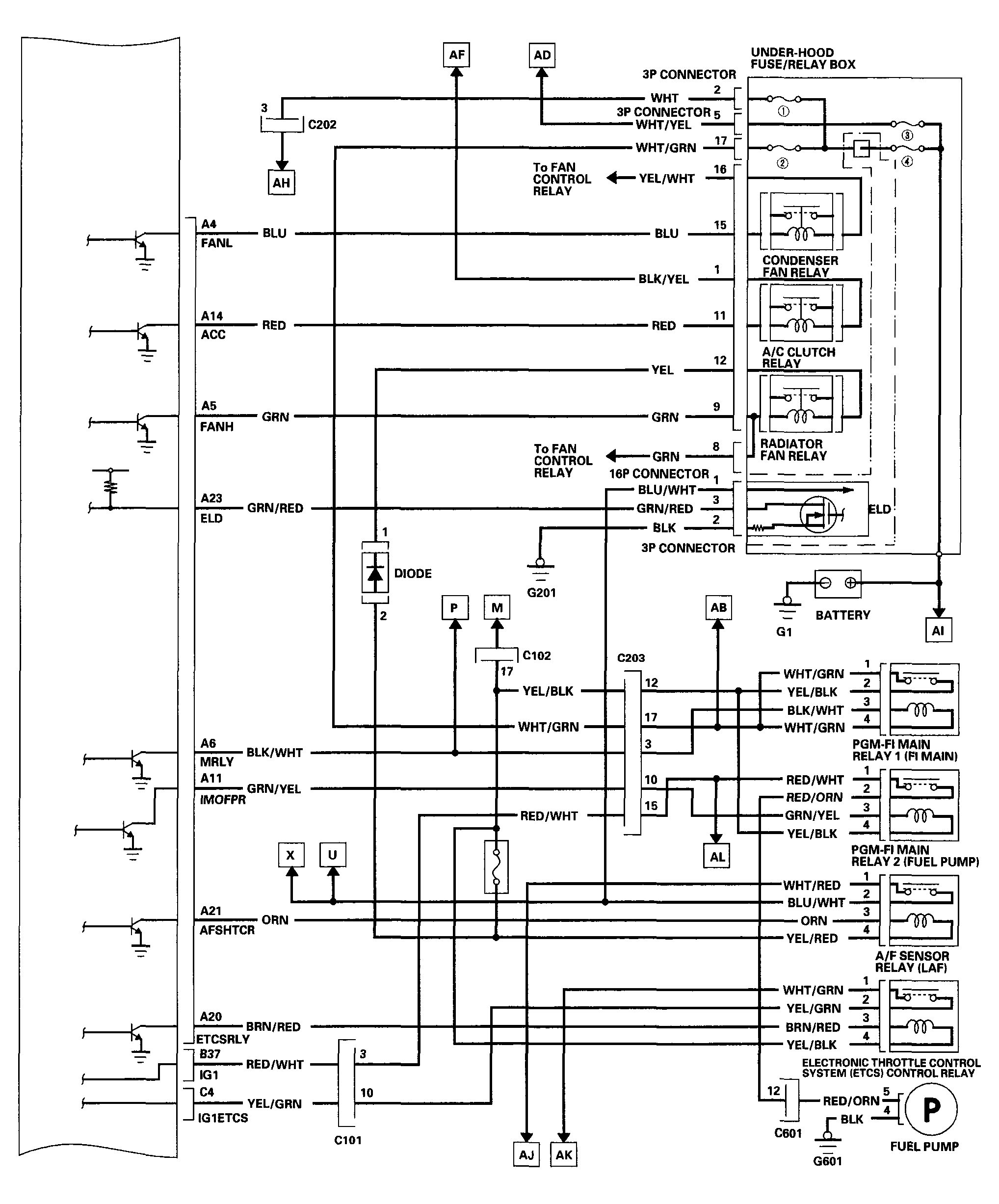
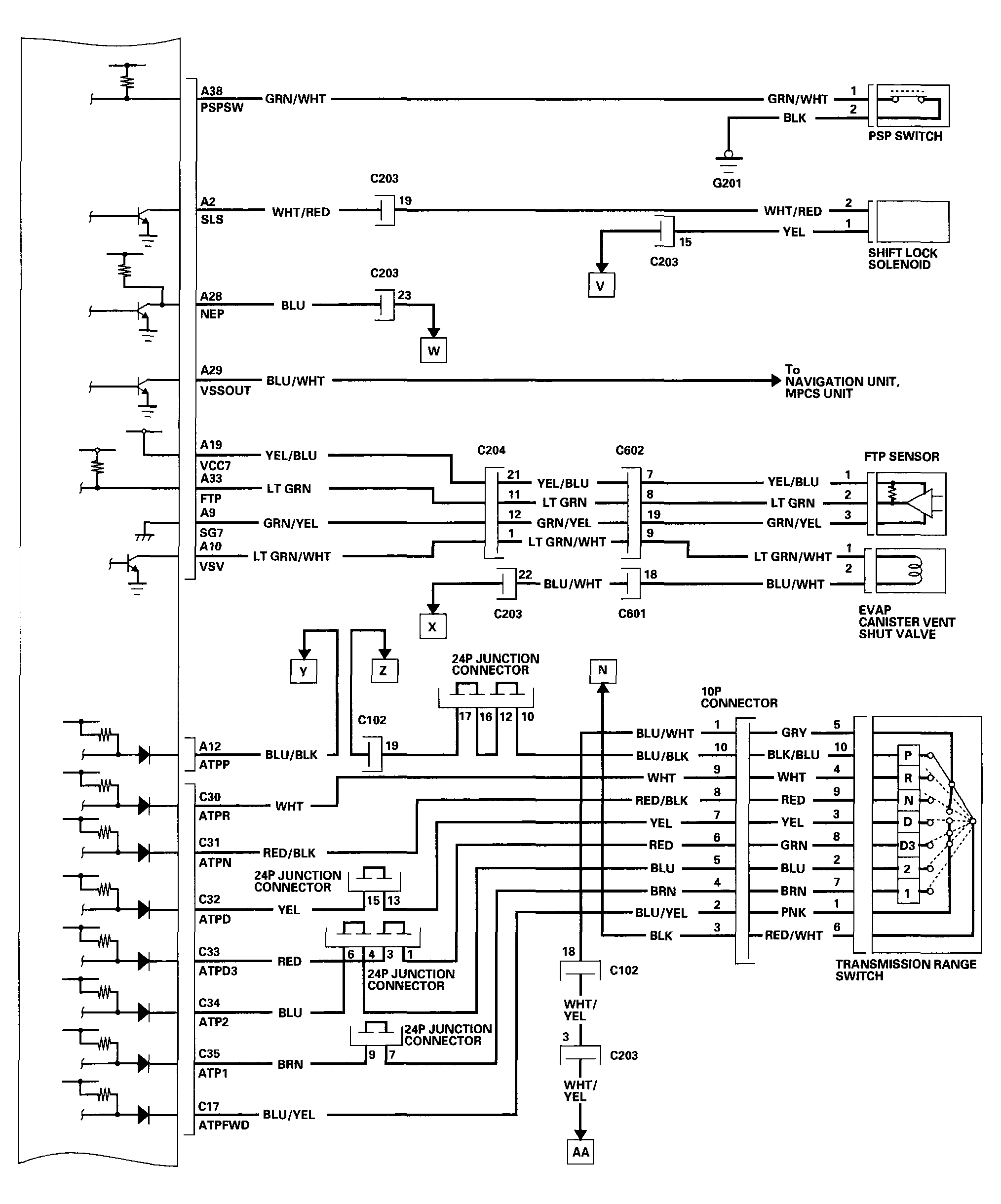
Fig 2: PCM Circuit Diagram (2 Of 11)
G04545871Courtesy of AMERICAN HONDA MOTOR CO., INC.
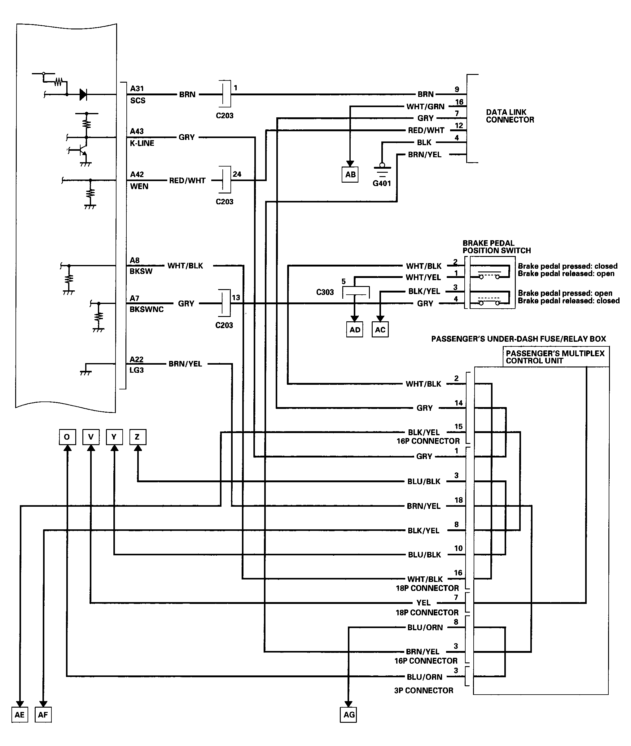
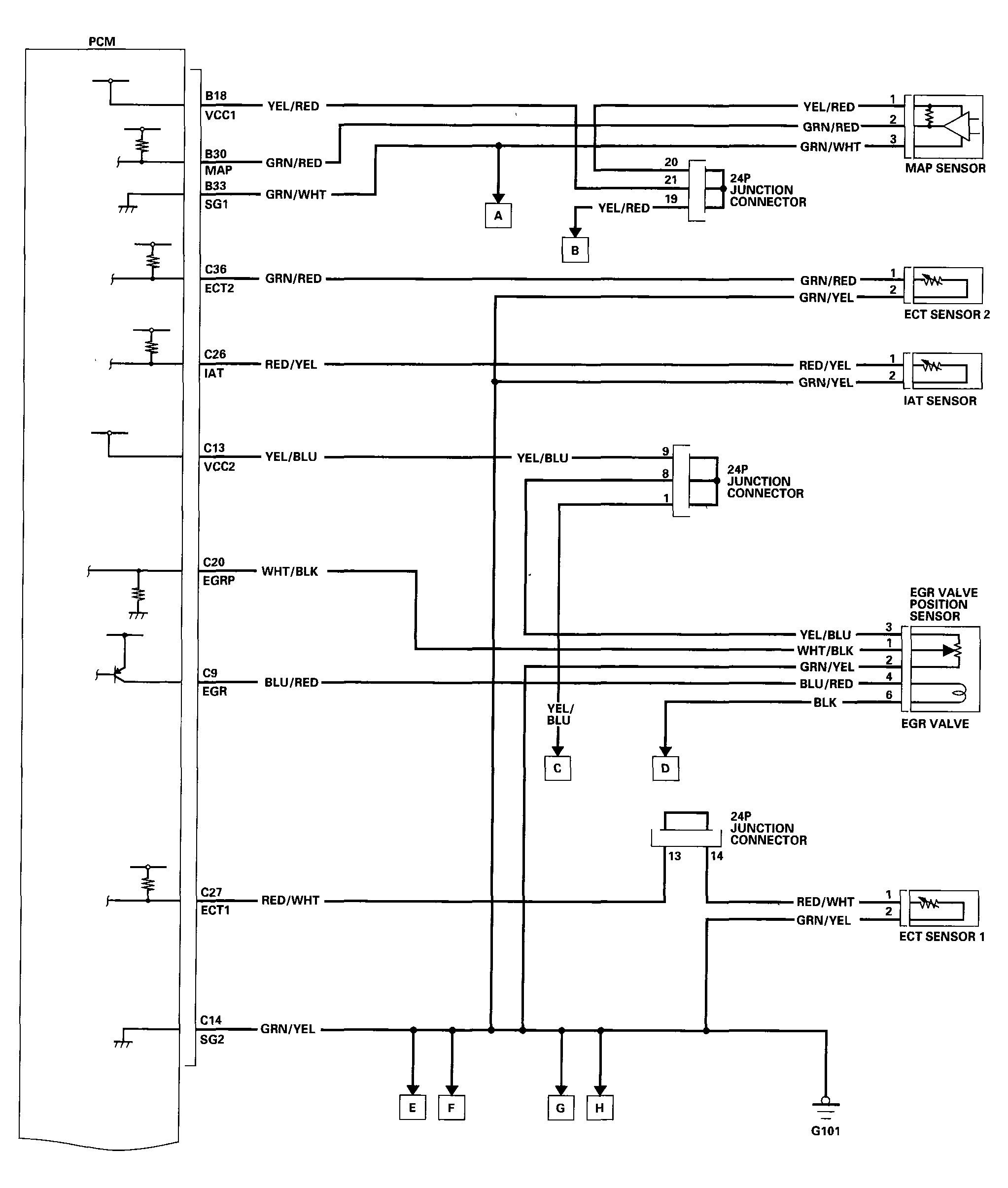
Fig 3: PCM Circuit Diagram (3 Of 11)
G04545872Courtesy of AMERICAN HONDA MOTOR CO., INC.
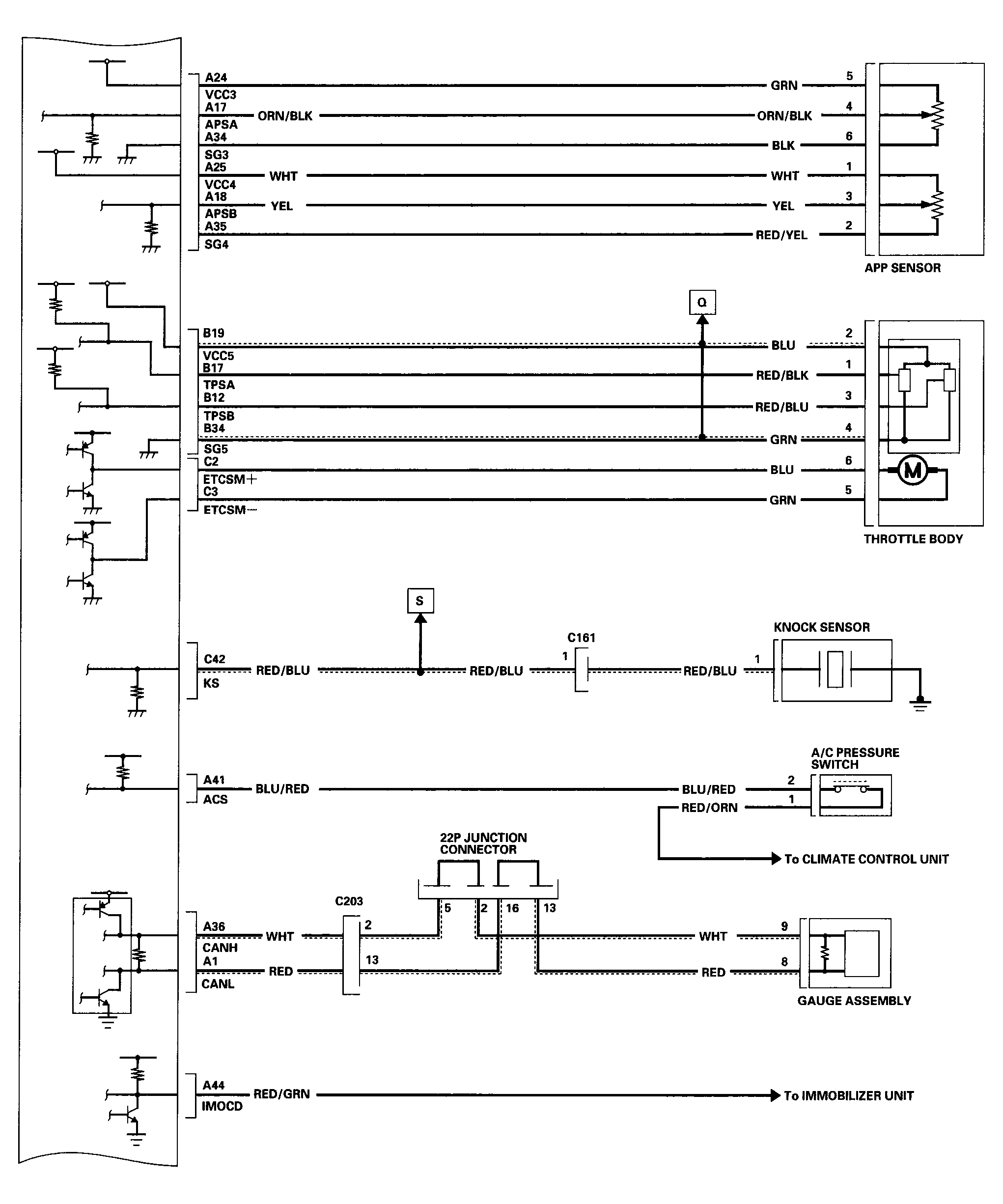
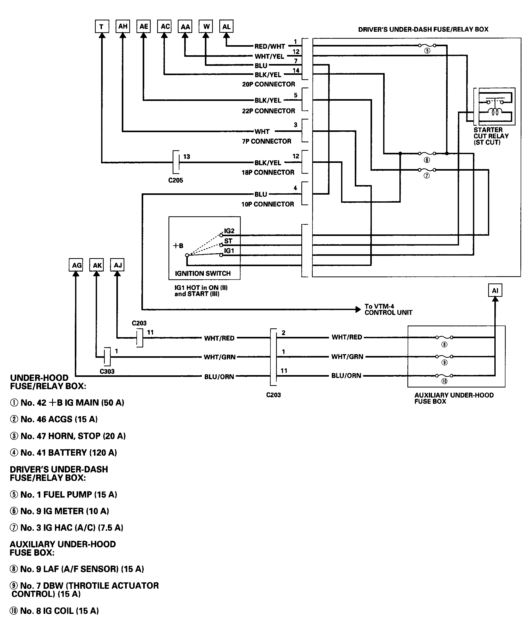
Fig 4: PCM Circuit Diagram (4 Of 11)
G04545873Courtesy of AMERICAN HONDA MOTOR CO., INC.
Fig 5: PCM Circuit Diagram (5 Of 11)
G04545874Courtesy of AMERICAN HONDA MOTOR CO., INC.
Fig 6: PCM Circuit Diagram (6 Of 11)
G04545875Courtesy of AMERICAN HONDA MOTOR CO., INC.
Fig 7: PCM Circuit Diagram (7 Of 11)
G04545876Courtesy of AMERICAN HONDA MOTOR CO., INC.
Fig 8: PCM Circuit Diagram (8 Of 11)
G04545877Courtesy of AMERICAN HONDA MOTOR CO., INC.
Fig 9: PCM Circuit Diagram (9 Of 11)
G04545878Courtesy of AMERICAN HONDA MOTOR CO., INC.
Fig 10: PCM Circuit Diagram (10 Of 11)
G04545879Courtesy of AMERICAN HONDA MOTOR CO., INC.
Fig 11: PCM Circuit Diagram (11 Of 11)
G04545880Courtesy of AMERICAN HONDA MOTOR CO., INC.