lemon-mirror:
Home >> Honda >> 2005 >> Pilot EX >> Repair and Diagnosis >> Transmission >> Automatic Trans >> Automatic Transmission >> Automatic Transmission >> Transmission Installation

Transmission Installation

  1. Cleaning the ATF cooler (see ATF COOLER CLEANING  ).
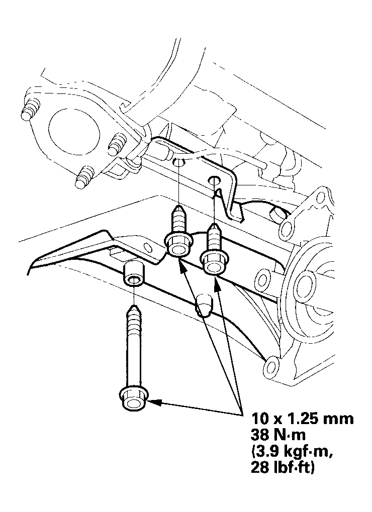
  2. Install the transmission lower mounts.
    Fig 1: Installing Transmission Lower Mounts
    G04546535Courtesy of AMERICAN HONDA MOTOR CO., INC.
  3. Install the torque converter assembly (A) on the mainshaft (B) with a new O-ring (C).
    Fig 2: Installing Torque Converter Assembly (A) On Mainshaft (B) With O-Ring (C)
    G04546536Courtesy of AMERICAN HONDA MOTOR CO., INC.
  4. Install the 14 mm dowel pin (D) and 10 mm dowel pin (E) in the torque converter housing (F).
  5. Place the transmission on a jack, and raise it to engine level.
  6. Attach the transmission to the engine, then install the transmission housing mounting bolts.
    Fig 3: Attaching Transmission To Engine
    G04546537Courtesy of AMERICAN HONDA MOTOR CO., INC.
  7. Install the transmission housing mounting bolts.
    Fig 4: Installing Transmission Housing Mounting Bolts
    G04546538Courtesy of AMERICAN HONDA MOTOR CO., INC.
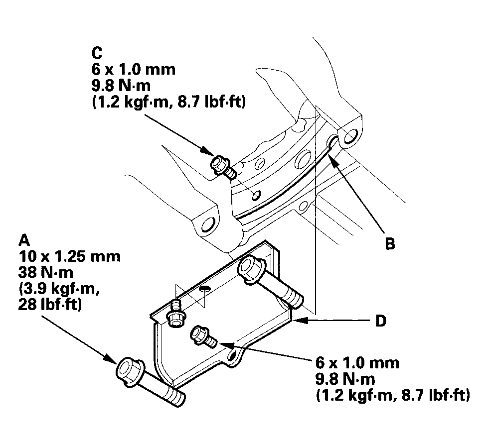
  8. Install the front mount bracket.
    Fig 5: Installing Front Mount Bracket
    G04546539Courtesy of AMERICAN HONDA MOTOR CO., INC.
  9. Install the harness clamp on the mount bracket.
    Fig 6: Installing Harness Clamp On Mount Bracket
    G04546540Courtesy of AMERICAN HONDA MOTOR CO., INC.
  10. Install a new set ring (A) on the intermediate shaft (B).
    Fig 7: Installing Set Ring (A) On Intermediate Shaft
    G04546541Courtesy of AMERICAN HONDA MOTOR CO., INC.
  11. Clean the areas where the intermediate shaft contacts the transmission (differential) with solvent or carburetor cleaner, and dry with compressed air. Then install the intermediate shaft in the differential. While installing the intermediate shaft, be sure not to allow dust or other foreign particles to enter the transmission.
  12. Install a new set ring (A) on the left driveshaft (B).
    Fig 8: Installing Set Ring On Left Driveshaft (B)
    G04546542Courtesy of AMERICAN HONDA MOTOR CO., INC.
  13. Install the right and left driveshafts (see FRONT DRIVESHAFT INSTALLATION ). While installing the left driveshaft in the differential, be sure not to allow dust or other foreign particles to enter the transmission.
    NOTE:
    • Clean the areas where the left driveshaft contacts the transmission (differential) with solvent or carburetor cleaner, and dry with compressed air.
    • Turn the right and left steering knuckle fully outward, and slide the left driveshaft into the differential until you feel its set ring engage the side gear. Slide the right driveshaft over the intermediate shaft splines until you feel the driveshaft engage the intermediate shaft set ring.
  14. Support the front subframe with the front subframe adapter (T/N EQS02BMDXSB0) and a jack, and lift it up to the body.
    Fig 9: Supporting Front Subframe With Front Subframe Adapter (T/N EQS02BMDXSB0)
    G04546543Courtesy of AMERICAN HONDA MOTOR CO., INC.
  15. Loosely install the four front subframe mounting bolts (A) and the 12 x 1.25 mm bolts (6) (B), (C) with the stiffeners (D).
    Fig 10: Installing Front Subframe Mounting Bolts
    G04546544Courtesy of AMERICAN HONDA MOTOR CO., INC.
  16. Align all reference marks (A) on the front subframe (B) with the body, then tighten the bolts on the front subframe (C) to the specified torque.
    Fig 11: Aligning Reference Marks (A) On Front Subframe (B)
    G04546545Courtesy of AMERICAN HONDA MOTOR CO., INC.
  17. Install the rear mount bracket bolts.
    Fig 12: Installing Rear Mount Bracket Bolts
    G04546546Courtesy of AMERICAN HONDA MOTOR CO., INC.
  18. Install the transmission lower mount nuts.
    Fig 13: Installing Transmission Lower Mount Nuts
    G04546547Courtesy of AMERICAN HONDA MOTOR CO., INC.
  19. Connect the power steering fluid hose (A) to the pipe (B) at the right front of the subframe (C), then secure the hose with its hose clamp (D).
    Fig 14: Connecting Power Steering Fluid Hose (A) To Pipe (B)
    G04546548Courtesy of AMERICAN HONDA MOTOR CO., INC.
  20. Connect the power steering pressure switch connector.
    Fig 15: Connecting Power Steering Pressure Switch Connector
    G04546549Courtesy of AMERICAN HONDA MOTOR CO., INC.
  21. Install the engine-to-torque converter housing mounting bolts (A).
    Fig 16: Installing Engine-To-Torque Converter Housing Mounting Bolts (A)
    G04546550Courtesy of AMERICAN HONDA MOTOR CO., INC.
  22. Attach the torque converter to the drive plate (B) with eight bolts (C). Rotate the crankshaft pulley as necessary to tighten the bolts to 1/2 of the specified torque, then to the final torque, in a crisscross pattern. After tightening the last bolt, check that the crankshaft rotates freely.
  23. Install the torque converter cover (D).
  24. Tighten the crankshaft pulley bolt as necessary (see INSTALLATION ).
  25. Install the transfer assembly (A) with the new O-ring (B), and dowel pin (C), on the transmission.
    Fig 17: Installing Transfer Assembly (A) With New O-Ring (B), And Dowel Pin (C), On Transmission
    G04546551Courtesy of AMERICAN HONDA MOTOR CO., INC.
  26. Tighten the bolts in a crisscross pattern in two or more steps.
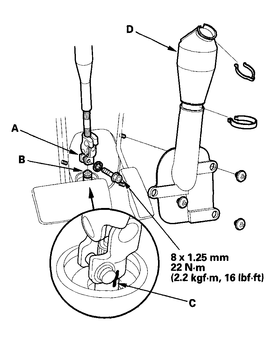
  27. Install the control lever (A) with the shift cable (B) on the control shaft (C), and install the change shaft (D). Do not bend to shift cable excessively.
    Fig 18: Installing Control Lever With Shift Cable On Control Shaft (C)
    G04546552Courtesy of AMERICAN HONDA MOTOR CO., INC.
  28. Install the lock bolt (E) with a new lock washer (F), then bend the lock washer tab against the bolt head.
  29. Install the shift cable holder (G) and the shift cable cover (H).
  30. Install the ball joints on each lower arm (A) to each knuckle (B) with the castle nuts (C) and spring clips (D).
    Fig 19: Installing Ball Joints On Each Lower Arm (A) To Each Knuckle (B) With Castle Nuts (C) And Spring Clips (D)
    G04546553Courtesy of AMERICAN HONDA MOTOR CO., INC.
  31. Install the nuts (E) to the ball joint pins (F) on each stabilizer link (G). Insert a 6 mm Allen wrench (H) in the top of the ball joint pins, and tighten the nuts to the specified torque.
  32. Install the tie-rod end ball joints (I) to each knuckle with the nuts (J) and new cotter pins (K).
  33. Remove the transmission jack from the transmission.
  34. Install the propeller shaft (A) to the transfer companion flange (B) by aligning the reference mark (C).
    Fig 20: Installing Propeller Shaft (A) To Transfer Companion Flange (B) By Aligning Reference Mark (C)
    G04546554Courtesy of AMERICAN HONDA MOTOR CO., INC.
  35. Install the exhaust pipe (A) with the new gaskets (B).
    Fig 21: Installing Exhaust Pipe (A) With New Gaskets (B)
    G04546555Courtesy of AMERICAN HONDA MOTOR CO., INC.
  36. Install the front subframe stiffener.
    Fig 22: Installing Front Subframe Stiffener
    G04546556Courtesy of AMERICAN HONDA MOTOR CO., INC.
  37. Install and tighten the front mount nut.
    Fig 23: Tightening Front Mount Nut
    G04546557Courtesy of AMERICAN HONDA MOTOR CO., INC.
  38. Remove the engine hanger from the engine.
  39. Install the harness cover (A) on the engine harness bracket (B).
    Fig 24: Installing Harness Cover (A) On Engine Harness Bracket (B)
    G04546558Courtesy of AMERICAN HONDA MOTOR CO., INC.
  40. Connect the transmission range switch connector (C), then install it on the connector bracket (D). Install the harness clip (E) on the connector bracket.
  41. Connect the output shaft (countershaft) speed sensor connector (F).
  42. Connect torque converter clutch solenoid connector (A) and shift solenoid valve B connector.
    Fig 25: Connecting Torque Converter Clutch Solenoid Connector (A) And Shift Solenoid Valve B Connector
    G04546559Courtesy of AMERICAN HONDA MOTOR CO., INC.
  43. Install the harness clips (A) on the brackets (B).
    Fig 26: Installing Harness Clips (A) On Brackets (B)
    G04546560Courtesy of AMERICAN HONDA MOTOR CO., INC.
  44. Connect the 6P connector (C), then install it on its connector bracket (D).
  45. Install the transmission ground cable (B).
    Fig 27: Installing Transmission Ground Cable (B)
    G04546561Courtesy of AMERICAN HONDA MOTOR CO., INC.
  46. Connect the connectors to the input shaft (mainshaft) speed sensor (D), 4th clutch transmission fluid pressure switch (E), A/T clutch pressure control solenoid valve C (F), and shift solenoid valves A and C, then install the harness clips (G) on the brackets (H). Do not allow water, fluid, oil, dust, or other foreign particles to enter any of the connectors.
  47. Install the starter (A) on the torque converter housing. Connect the starter cables (B) to the starter, and install the harness clip (C) on the bracket (D). Make sure the crimped side of the starter cable ring terminal is facing out.
    Fig 28: Installing Starter (A) On Torque Converter Housing, Connecting Starter Cables (B) To Starter, And Installing Harness Clip (C) On Bracket (D)
    G04546562Courtesy of AMERICAN HONDA MOTOR CO., INC.
  48. Connect the ATF cooler hoses (A) to the ATF cooler lines (B), then secure the hoses with the clips (C) (see ATF COOLER HOSE INSTALLATION  ).
    Fig 29: Connecting ATF Cooler Hoses (A) To ATF Cooler Lines (B), Then Securing Hoses With Clips (C)
    G04546563Courtesy of AMERICAN HONDA MOTOR CO., INC.
  49. Install the transmission breather tube clamp (A) into its clamp (B).
    Fig 30: Installing Transmission Breather Tube Clamp (A) Into Its Clamp (B)
    G04546564Courtesy of AMERICAN HONDA MOTOR CO., INC.
  50. Install the battery base.
  51. Install the harness bracket on the battery base.
  52. Install the battery tray and battery, then secure the battery with its battery hold-down bracket.
  53. Install the power steering pump outlet hose (A) with a new O-ring (B) to the pump (C), and secure the hose clamp with the bolt.
    Fig 31: Installing Power Steering Pump Outlet Hose (A) With A New O-Ring (B) To Pump (C), And Securing Hose Clamp With Bolt
    G04546565Courtesy of AMERICAN HONDA MOTOR CO., INC.
  54. Install the intake air duct.
  55. Install the intake manifold cover.
    Fig 32: Installing Intake Manifold Cover
    G04546566Courtesy of AMERICAN HONDA MOTOR CO., INC.
  56. Connect the steering joint (A) to the steering gearbox pinion shaft (B) by aligning the reference mark (C), and secure them with the steering joint bolt.
    Fig 33: Connecting Steering Joint (A) To Steering Gearbox Pinion Shaft (B) By Aligning Reference Mark (C)
    G04546567Courtesy of AMERICAN HONDA MOTOR CO., INC.
  57. Install the steering joint cover (D), and put the carpet back.
  58. Refill the power steering system with fluid (see FLUID REPLACEMENT ).
  59. Refill the transmission with ATF (see step  5 ).
  60. Install the splash shield.
  61. Connect the battery positive terminal, then connect negative terminal.
  62. Set the parking brake. Start the engine, and shift the transmission through all gears three times.
  63. Check the shift lever operation, A/T gear position indicator operation, and shift cable adjustment.
  64. Check and adjust the front wheel alignment (see WHEEL ALIGNMENT ).
  65. Start the engine, and let it reach normal operating temperature (the radiator fan comes on) with the transmission in the P or N position, then turn it off and check the ATF level (see ATF LEVEL CHECK  ).
  66. Do the PCM idle learn procedure (see PCM IDLE LEARN PROCEDURE ).
  67. Do the power window control unit reset procedure (see RESETTING THE POWER WINDOW CONTROL UNIT ).
  68. Confirm that all systems work properly.
  69. Perform a road test (see ROAD TEST  ).
  70. Enter the anti-theft code for the radio (and the navigation system), then enter the radio station presets, and set the clock.
  71. Loosen the front mount nut after the road test, then retighten the nut to the specified torque.
    Fig 34: Loosening Front Mount Nut
    G04546568Courtesy of AMERICAN HONDA MOTOR CO., INC.