lemon-mirror:
Home >> Honda >> 2007 >> Element SC, Automatic >> Repair and Diagnosis >> Electrical >> Horns >> Circuit Diagram

Circuit Diagram

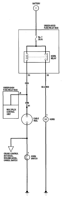
Fig 1: Identifying Horn Circuit Diagram ('07-08 Models)
G05451487Courtesy of AMERICAN HONDA MOTOR CO., INC.
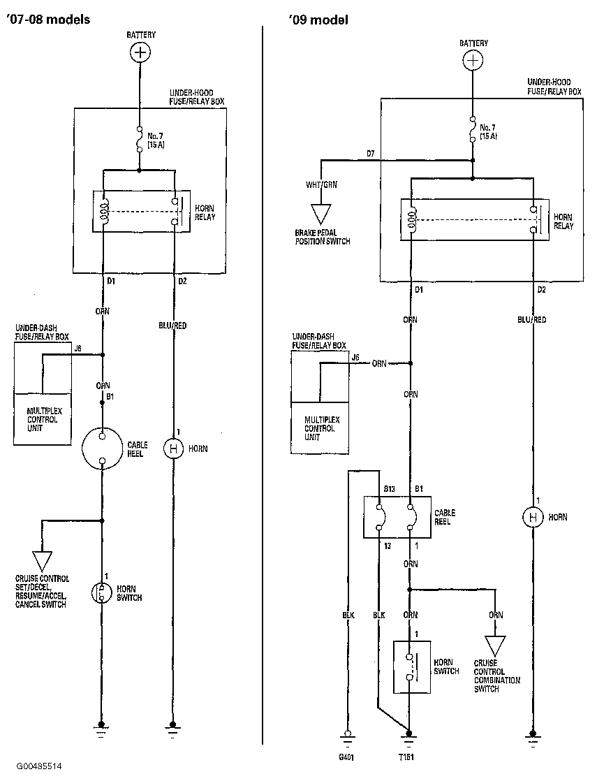
Fig 2: Identifying Horn Circuit Diagram ('09-11 Models)
G00485514Courtesy of AMERICAN HONDA MOTOR CO., INC.