lemon-mirror:
Home >> Honda >> 2007 >> Element SC, Automatic >> Repair and Diagnosis >> Transmission >> Automatic Trans >> Automatic Transmission >> Shift Cable Replacement

Shift Cable Replacement

  1. Raise the vehicle on a lift, or apply the parking brake, block the rear wheels, and raise the front of the vehicle. Make sure it is securely supported.
  2. Remove the center lower cover (see CENTER LOWER COVER REMOVAL/INSTALLATION ).
  3. Move the shift lever to R.
  4. Remove the shift cable insulator (A) from the shift cable (B).
    Fig 1: Identifying Shift Cable Insulator And Shift Cable
    G06267014Courtesy of AMERICAN HONDA MOTOR CO., INC.
  5. Slide the lock tab (A) down on the shift cable end holder (B).
    Fig 2: Sliding Lock Tab On Shift Cable End Holder
    G06267015Courtesy of AMERICAN HONDA MOTOR CO., INC.
  6. Grasp the shift cable lock (C) in the middle with angle-jaw needle-nose pliers (D), and remove it from the shift cable end and shift cable end holder. Do not pry the shift cable lock with a screwdriver, it may damage the shift cable end holder.
  7. Separate the shift cable end (A) from the shift cable end holder (B).
    Fig 3: Identifying Shift Cable End And Shift Cable End Holder
    G06267016Courtesy of AMERICAN HONDA MOTOR CO., INC.
  8. Rotate the socket holder (A) on the shift cable (B) a quarter turn; the tab (C) on the socket holder will be in the opening (D) of the shift cable bracket (E). Then slide the socket holder to remove the shift cable from the shift cable bracket. Do not remove the shift cable by twisting shift cable guide (F) and damper (G).
    Fig 4: Identifying Socket Holder, Shift Cable, Tab And Shift Cable Bracket
    G06267017Courtesy of AMERICAN HONDA MOTOR CO., INC.
  9. Remove the heat shield under the body, and remove the shift cable bracket (A).
    Fig 5: Identifying Shift Cable Bracket
    G06267018Courtesy of AMERICAN HONDA MOTOR CO., INC.
  10. Remove the grommet (B), and pull out the shift cable (C).
  11. Remove the rear mount bolts (A), and lift the rear side of the transmission with a jack, then move the shift cable (B) from inside the rear mount and the front subframe.
    Fig 6: Identifying Grommet And Shift Cable
    G06267019Courtesy of AMERICAN HONDA MOTOR CO., INC.
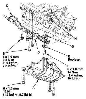
  12. Remove the shift cable cover (A), then remove the bolts (B) securing the shift cable bracket (C) and the shift cable holder (D).
    Fig 7: Shift Cable Cover, Shift Cable Bracket And Shift Cable Holder With Torque Specifications
    G06267020Courtesy of AMERICAN HONDA MOTOR CO., INC.
  13. Pry up the lock tab of the lock washer (E), and remove the lock bolt (F) and the lock washer, then separate the control lever (G) from the selector control shaft (H).
  14. Replace the shift cable, and insert it through the grommet hole. Do not bend the shift cable excessively.
  15. Install the control lever over the selector control shaft. Secure the control lever with a new lock washer and the lock bolt, the bend the lock tab of the lock washer against the bolt head.
  16. Install the shift cable holder and the shift cable bracket, then install the shift cable cover.
  17. Move the shift cable (A) back into position, then lower the transmission jack.
    Fig 8: Shift Cable With Torque Specifications
    G06267021Courtesy of AMERICAN HONDA MOTOR CO., INC.
  18. Tighten the new rear mount bolts (B) to the specified torque.
  19. Install the shift cable bracket (A) on the body, then install the grommet (B) in its hole (C).
    Fig 9: Shift Cable Bracket, Grommet And Hole With Torque Specifications
    G06267022Courtesy of AMERICAN HONDA MOTOR CO., INC.
  20. Turn the ignition switch to ON (II), and check that the R indicator comes on.
    Fig 10: Checking R Indicator
    G06267023Courtesy of AMERICAN HONDA MOTOR CO., INC.
  21. Install the shift cable to the shift lever, and refer to shift cable adjustment (see SHIFT CABLE ADJUSTMENT ).