1 Position
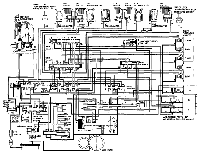
The PCM turns the shift solenoid valves OFF and ON. The conditions of the shift solenoid valves and the positions of the shift valves are as follows:
- Shift solenoid valve A: ON, and shift valve A moves to the left side
- Shift solenoid valve B: ON, and shift valve B moves to the left side
- Shift solenoid valve C: ON, and shift valve C moves to the left side
- Shift solenoid valve D: OFF, and shift valve D remains on the left side
- Shift solenoid valve E: OFF, and shift valve E remains on the left side Line pressure (1) becomes 1st clutch pressure (10) at shift valve B.
Fluid flows to 1st clutch by way of:
Line Pressure (1) → Shift Valve D-Line Pressure (1A) → Shift Valve A-Line Pressure (1B) → Manual Valve-Line Pressure (5A) - Shift Valve C-Line Pressure (5B) → Shift Valve B-1st Clutch Pressure (10) → 1st Clutch
1st clutch pressure (10) is applied to the 1st clutch, and the 1st clutch is engaged.
NOTE:
When used, "left" or "right" indicates direction on the hydraulic circuit.