2 Position
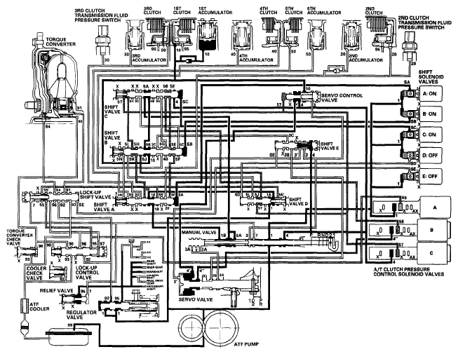
The PCM turns the shift solenoid valves OFF and ON. The conditions of the shift solenoid valves and the positions of the shift valves are as follows:
- Shift solenoid valve A: OFF, and shift valve A remains on the right side
- Shift solenoid valve B: ON, and shift valve B moves to the left side
- Shift solenoid valve C: OFF, and shift valve C remains on the right side
- Shift solenoid valve D: ON, and shift valve D moves to the right side
- Shift solenoid valve E: OFF, and shift valve E remains on the left side
Line pressure (1) changes to line pressure (4) at the manual valve, and flows to shift valve C. Line pressure (4) flows to shift valve A via shift valve B, and becomes 2nd clutch pressure (20). 2nd clutch pressure (20) is applied to the 2nd clutch, and the 2nd clutch is engaged.
NOTE:
When used, "left" or "right" indicates direction on the hydraulic circuit.