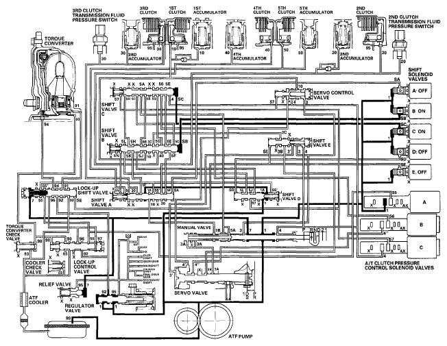
N Position
The PCM controls the shift solenoid valves. The conditions of the shift solenoid valves and positions of the shift valves are as follows:
- Shift solenoid valve A: OFF, and shift valve A remains on the right side
- Shift solenoid valve B: ON, and shift valve B moves to the left side
- Shift solenoid valve C: ON, and shift valve C moves to the left side
- Shift solenoid valve D: OFF, and shift valve D remains on the left side
- Shift solenoid valve E: OFF, and shift valve E remains on the left side
Line pressure (1) flows to the shift solenoid valves and A/T clutch pressure control solenoid valve A. Under this condition, hydraulic pressure is not applied to the clutches.
NOTE:
When used, "left" or "right" indicates direction on the hydraulic circuit.