lemon-mirror:
Home >> Honda >> 2007 >> Element SC, Automatic >> Repair and Diagnosis >> Transmission >> Automatic Trans >> Automatic Transmission >> System Description >> Hydraulic Flow >> P Position

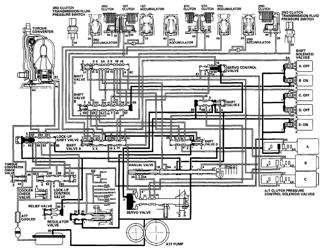
P Position

The PCM turns shift solenoid valves Band E ON, and A, C, and DOFF. Line pressure (1) flows to the shift solenoid valves and A/T clutch pressure control solenoid valve A. Line pressure (3) changes to (3') at shift valve E, and flows to the servo valve. The servo valve is moved to the reverse/park position. Hydraulic pressure is not applied to the clutches.

Fig 1: Automatic Transmission Flow Diagram - P Position
G06266763Courtesy of AMERICAN HONDA MOTOR CO., INC.