lemon-mirror:
Home >> Honda >> 2007 >> Element SC, Automatic >> Repair and Diagnosis >> Transmission >> Automatic Trans >> Automatic Transmission >> Transmission Installation

Transmission Installation

Special Tools Required 

*: These special tools are available through the Honda Tool and Equipment Program 888-424-6857.

NOTE: Use fender covers to avoid damaging pained surfaces.
  1. Clean the ATF cooler (see ATF COOLER CLEANING ).
  2. Install the air cleaner housing mounting bracket (A).
    Fig 1: Air Cleaner Housing Mounting Bracket With Torque Specifications
    G06266952Courtesy of AMERICAN HONDA MOTOR CO., INC.
  3. Install the front mount (A).
    Fig 2: Front Mount With Torque Specifications
    G06266953Courtesy of AMERICAN HONDA MOTOR CO., INC.
  4. Install the rear mount/bracket (A).
    NOTE: The illustration shows the 4WD transmission; the 2WD transmission is similar.
    Fig 3: Rear Mount And Bracket With Torque Specifications
    G06266954Courtesy of AMERICAN HONDA MOTOR CO., INC.
  5. Install a new O-ring (A) on the torque converter (B), then install the torque converter on the mainshaft (C).
    Fig 4: Identifying O-ring, Torque Converter And Mainshaft
    G06266955Courtesy of AMERICAN HONDA MOTOR CO., INC.
  6. Install the 14 x 20 mm dowel pins (D) in the torque converter housing.
  7. Place the transmission on a jack, and raise the transmission to the engine level, then fit the transmission to the engine.
  8. Install the transmission housing rear mounting bolts (A).
    Fig 5: Identifying Transmission Housing Rear Mounting Bolts
    G06266956Courtesy of AMERICAN HONDA MOTOR CO., INC.
  9. Install the transmission housing front mounting bolts (A).
    Fig 6: Transmission Housing Front Mounting Bolts With Torque Specifications
    G06266957Courtesy of AMERICAN HONDA MOTOR CO., INC.
  10. Install the transmission housing upper mounting bolts (A).
    Fig 7: Transmission Housing Upper Mounting Bolts With Torque Specifications
    G06266958Courtesy of AMERICAN HONDA MOTOR CO., INC.
  11. Install the transmission mount bracket. Tighten the mount bolt (A) loosely, and tighten the transmission mount bracket bolt and the nuts to the specified torque, then tighten the mount bolt to the specified torque.
    Fig 8: Transmission Mount Bracket And Bolts With Torque Specifications
    G06266959Courtesy of AMERICAN HONDA MOTOR CO., INC.
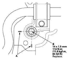
  12. Install a new set ring (A) on the intermediate shaft (B).
    Fig 9: Set Ring And Intermediate Shaft With Torque Specifications
    G06266960Courtesy of AMERICAN HONDA MOTOR CO., INC.
  13. Clean the areas where the intermediate shaft contacts the transmission (differential) with solvent, and dry with compressed air. Apply ATF to the intermediate shaft splines (C), then install the intermediate shaft. Be sure not to allow dust or other foreign particles to enter the transmission.
  14. Install the intermediate shaft cover (D), but do not tighten the bolts.
  15. Tighten the upper right bolt (E) on the cover first, then lower right bolt (F), and lastly the left bolt (G).
  16. Install a new set ring (A) on the left driveshaft (B).
    Fig 10: Identifying Upper Right Bolt, Lower Right Bolt And Left Bolt
    G06266961Courtesy of AMERICAN HONDA MOTOR CO., INC.
  17. Clean the areas where the left driveshaft contacts the transmission (differential) with solvent, and dry with compressed air. Then install the left driveshaft. Be sure not to allow dust or other foreign particles to enter the transmission. Turn the steering knuckle fully outward, and slide the driveshaft into the differential until you feel the set ring fully engage the side gear.
    NOTE: Insert the driveshaft horizontally to prevent damaging the oil seal.
  18. Apply the recommended grease to the right driveshaft inboard-joint splines.
  19. Slide the right driveshaft over the intermediate shaft splines until you feel the driveshaft fully engage the intermediate shaft set ring.
  20. 4WD: Install the No. 1 propeller shaft (A) to the transfer companion flange (B) by aligning the reference mark (C).
    Fig 11: No. 1 Propeller Shaft And Transfer Companion Flange With Torque Specifications
    G06266962Courtesy of AMERICAN HONDA MOTOR CO., INC.
  21. Set the front subframe adapter (VSB02C000016) to the front subframe by looping the strap (A) over the front of the front subframe, then secure the strap with the stop (B), then tighten the wing nut (C).
    Fig 12: Identifying Strap And Wing Nut
    G06266963Courtesy of AMERICAN HONDA MOTOR CO., INC.
  22. Raise the front subframe up to the body, then loosely install the new front subframe mounting bolts (A).
    Fig 13: Identifying Front Subframe Mounting Bolts
    G06266964Courtesy of AMERICAN HONDA MOTOR CO., INC.
  23. Align the reference marks (A) with the center of the front subframe mounting bolts (B), then tighten the bolts to the specified torque.
    Fig 14: Front Subframe Mounting Bolts With Torque Specifications
    G06266965Courtesy of AMERICAN HONDA MOTOR CO., INC.
  24. Install the new rear mount bolts (A).
    Fig 15: Rear Mount Bolts With Torque Specifications
    G06266966Courtesy of AMERICAN HONDA MOTOR CO., INC.
  25. Install the front mount bolt (A) and the nut (B), connect the ATF cooler hose (C) to the ATF cooler line (D), then secure the hose with the clip (see ATF COOLER HOSE REPLACEMENT ).
    Fig 16: Front Mount Bolt, ATF Cooler Hose And Nut With Torque Specifications
    G06266967Courtesy of AMERICAN HONDA MOTOR CO., INC.
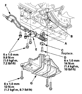
  26. Install the shift cable cover bracket (A).
    Fig 17: Shift Cable Cover Bracket With Torque Specifications
    G06266968Courtesy of AMERICAN HONDA MOTOR CO., INC.
  27. Install the control lever (A) over the selector control shaft (B). Secure the control lever with a new lock washer (C) and the lock bolt (D), then bend the lock tab of the lock washer against the bolt head.
    Fig 18: Control Lever And Selector Control Shaft With Torque Specifications
    G06266969Courtesy of AMERICAN HONDA MOTOR CO., INC.
  28. Install the shift cable holder (E) and the shift cable bracket (F), then install the shift cable cover (G).
  29. Attach the torque converter to the drive plate with the eight bolts (A). Rotate the crankshaft pulley as necessary to tighten the bolts to 1/2 of the specified torque, then to the final torque, in a crisscross pattern. After tightening the last bolt, check that the crankshaft rotates freely.
    Fig 19: Shift Cable Holder, Shift Cable Bracket And Shift Cable Cover With Torque Specifications
    G06266970Courtesy of AMERICAN HONDA MOTOR CO., INC.
  30. Install the torque converter cover (B).
  31. Connect the ball joints (A) to the lower arms (B), and loosely install the new castle nuts (C). Place a floor jack under the lower arm, and raise the front suspension to load it with the vehicle's weight. Do not place the jack against the ball joint pin of the knuckle. Tighten the castle nuts to the specified torque. Keep the ball joint threads free of grease. Install the lock pins (D) from the inside of the vehicle, with their hooked sides facing the front (E) of the vehicle in the direction shown.
    Fig 20: Ball Joints, Lower Arms And Castle Nuts With Torque Specifications
    G06266971Courtesy of AMERICAN HONDA MOTOR CO., INC.
  32. Connect the ball joints (F) to the lower arms, and install the new nuts (G). Insert a 5 mm hex wrench (H) in the top of the ball joint pins (I), and tighten the nuts.
  33. Remove the engine support hanger (AAR-T1256), and remove the engine hanger adapter (VSB02C000015) from the engine.
    Fig 21: Identifying Engine Support Hanger And Engine Hanger Adapter
    G06266972Courtesy of AMERICAN HONDA MOTOR CO., INC.
  34. Install the bolts (A) securing the water line and the harness bracket.
    Fig 22: Harness Bracket And Bolts With Torque Specifications
    G06266973Courtesy of AMERICAN HONDA MOTOR CO., INC.
  35. Connect the ATF cooler hoses (A) to the ATF cooler lines (B) (see ATF COOLER HOSE REPLACEMENT ).
    Fig 23: Identifying ATF Cooler Hoses And ATF Cooler Lines
    G06266974Courtesy of AMERICAN HONDA MOTOR CO., INC.
  36. Connect the shift solenoid harness connector (A), the A/T clutch pressure control solenoid valve B connector (B), and the A/T clutch pressure control solenoid valve C connector (C). Install the harness clamps (D) on the clamp brackets (E).
    Fig 24: Identifying Shift Solenoid Harness Connector And A/T Clutch Pressure Control Solenoid Valve B Connector
    G06266975Courtesy of AMERICAN HONDA MOTOR CO., INC.
  37. Connect the 3rd clutch transmission fluid pressure switch connector (A).
    Fig 25: Identifying 3rd Clutch Transmission Fluid Pressure Switch Connector
    G06266976Courtesy of AMERICAN HONDA MOTOR CO., INC.
  38. Connect the transmission range switch connector (A).
    Fig 26: Identifying Transmission Range Switch Connector
    G06266977Courtesy of AMERICAN HONDA MOTOR CO., INC.
  39. Connect the input shaft (mainshaft) speed sensor connector (B) and the output shaft (countershaft) speed sensor connector (C).
  40. Connect the A/T clutch pressure control solenoid valve A connector (A) and the 2nd clutch transmission fluid pressure switch connector (B), and install the harness clamps (C) on the clamp brackets (D).
    Fig 27: A/T Clutch Pressure Control Solenoid Valve A Connector And 2nd Clutch Transmission Fluid Pressure Switch Connector With Torque Specifications
    G06266978Courtesy of AMERICAN HONDA MOTOR CO., INC.
  41. Install the transmission ground terminal (E).
  42. Install the battery base (see step 50 under ENGINE INSTALLATION ), then install the harness clamp on the clamp bracket on the base.
  43. Refill the transmission with ATF (see step 5 on ATF REPLACEMENT ).
  44. Install the intake air duct and air cleaner assembly (see AIR CLEANER REMOVAL/INSTALLATION ).
  45. Do the battery installation procedure (see BATTERY REMOVAL AND INSTALLATION ).
  46. Set the parking brake. Start the engine, and shift the transmission through all gears three times while pressing the brake pedal.
  47. Check the shift lever operation, the A/T gear position indicator operation, and the shift cable adjustment.
  48. Check and adjust the front wheel alignment (see WHEEL ALIGNMENT ).
  49. Install the splash shield.
  50. Start the engine with the shift lever in P or N, and warm it up to normal operating temperature (the radiator fan comes on).
  51. Turn the engine off, and check the ATF level (see ATF LEVEL CHECK ).
  52. Do the road test (see ROAD TEST ).
  53. Loosen the bolts of the front mount, rear mount, and transmission mount after the road test.
  54. Tighten the transmission mount bolt to 54 N.m (5.5 kgf.m, 40 lbf.ft), tighten the rear mount bolt to 64 N.m (6.5 kgf.m, 47 lbf.ft), and lastly tighten the front mount bolt to 64 N.m (6.5 kgf.m, 47 lbf.ft) (see ENGINE INSTALLATION ).