lemon-mirror:
Home >> Honda >> 2007 >> Fit Base, Automatic >> Repair and Diagnosis >> Body & Frame >> Windows >> Power Windows >> Circuit Diagram

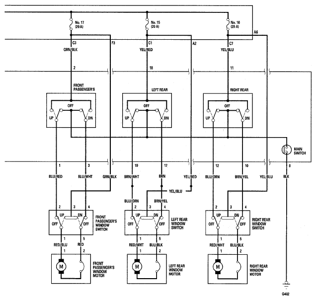
Circuit Diagram

Fig 1: Power Windows Circuit Diagram (1 Of 2)
G05456660Courtesy of AMERICAN HONDA MOTOR CO., INC.
Fig 2: Power Windows Circuit Diagram (2 Of 2)
G05456661Courtesy of AMERICAN HONDA MOTOR CO., INC.