lemon-mirror:
Home >> Honda >> 2007 >> Fit Base, Automatic >> Repair and Diagnosis >> Transmission >> Automatic Trans >> Automatic Transmission >> Transmission Installation

Transmission Installation

Special Tools Required 

NOTE: Use fender covers to avoid damaging painted surfaces.
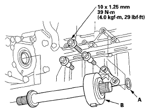
  1. Install the torque converter (A) on the mainshaft (B) with the new O-ring (C).
    Fig 1: Identifying Torque Converter, Mainshaft, New O-Ring And Dowel Pins
    G05455358
  2. Install the 14 x 20 mm dowel pins (D) in the torque converter housing.
  3. Install the rear mount base bracket.
    Fig 2: Rear Mount Base Bracket With Torque Specification
    G05455359
  4. Install the rear mount/bracket.
    Fig 3: Rear Mount/Bracket With Torque Specification
    G05455360
  5. Place the transmission on the jack, and raise the transmission to the engine level.
  6. Install the rear and lower transmission housing mounting bolts.
    Fig 4: Rear And Lower Transmission Housing Mounting Bolts With Torque Specification
    G05455361
  7. Remove the jack from under the transmission.
  8. Install the transmission mount bracket (A), and install the transmission mount bolt (B) loosely.
    Fig 5: Transmission Mount Bracket, Bolt, Ground Cable Terminal And Breather Tube With Torque Specifications
    G05455362
  9. Install arid tighten the bracket bolt and nuts to the specified torque, then tighten the mount bolt to the specified torque.
  10. Install the transmission ground cable terminal (C) and the breather tube (D).
  11. Install the headlight harness cover.
  12. Support the front subframe with a jack, and lift it up to the body.
    Fig 6: Supporting Front Subframe With Jack
    G05455363
  13. Install the front subframe on the body, and install the steering gearbox on the subframe, then tighten the new mounting bolts (4).
    Fig 7: Front Subframe Mounting Bolts With Torque Specification
    G05455364
  14. Install the rear mount bracket bolts.
    Fig 8: Rear Mount Bracket Bolts With Torque Specification
    G05455365
  15. Install the steering gearbox mounting bolts with the bracket and the stiffener.
    Fig 9: Steering Gearbox Mounting Bolts With Bracket And Stiffener With Torque Specifications
    G05455366
  16. Install the steering gearbox mounting bolts with its bracket.
    Fig 10: Steering Gearbox Mounting Bolts With Bracket With Torque Specification
    G05455367
  17. Attach the torque converter to the drive plate with eight bolts (A). Rotate the crankshaft pulley as necessary to tighten the bolts to 1/2 of the specified torque, then to the final torque, in a crisscross pattern. After tightening the last bolt, check that the crankshaft rotates freely. Then install the torque converter cover (B).
    Fig 11: Torque Converter Cover And Bolts With Torque Specifications
    G05455368
  18. Install the new set ring (A) on the intermediate shaft (B).
    Fig 12: Set Ring And Intermediate Shaft With Bolts With Torque Specification
    G05455369
  19. Clean the areas where the intermediate shaft contact the transmission (differential) with the solvent, and dry with the compressed air. Apply ATF to the intermediate shaft splines, then install the intermediate shaft. Be sure not to allow dust or other foreign particles to enter the transmission.
  20. Apply grease to the contact area between the driveshaft and the wheel bearing (see A/T MODEL ).
  21. Install new set ring on the driveshaft.
    Fig 13: Identifying Set Ring On Driveshaft
    G05455370
  22. Clean the areas where the driveshaft contacts the transmission (differential) with the solvent, and dry with compressed air. Insert the driveshaft into the differential and intermediate shaft until the set ring locks in the groove.
  23. Connect the lower arm ball joints (A) to the knuckles (B), and install the castle nuts (C), then secure them with the spring clips (D).
    Fig 14: Lower Arm Ball Joints, Knuckles, Spring Clips, Cotter Pins And Nuts With Torque Specifications
    G05455371
  24. Connect the tie-rod end ball joints (E) to the knuckles, and install the ball joint nuts (F), then secure them with new cotter pins (G).
  25. Install the stabilizer link (H) to the front stabilizer (I). Insert a 5 mm Allen wrench (J) in the ends of the ball joint pins (K), and tighten the nuts (L).
  26. Install the driveshaft (M) through the hub, and install the new spindle nuts on the driveshafts. Stake the spindle nuts into the driveshafts (see step 9 on A/T MODEL ).
  27. Install the control lever (A) over the selector control shaft (B). Secure the control lever with the new lock washer (C) and the lock bolt (D), then bend the lock tab of the lock washer against the bolt head.
    Fig 15: Control Lever, Selector Control Shaft. Lock Washer, Lock Bolt, Shift Cable Cover And Holder With Torque Specifications
    G05455372
  28. Install the shift cable holder (E), then install the shift cable cover (F).
  29. Install the splash shield.
  30. Install the front wheels.
  31. Install the front transmission housing mounting bolts.
    Fig 16: Front Transmission Housing Mounting Bolts With Torque Specification
    G05455373
  32. Remove the engine support hanger and the universal eyelet.
  33. Install the air cleaner bracket.
    Fig 17: Air Cleaner Bracket With Torque Specification
    G05455374
  34. Install the ATF cooler hoses (A) (see ATF COOLER HOSE REPLACEMENT ).
    Fig 18: Identifying ATF Cooler Hoses, Harness Clamp And Connectors
    G05455375
  35. Connect the shift solenoid harness connector (B) and the 3rd clutch transmission fluid pressure switch connector (C).
  36. Install the harness clamps (D).
  37. Connect the transmission range switch harness connector (A), the 2nd clutch transmission fluid pressure switch connector (B), the input shaft (mainshaft) speed sensor connector (C), and the output shaft (countershaft) speed sensor connector (D).
    Fig 19: Identifying Connectors And Harness Clamp
    G05455376
  38. Install the A/F sensor connector (E) to the clamp bracket.
  39. Install the harness clamp (F).
  40. Connect the A/T clutch pressure control solenoid valve A connector, the solenoid valve B connector, and the solenoid valve C connector.
    Fig 20: Connectors, Harness Clamp And Cover With Torque Specification
    G05455377
  41. Install the clamp (D), then install the mounting bolts securing the harness cover (E).
  42. Install the harness clamp (F).
  43. Install the battery base, then install the harness clamps to the battery base.
  44. Install the battery tray and the battery, then secure the battery with its hold-down bracket.
  45. Refill the transmission with ATF (see step 6 on ; ATF REPLACEMENT ).
  46. Connect the battery terminals, and apply grease around the battery terminals to prevent corrosion.
  47. Install the air cleaner assembly (see AIR CLEANER REMOVAL/INSTALLATION ).
  48. Set the parking brake. Start the engine, and shift the transmission through all positions three times.
  49. Check the shift lever operation, the A/T gear position indicator operation, and the shift cable adjustment.
  50. Check and adjust the front wheel alignment (see WHEEL ALIGNMENT ).
  51. Start the engine in P or N, and warm it up to normal operating temperature (the radiator fan comes on). Turn off the engine, and check the ATF level (see ATF LEVEL CHECK ).
  52. Enter the anti-theft code for the audio system. Set the clock.
  53. Road-test the vehicle (see ROAD TEST ).