lemon-mirror:
Home >> Honda >> 2007 >> Odyssey EX >> Repair and Diagnosis >> Engine Performance >> Ignition System >> Circuit Diagram

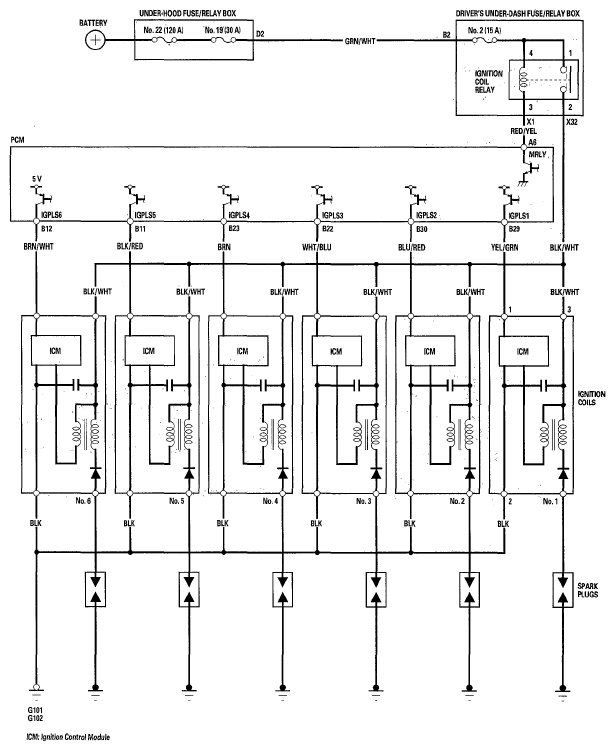
Circuit Diagram

Fig 1: Ignition System - Circuit Diagram
G05522625Courtesy of AMERICAN HONDA MOTOR CO., INC.