lemon-mirror:
Home >> Honda >> 2007 >> Odyssey EX >> Repair and Diagnosis >> Engine Performance >> System >> PGM-FI System >> Knock Sensor Replacement

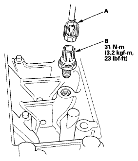
Knock Sensor Replacement

  1. Remove the intake manifold (see REMOVAL ).
  2. Remove the injector rails and the injector base.
  3. Disconnect the knock sensor 1P connector (A), then remove the knock sensor (B).
    Fig 1: Lnock Sensor 1P Connector And Knock Sensor With Torque Specifications
    G06276806Courtesy of AMERICAN HONDA MOTOR CO., INC.
  4. Install the parts in the reverse order of removal.