lemon-mirror:
Home >> Honda >> 2007 >> Pilot EX, 3.5 YF2 >> Repair and Diagnosis >> Engine Performance >> System >> PGM-FI System >> PCM Replacement

PCM Replacement

Special Tools Required 

NOTE:
  • Make sure the HDS is loaded with the latest software version.
  • If you are replacing the PCM after substituting a known-good PCM, reinstall the original PCM, then do this procedure.
  • During the procedure, is any READ DATA, WRITE DATA, or other data checks fail, note the failure, then continue.
  1. Connect the HDS to the data link connector (DLC) (A) located under the driver's side of the dashboard.
    Fig 1: Identifying Data Link Connector
    G05593774Courtesy of AMERICAN HONDA MOTOR CO., INC.
  2. Turn the ignition switch ON (II).
  3. Make sure the HDS communicates with the PCM. If it doesn't, go to the DLC CIRCUIT TROUBLESHOOTING  (see ). If you are returning from DLC circuit troubleshooting, skip steps 4 through  7,  16 through  18, and  21 through  22, and do the following procedures after replacing the PCM;
  4. Select the PGM-FI system with the HDS.
  5. Select the INSPECT/ON MENU with the HDS.
  6. Select the ETCS TEST, then select the TP POSITION CHECK, and follow the screen prompts.
    NOTE: If the TP POSITION CHECK indicates FAILED, continue with this procedure.
  7. Select the REPLACE PCM MENU, then READ DATA and follow the screen prompts.
    NOTE:
    • Doing this step copies (READS) the engine oil life data from the original PCM so you can later download (WRITES) it into the new PCM.
    • If READ DATA indicates FAILED, continue with this procedure.
  8. Turn the ignition switch OFF.
  9. Jump the SCS line with the HDS.
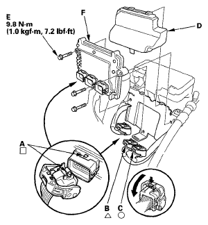
  10. Remove the cover (D).
    Fig 2: PCM And Fasteners With Torque Specifications
    G05593775Courtesy of AMERICAN HONDA MOTOR CO., INC.
  11. Disconnect the PCM connectors A, B, and C.
    NOTE: The PCM connectors A, B, and C have symbols (A=□, B=Δ, C=◦) embossed on them for identification.
  12. Remove the bolts (E), then remove the PCM (F).
  13. Install the parts in the reverse order of removal.
  14. Turn the ignition switch ON (II).
  15. Manually input the VIN to the PCM with the HDS.
    NOTE: DTC P0630 "VIN Not Programmed or Mismatch" may be stored because the VIN has not been programmed into the PCM; ignore it, and continue this procedure.
  16. If the READ DATA (engine oil life) failed in step  7, go to step  19. Otherwise, go to step 17.
  17. Select the PGM-FI system with the HDS.
  18. Select the REPLACE PCM MENU, then WRITE DATA and follow the screen prompts.
    NOTE: If the WRITE DATA indicates FAILED, continue with this procedure.
  19. Select IMMOBI system with the HDS.
  20. Enter the immobilizer code with the PCM replacement procedure in the HDS; it allows you to start the engine.
  21. If the TP POSITION CHECK failed in step  6 clean the throttle body (see THROTTLE BODY CLEANING ), then go to step 22.
  22. If the READ DATA failed in step  7 or the WRITE DATA failed in step  18, replace the engine oil (see ENGINE OIL REPLACEMENT ) and the engine oil filter (see ENGINE OIL FILTER REPLACEMENT ), then go to step 23.
  23. Select PGM-FI system and reset the PCM with the HDS.
  24. Update the PCM if it does not have the latest software (see UPDATING THE PCM ).
  25. Do the PCM idle learn procedure (see PCM IDLE LEARN PROCEDURE ).
  26. Do the CKP pattern learn procedure (see CRANK (CKP) PATTERN CLEAR/CRANK (CKP) PATTERN LEARN ).