lemon-mirror:
Home >> Honda >> 2007 >> Ridgeline RT >> Repair and Diagnosis >> Transmission >> Automatic Trans >> Automatic Transmission >> Automatic Transmission >> Transmission Reassembly >> Exploded View

Exploded View

Bolt Tightening Torque: 

6 x 1.0 mm: 12 N.m (1.2 kgf.m, 8.7 lbf.ft) 

8 x 1.25 mm: 18 N.m (1.8 kgf.m, 13 lbf.ft) 

Fig 1: Exploded View Of Automatic Transmission With Torque Specifications
G05592804Courtesy of AMERICAN HONDA MOTOR CO., INC.

Special Tools Required 

Mainshaft holder 07GAB-PF50101 or 07GAB-PF50100

  1. Make sure that the ATF magnet is cleaned and installed in the torque converter housing. Clean and install the ATF magnet, if necessary.
  2. Install the main separator plate and the two dowel pins on the torque converter housing. Then install the ATF pump drive gear (A), driven gear (B), and the ATF pump driven gear shaft (C). Install the ATF pump driven gear with its grooved and chamfered side facing down.
    Fig 2: Identifying ATF Pump Drive Gear, Driven Gear And ATF Pump Driven Gear Shaft
    G05592805Courtesy of AMERICAN HONDA MOTOR CO., INC.
  3. Install the torque converter check valve spring and the valve in the torque converter housing.
  4. Install the main valve body (seven 6 mm bolt and three 8 mm bolts). Make sure the ATF pump drive gear (A) rotates smoothly in the normal operating direction, and the ATF pump driven gear shaft (C) moves smoothly in the axial and normal operating direction.
    Fig 3: Inspecting ATF Pump Drive Gear And ATF Pump Driven Gear Shaft
    G05592806Courtesy of AMERICAN HONDA MOTOR CO., INC.
  5. If the ATF pump drive gear and ATF pump driven gear shaft do not move smoothly, loosen the main valve body bolts. Realign the ATF pump driven gear shaft, and retighten the bolts to the specified torques, then recheck. Failure to align the ATF pump driven gear shaft correctly will result in a seized ATF pump drive gear or ATF pump driven gear shaft.
  6. Install the lubrication check valve, cooler check valve and cooler check valve spring in the main valve body. Install the lubrication check valve in the direction shown in the exploded view.
  7. Install the secondary separator plate and the two dowel pins on the main valve body, and install the secondary valve body (one bolt).
  8. Install the three check balls and choke in the secondary valve body.
  9. Install the accumulator separator plate and the two dowel pins on the secondary valve body.
  10. Position the detent arm on the accumulator separator plate, and install the detent arm shaft into the detent arm through the separator plates to the main valve body.
  11. Install the 8 x 62 mm ATF feed pipe in the main valve body, and install the accumulator body (11 bolts).
  12. Install the regulator separator plate and the two dowel pins on the main valve body.
  13. Install the new O-ring on the stator shaft, and install the stator shaft and the regulator valve body (eight bolts).
  14. Install the stator shaft stop in the main valve body.
  15. Install the new O-ring on the ATF strainer, and install the ATF strainer with the one bolt. Install the baffle plate with the one bolt through the ATF bolt hole in step  20.
  16. Install the ATF passage pipe (one bolt) in the torque converter housing.
  17. Install the intermediary shaft (A) into the main valve body, and install the 26.5 mm washer (B) on the top of the intermediary shaft.
    Fig 4: Intermediary Shaft, Transfer Output Shaft And Differential Assembly With Torque Specifications
    G05592807Courtesy of AMERICAN HONDA MOTOR CO., INC.
  18. Install the transfer output shaft (C) in the torque converter housing, and install the thrust shim (D) on the top of the transfer output shaft.
  19. Install the differential assembly (E) in the torque converter housing.
  20. Install the baffle plate (F), and make sure if the differential is clear of the baffle plate.
  21. Install the selector control shaft and the park lever link (G).
  22. Assemble the mainshaft, the countershaft, and the secondary shaft.
  23. Install the needle bearing (A) on the secondary shaft roller bearing in the torque converter housing.
    Fig 5: Identifying Needle Bearing On Secondary Shaft Roller Bearing In Torque Converter Housing
    G05592808Courtesy of AMERICAN HONDA MOTOR CO., INC.
  24. Turn the shift fork shaft (B) so the large chamfered hole is facing the fork bolt hole of the shift fork.
  25. Engage the shift fork (C) with the reverse selector on the countershaft, and join the mainshaft (D), countershaft (E), and the secondary shaft (F), then install them in the torque converter housing and shift fork on the shift fork shaft.
  26. Secure the shift fork (A) to the shift fork shaft with the lock bolt and a new lock washer (B), then bend the lock tab of the lock washer against the bolt head.
    Fig 6: Shift Fork, Lock Bolt And Lock Washer With Torque Specifications
    G05592809Courtesy of AMERICAN HONDA MOTOR CO., INC.
  27. Install the park pawl shaft (A), the pawl spring (B), the park pawl (C), and the park pawl stop (D).
    Fig 7: Identifying Park Pawl Shaft, Pawl Spring, Park Pawl And Park Pawl Stop
    G05592810Courtesy of AMERICAN HONDA MOTOR CO., INC.
  28. Align the control lever pin with the manual valve guide.
    Fig 8: Aligning Control Lever Pin With Manual Valve Guide
    G05592811Courtesy of AMERICAN HONDA MOTOR CO., INC.
  29. Hook the detent arm spring to the detent arm.
    Fig 9: Hooking Detent Arm Spring To Detent Arm
    G05592812Courtesy of AMERICAN HONDA MOTOR CO., INC.
  30. Install the 8 x 85 mm ATF feed pipe (A), the 8 x 151.5 mm pipes (B), and the 8 x 40 mm pipe (C) in the accumulator body.
    Fig 10: Identifying 8 x 85 mm ATF Feed Pipe, 8 x 151.5 mm Pipes And 8 x 40 mm Pipe
    G05592813Courtesy of AMERICAN HONDA MOTOR CO., INC.
  31. Install the 8 x 57.6 mm ATF feed pipe (A) and the 10 x 123 mm pipe (B) in the torque converter housing.
    Fig 11: Identifying 8 x 57.6 mm ATF Feed Pipe And 10 x 123 mm Pipe
    G05592814Courtesy of AMERICAN HONDA MOTOR CO., INC.
  32. Install the two dowel pins (A) and the new gasket (B) on the torque converter housing (C).
    Fig 12: Identifying Dowel Pins And Gasket On Torque Converter Housing
    G05592815Courtesy of AMERICAN HONDA MOTOR CO., INC.
  33. Place the transmission housing (D) on the torque converter housing.
  34. Wrap the screwdriver tip with tape to prevent damage to the reverse idler gear teeth. Engage the reverse idler gear with reverse gears by rotating the idler gear using the screwdriver.
    Fig 13: Rotating Idler Gear Using Screwdriver
    G05592816Courtesy of AMERICAN HONDA MOTOR CO., INC.
  35. While expanding the snap ring of the countershaft bearing with snap ring pliers, install the transmission housing onto the bearing part-way. Then release the snap ring pliers, and push down on the housing until it bottoms and the snap ring snaps into place in the transmission housing snap ring groove.
    Fig 14: Expanding Snap Ring Of Countershaft Bearing With Snap Ring Pliers
    G05592817Courtesy of AMERICAN HONDA MOTOR CO., INC.
  36. Install the transmission housing mounting bolts (10 x 1.25 mm) (23 bolts) along with the transmission hanger (A) and the transmission ground terminal bracket (B).
    Fig 15: Locating Transmission Housing Mounting Bolts With Torque Specifications
    G05592818Courtesy of AMERICAN HONDA MOTOR CO., INC.
  37. Tighten the 21 bolts to 44 N.m (4.5 kgf.m, 33 lbf.ft) in two or more steps in crisscross pattern.
  38. Tighten the two bolts (C) to 39 N.m (4.0 kgf.m, 29 lbf.ft). Keep the bolts free of grease or oil.
  39. Install and tighten the 12 x 1.25 mm bolt (D) to 64 N.m (6.5 kgf.m, 47 lbf.ft).
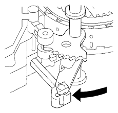
  40. Install the mainshaft holder onto the mainshaft.
    Fig 16: Identifying Mainshaft Holder Installed On Mainshaft
    G05592819Courtesy of AMERICAN HONDA MOTOR CO., INC.
  41. Install the new lock washer (A) with the marked side (B) up over the mainshaft (C), and apply the surface of the lock washer and old locknut (D) with ATF.
    Fig 17: Identifying Lock Washer Marked Side
    G05592820Courtesy of AMERICAN HONDA MOTOR CO., INC.
  42. Install the old locknut, and tighten it to seat the lock washer to 178 N.m (18.2 kgf.m, 132 lbf.ft), then remove the old locknut.
  43. Install the new locknut and tighten it to 176 N.m (18.2 kgf.m, 132 lbf.ft), then stake the locknut into its shaft in depth (A) of 0.7-1.3 mm (0.03-0.05 in.) using a 3.5 mm punch (B).
    Fig 18: Staking Locknut Into Its Shaft
    G05592821Courtesy of AMERICAN HONDA MOTOR CO., INC.
  44. Install the end cover (A), the dowel pin (B), and a new O-ring (C).
    Fig 19: End Cover And Snap Ring Cap With Torque Specifications
    G05592822Courtesy of AMERICAN HONDA MOTOR CO., INC.
  45. Install the snap ring cap (D) with a new O-ring (E).
  46. Apply thread lock sealant to the threads of the sealing plug (F), and install the sealing plug and a new sealing washer (G).
  47. Install a new O-ring (E) on the solenoid harness connector (F).
    Fig 20: O-Ring And Solenoid Harness Connector With Torque Specifications
    G05592823Courtesy of AMERICAN HONDA MOTOR CO., INC.
  48. Route the solenoid harness through the transmission housing, and install the solenoid harness connector.
  49. Connect the harness terminals to the solenoid:
    • GRN wire connector to shift solenoid valve C.
    • YEL wire connector to the torque converter clutch solenoid valve (D).
    • RED wire connector to shift solenoid valve A.
    • ORN wire connector to shift solenoid valve B.
  50. Secure the solenoid harness connector with the bolt on the transmission housing.
  51. Install the solenoid valve cover (A) with the two dowel pins (B) and a new gasket (C), and secure it with the seven bolts.
    Fig 21: Solenoid Valve Cover And Fasteners With Torque Specifications
    G05592824Courtesy of AMERICAN HONDA MOTOR CO., INC.
  52. Place a new gasket (A) on the solenoid valve cover, then install the 8 x 102.8 mm ATF feed pipe (B) and the 8 x 55.3 mm pipes (C) with the filter end in the transmission housing.
    Fig 22: Solenoid Valve Cover Gasket, 8 x 102.8 mm ATF Feed Pipe And 8 x 55.3 mm Pipes And Fasteners With Torque Specifications
    G05592825Courtesy of AMERICAN HONDA MOTOR CO., INC.
  53. Install new O-rings (D) over the ATF feed pipes, and install A/T clutch pressure control solenoid valves A and B (E).
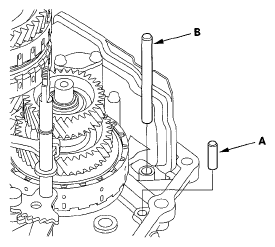
  54. Install the 8 x 53 mm ATF joint pipe (A) with the filter end into its mounting hole (B).
    Fig 23: Identifying 8 x 53 mm ATF Joint Pipe And Its Mounting Hole
    G05592826Courtesy of AMERICAN HONDA MOTOR CO., INC.
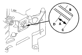
  55. Check the height (A) of the 8 x 53 mm ATF joint pipe (B) between the top (C) of the pipe and the solenoid valve body mounting surface (D). The height is about 7 mm (0.3 in.) If the height is over 7 mm (0.3 in.), push the pipe until it bottoms in the accumulator body.
    Fig 24: Checking Height Of ATF Joint Pipe Between Top Of Pipe And Solenoid Valve Body Mounting Surface
    G05592827Courtesy of AMERICAN HONDA MOTOR CO., INC.
  56. Install a new gasket (A) on the transmission housing, and install the 8 x 36 mm ATF joint pipe (B) with the filter end in the transmission housing and the 8 x 25.2 mm ATF pipe (D).
    Fig 25: Transmission Housing Gasket And ATF Joint Pipes And Fasteners With Torque Specifications
    G05592828Courtesy of AMERICAN HONDA MOTOR CO., INC.
  57. Install new O-rings (E) over the ATF joint pipes.
  58. Install A/T clutch pressure control solenoid valve (C).
  59. With a 6.0 mm wrench, turn the control shaft fully counterclockwise (view from shaft end) to P. Turn the control shaft back two click-stopped position so that the shift position is in N.
    Fig 26: Turning Control Shaft Fully Counterclockwise (View From Shaft End) To P
    G05592829Courtesy of AMERICAN HONDA MOTOR CO., INC.
  60. Set the transmission range switch (A) to the N position. The transmission range switch clicks in the N position, and the selector control shaft hole (B) aligns with the N positioning line (C).
    Fig 27: Setting Transmission Range Switch To N Position
    G05592830Courtesy of AMERICAN HONDA MOTOR CO., INC.
  61. Install the transmission range switch gently over the selector control shaft (D), and install the bolts loosely.
  62. Install the new lock washer (A) over the selector control shaft (B) by aligning the projection (C) of the lock washer with the N positioning line (D) on the transmission range switch (E), and install the locknut (F).
    Fig 28: Selector Control Shaft Lock Washer And Fasteners With Torque Specifications
    G05592831Courtesy of AMERICAN HONDA MOTOR CO., INC.
  63. Push the locknut against the transmission housing to seat the range switch into the selector control shaft, and tighten the locknut to 12 N.m (1.2 kgf.m, 8.7 lbf.ft) while holding the selector control shaft with a 6 mm wrench, then bend the lock tabs against the locknut.
    Fig 29: Tightening Locknut While Holding Selector Control Shaft
    G05592832Courtesy of AMERICAN HONDA MOTOR CO., INC.
  64. Tighten the transmission range switch mounting bolts to 12 N.m (1.2 kgf.m, 8.7 lbf.ft).
  65. Install the control lever (A), the spring washer (B), the lock washer (C), and the locknut (D) on the selector control shaft (E).
    Fig 30: Control Lever, Spring Washer, Lock Washer And Locknut Of Selector Control Shaft With Torque Specifications
    G05592833Courtesy of AMERICAN HONDA MOTOR CO., INC.
  66. Install a new O-ring (A) on the input shaft (mainshaft) speed sensor (B), and install the input shaft (mainshaft) speed sensor.
    Fig 31: Input And Output Shafts Speed Sensors And Fasteners With Torque Specifications
    G05592834Courtesy of AMERICAN HONDA MOTOR CO., INC.
  67. Install a new O-ring (C) on the output shaft (countershaft) speed sensor (D), and install the output shaft (countershaft) speed sensor.
  68. Install the 4th clutch transmission fluid pressure switch (A) with a new sealing washer (B). Tighten the switch by gripping the metal part.
    Fig 32: 4th Clutch Transmission Fluid Pressure Switch And Sealing Washer With Torque Specifications
    G05592835Courtesy of AMERICAN HONDA MOTOR CO., INC.
  69. Install the 3rd clutch transmission fluid pressure switch (A) with a new sealing washer (B). Tighten the switch by gripping the metal part.
    Fig 33: Fluid Pressure Switch, Sensors, And ATF Line Pipes With Torque Specifications
    G05592836Courtesy of AMERICAN HONDA MOTOR CO., INC.
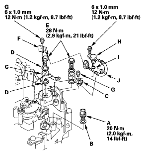
  70. Install the ATF cooler lines (C) with the new sealing washers (D) and the line bolts (E).
  71. Install the connector bracket (F), and secure the ATF line with the 6.0 mm bolts (G) on the transmission housing. Tighten the bolt to 12 N.m (1.2 kgf.m, 8.7 lbf.ft).
  72. Install the ATF temperature sensor (H) with the new O-ring (I). Install the harness clamp (J) on the clamp bracket, and install the connector on the connector bracket.
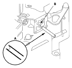
  73. Install the ATF dipstick guide pipe (A) with a new O-ring (B).
    Fig 34: Identifying ATF Dipstick Guide Pipe And O-Ring
    G05592837Courtesy of AMERICAN HONDA MOTOR CO., INC.
  74. Install the ATF dipstick (C) in the guide pipe.