lemon-mirror:
Home >> Honda >> 2007 >> S2000 >> Repair and Diagnosis >> Engine Performance >> Fuel Delivery >> Fuel And Emissions Systems >> System Description >> Vacuum Distribution

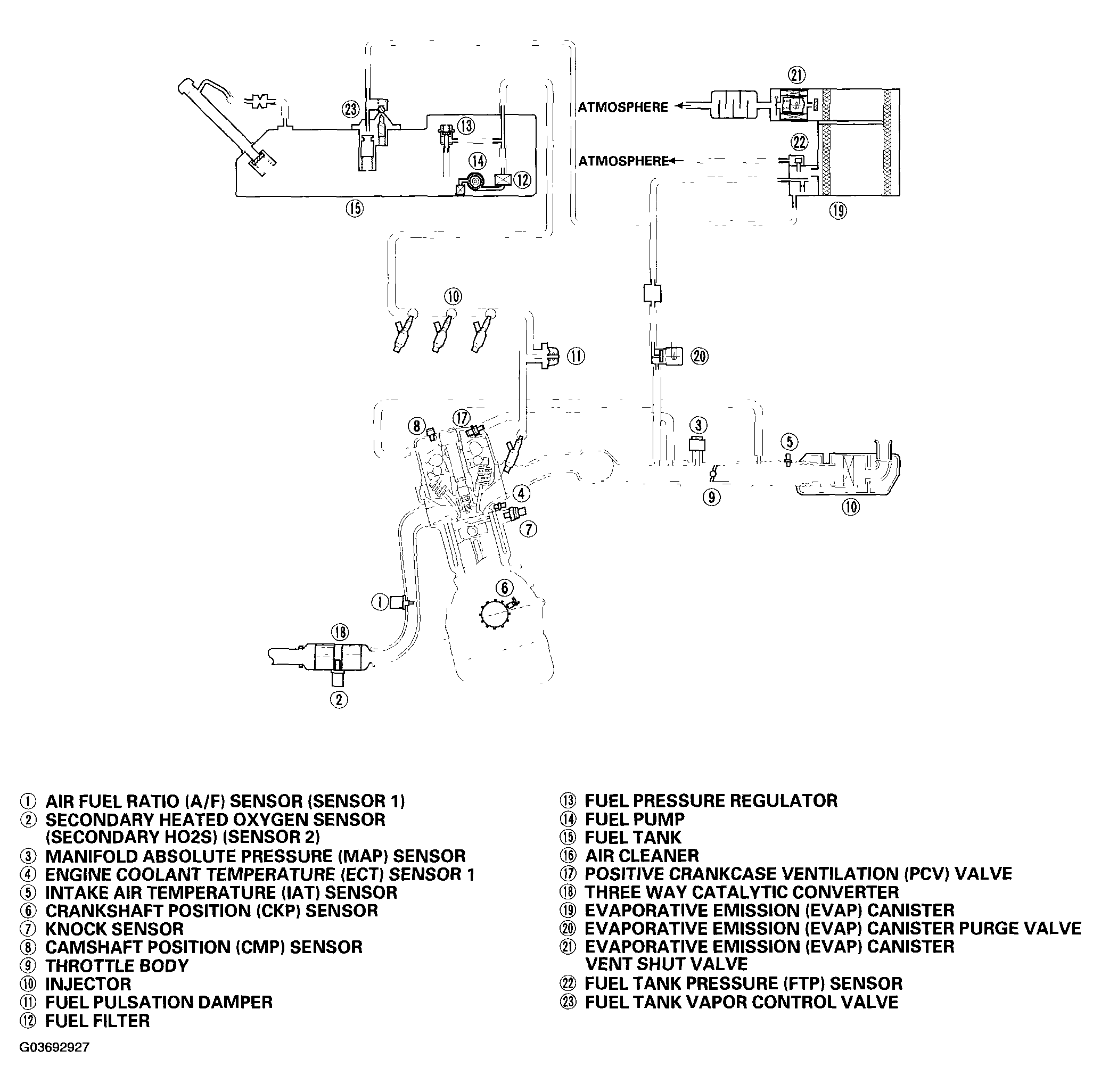
Vacuum Distribution

Fig 1: Identifying Vacuum Distribution Flow
G03692927Courtesy of AMERICAN HONDA MOTOR CO., INC.