lemon-mirror:
Home >> Honda >> 2008 >> Element SC, Automatic >> Repair and Diagnosis >> Body & Frame >> Mirrors >> Power Mirrors >> Power Mirror Switch TEST/REPLACEMENT

Power Mirror Switch TEST/REPLACEMENT

  1. Remove the driver's door panel (see FRONT DOOR PANEL REMOVAL/INSTALLATION ).
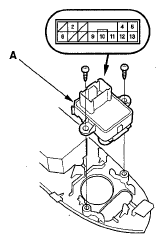
  2. Disconnect the 13P connector from the power mirror switch (A).
    Fig 1: Identifying Power Mirror Switch 13P Connector Terminals
    G05451476Courtesy of AMERICAN HONDA MOTOR CO., INC.
  3. Check for continuity between the terminals in each switch position according to the table below.
    Fig 2: Identifying Power Mirror Switch Terminals Continuity Table
    G05451477Courtesy of AMERICAN HONDA MOTOR CO., INC.
  4. If the continuity is not as specified, remove the screws and replace the switch.