lemon-mirror:
Home >> Honda >> 2011 >> Insight Base >> Repair and Diagnosis >> Body & Frame >> Ignition Switch/Steering Lock >> Circuit Diagram

Circuit Diagram

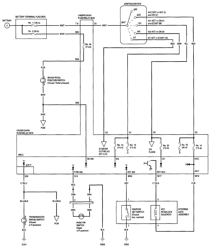
Fig 1: Ignition Switch Circuit Diagram
G06431485Courtesy of AMERICAN HONDA MOTOR CO., INC.