lemon-mirror:
Home >> Honda >> 2011 >> Insight Base >> Repair and Diagnosis >> Body & Frame >> Windows >> Power Windows >> Circuit Diagram

Circuit Diagram

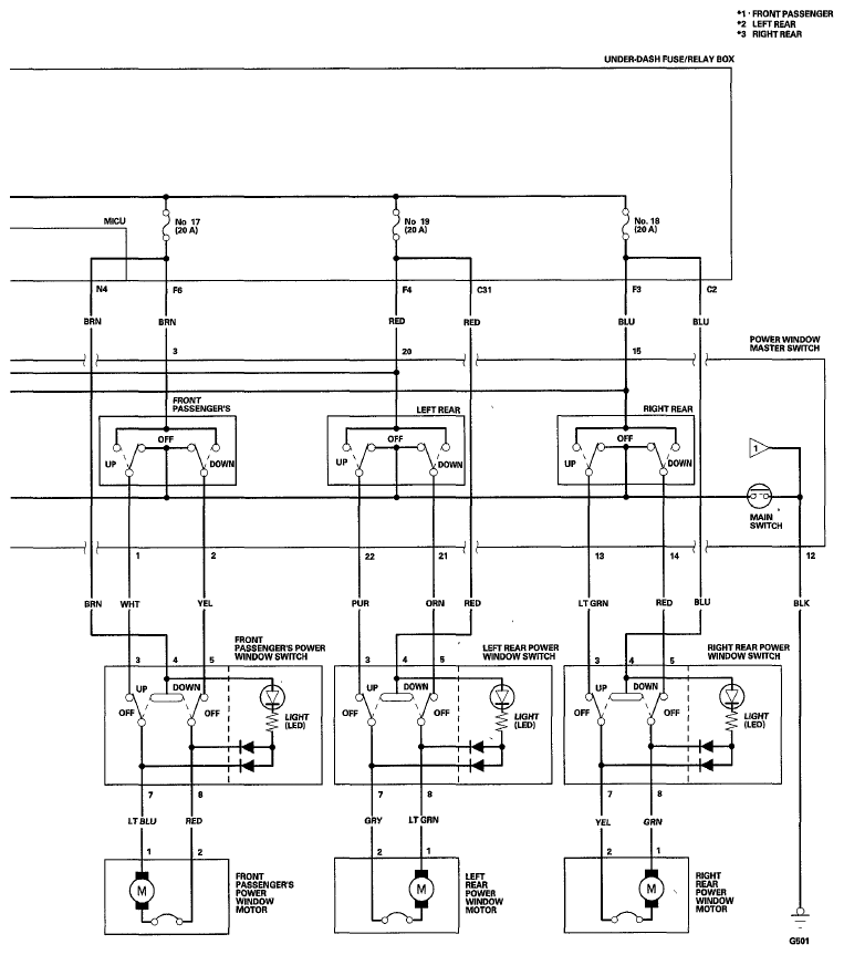
Fig 1: Power Window - Circuit Diagram (1 Of 2)
G06431623Courtesy of AMERICAN HONDA MOTOR CO., INC.
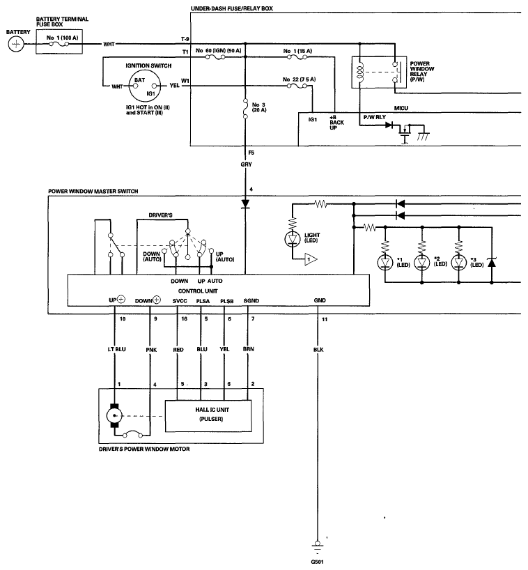
Fig 2: Power Window - Circuit Diagram (2 Of 2)
G06431624Courtesy of AMERICAN HONDA MOTOR CO., INC.