lemon-mirror:
Home >> Honda >> 2011 >> Insight Base >> Repair and Diagnosis >> Brakes >> Traction Control >> Abs Components >> ABS Modulator-Control Unit Removal and Installation >> Removal

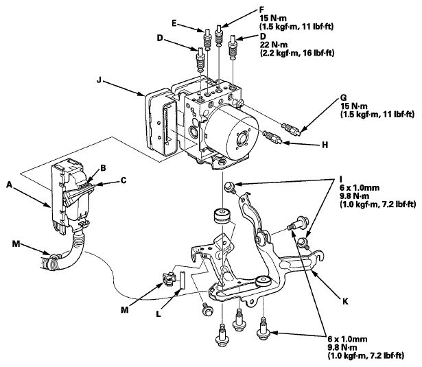
ABS Modulator-Control Unit Removal and Installation: Removal

  1. Turn the ignition switch to LOCK (0).
  2. Disconnect the ABS modulator-control unit 47P connector (A) by pushing the lock (B) and pulling down the lever (C); the connector disconnects itself.
    Fig 1: ABS Modulator-Control Unit Connector, And Flange Bolts With Torque Specifications
    G06430803Courtesy of AMERICAN HONDA MOTOR CO., INC.
  3. Disconnect the six brake lines from the ABS modulator-control unit.
    NOTE: Brake lines are connected to the master cylinder (D) and to the left-front (E), the right-front (F), the left-rear (G), and the right-rear (H) brake systems.
  4. Remove the 6 x 16mm flange bolt (I), then remove the ABS modulator-control unit (J) with the bracket (K) from the body.
  5. Remove the receiver line (L) from the bracket, then remove the clips (M).
  6. Remove the ABS modulator-control unit from the bracket.