lemon-mirror:
Home >> Honda >> 2011 >> Insight Base >> Repair and Diagnosis >> Brakes >> Traction Control >> Abs Components >> Circuit Diagram

Circuit Diagram

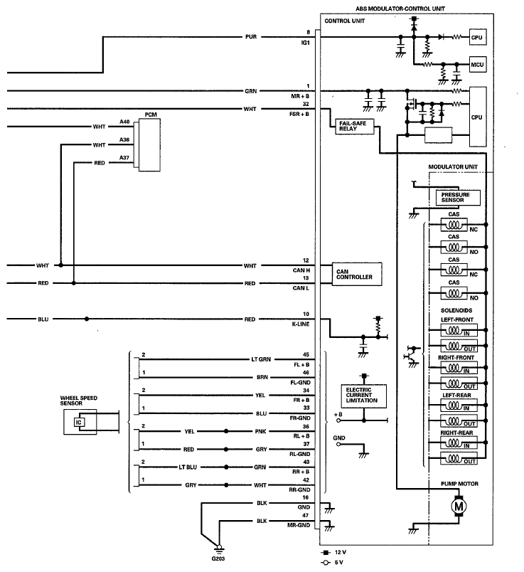
Fig 1: ABS Component Circuit Diagram (1 Of 2)
G06430785Courtesy of AMERICAN HONDA MOTOR CO., INC.
Fig 2: ABS Component Circuit Diagram (2 Of 2)
G06430786Courtesy of AMERICAN HONDA MOTOR CO., INC.
Fig 3: ABS Connector Chart
G06430787Courtesy of AMERICAN HONDA MOTOR CO., INC.