lemon-mirror:
Home >> Honda >> 2011 >> Insight Base >> Repair and Diagnosis >> Electrical >> Starter >> Starting System >> Circuit Diagram

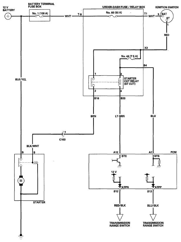
Circuit Diagram

Fig 1: Starting System Circuit Diagram
G06428727Courtesy of AMERICAN HONDA MOTOR CO., INC.