lemon-mirror:
Home >> Honda >> 2011 >> Insight Base >> Repair and Diagnosis >> Engine Mechanical >> Lubrication System >> Engine Lubrication System >> Component Location index

Component Location index

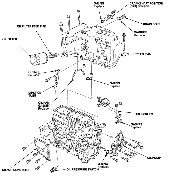
Fig 1: Identifying Engine Lubrication Component Location
G06429038Courtesy of AMERICAN HONDA MOTOR CO., INC.