lemon-mirror:
Home >> Honda >> 2011 >> Insight Base >> Repair and Diagnosis >> Engine Mechanical >> Mechanical >> Engine Assembly >> Transmission Mount Replacement

Transmission Mount Replacement

  1. Remove the 12 volt battery (see 12 VOLT BATTERY REMOVAL AND INSTALLATION ).
  2. Turn the battery module switch OFF (see DISCONNECTING THE MOTOR POWER CABLE CONNECTOR FROM THE MOTOR STATOR ).
  3. Remove the air cleaner (see AIR CLEANER REMOVAL/INSTALLATION ).
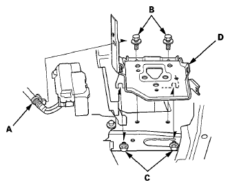
  4. Disconnect the battery cables (A) from the battery terminal fuse box.
    Fig 1: Identifying Battery Cables
    G06428823Courtesy of AMERICAN HONDA MOTOR CO., INC.
  5. Remove the harness clamps (B).
  6. Remove the harness clamp (A). Remove the two bolts (B) and loosen the two bolts (C), then remove the battery base (D).
    Fig 2: Identifying Harness Clamp And Battery Base
    G06428824Courtesy of AMERICAN HONDA MOTOR CO., INC.
  7. Remove the powertrain control module (PCM) (see PCM REPLACEMENT ).
  8. Disconnect the IMA power cable connector and the harness clamp (see step  41 ).
  9. Support the transmission with a jack and a wood block under the transmission.
  10. Remove the harness holder mounting bolt (A) and the ground cable (B), then remove the harness holder (C).
    Fig 3: Identifying Harness Holder Mounting Bolt And Harness Holder
    G06428825Courtesy of AMERICAN HONDA MOTOR CO., INC.
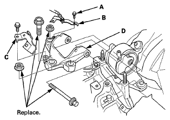
  11. Remove the transmission mount bracket (D).
  12. Remove the transmission mount.
    Fig 4: Transmission Mount And Nuts With Torque Specifications
    G06428826Courtesy of AMERICAN HONDA MOTOR CO., INC.
  13. Install the transmission mount, and loosely tighten the new transmission mount mounting bolts, then tighten the transmission mount mounting bolts in the numbered sequence shown.
  14. Install the transmission mount bracket (A), and loosely tighten the new transmission mount bracket mounting bolts and nuts (B).
    Fig 5: Transmission Mount Bracket And Nuts With Torque Specifications
    G06428827Courtesy of AMERICAN HONDA MOTOR CO., INC.
  15. Install the harness holder (C) and the ground cable (D).
  16. Remove the jack and wood block from under the transmission.
  17. Raise the vehicle on the lift to full height.
  18. Loosen the torque rod mounting bolt and nut (A).
    Fig 6: Identifying Torque Rod Mounting Bolt And Nut
    G06428828Courtesy of AMERICAN HONDA MOTOR CO., INC.
  19. Lower the vehicle on the lift.
  20. Tighten the transmission mount mounting bolts and nuts in the numbered sequence shown.
    Fig 7: Transmission Mount Mounting Bolts And Nuts With Torque Specifications
    G06428829Courtesy of AMERICAN HONDA MOTOR CO., INC.
  21. Raise the vehicle on the lift to full height.
  22. Tighten the torque rod mounting bolt and nut in the numbered sequence shown.
    Fig 8: Torque Rod Mounting Bolt And Nut With Torque Specifications
    G06428830Courtesy of AMERICAN HONDA MOTOR CO., INC.
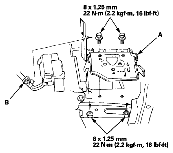
  23. Install the battery base (A), then install the harness clamp (B).
    Fig 9: Battery Base With Torque Specifications And Harness Clamp
    G06428831Courtesy of AMERICAN HONDA MOTOR CO., INC.
  24. Connect the battery cables (A) to the battery terminal fuse box.
    Fig 10: Identifying Battery Cables And Harness Clamps
    G06428832Courtesy of AMERICAN HONDA MOTOR CO., INC.
  25. Install the harness clamps (B).
  26. Install the PCM (see PCM REPLACEMENT ).
  27. Connect the IMA power cable connector and the harness clamp (see step 31 under Engine Installation  ).
  28. Turn the battery module switch ON (see DISCONNECTING THE MOTOR POWER CABLE CONNECTOR FROM THE MOTOR STATOR ).
  29. Install the 12 volt battery (see 12 VOLT BATTERY REMOVAL AND INSTALLATION ).
  30. Install the air cleaner (see AIR CLEANER REMOVAL/INSTALLATION ).