lemon-mirror:
Home >> Honda >> 2011 >> Pilot EX, 3.5 3 >> Repair and Diagnosis >> Engine Performance >> System >> Fuel And Emissions Systems >> System Description >> PCM Electrical Connections >> Notes

PCM Electrical Connections: Notes

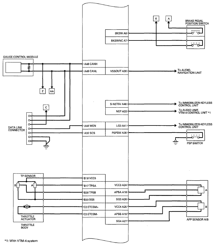
Fig 1: Identifying PCM Electrical Connections Circuit Diagram (1 Of 7)
G05961220Courtesy of AMERICAN HONDA MOTOR CO., INC.
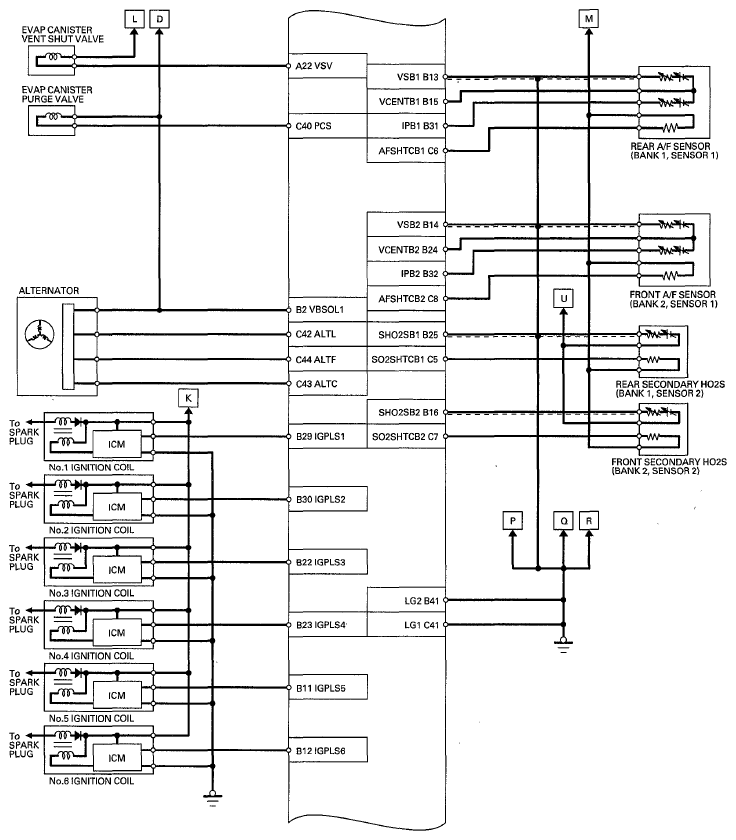
Fig 2: Identifying PCM Electrical Connections Circuit Diagram (2 Of 7)
G05961221Courtesy of AMERICAN HONDA MOTOR CO., INC.
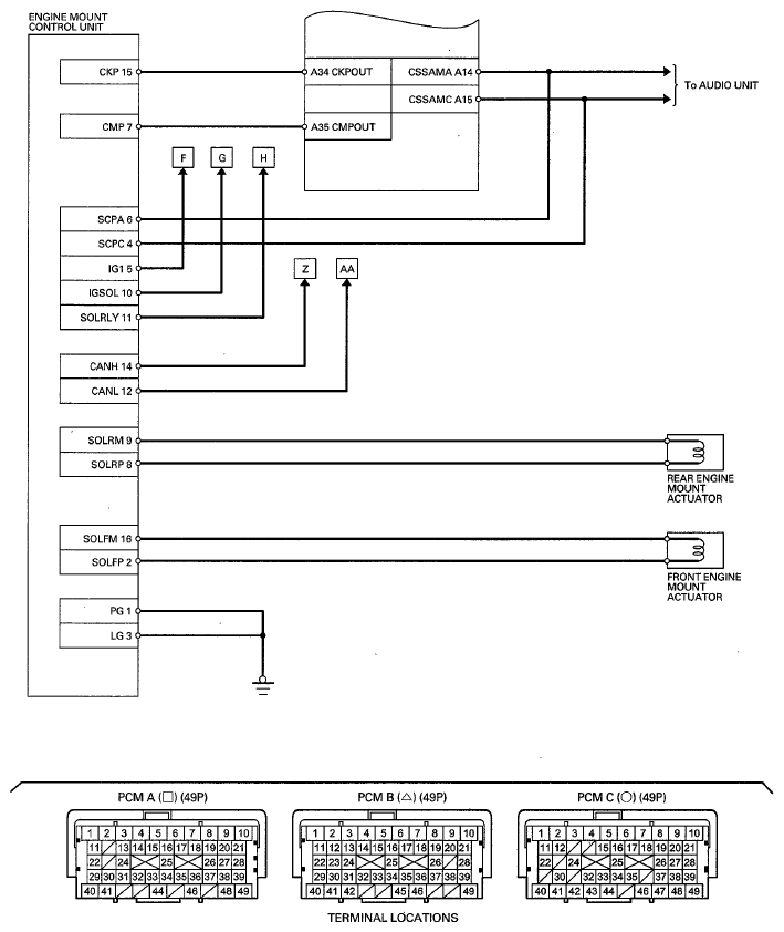
Fig 3: Identifying PCM Electrical Connections Circuit Diagram (3 Of 7)
G05961222Courtesy of AMERICAN HONDA MOTOR CO., INC.
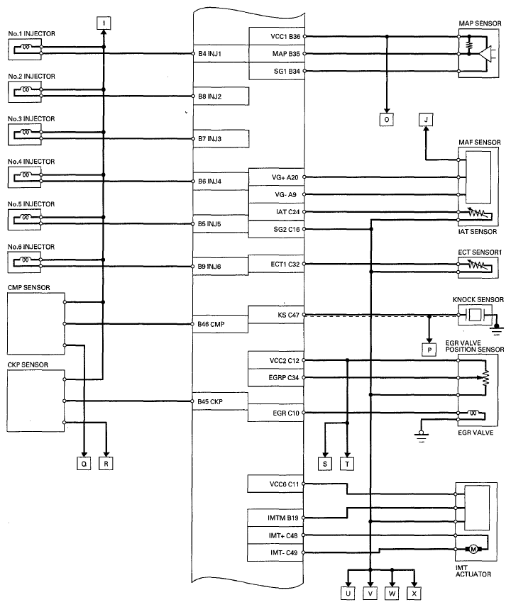
Fig 4: Identifying PCM Electrical Connections Circuit Diagram (4 Of 7)
G05961223Courtesy of AMERICAN HONDA MOTOR CO., INC.
Fig 5: Identifying PCM Electrical Connections Circuit Diagram (5 Of 7)
G05961224Courtesy of AMERICAN HONDA MOTOR CO., INC.
Fig 6: Identifying PCM Electrical Connections Circuit Diagram (6 Of 7)
G05961225Courtesy of AMERICAN HONDA MOTOR CO., INC.
Fig 7: Identifying PCM Electrical Connections Circuit Diagram (7 Of 7)
G05961226Courtesy of AMERICAN HONDA MOTOR CO., INC.