lemon-mirror:
Home >> Honda >> 2012 >> Fit Base, Automatic Trans >> Repair and Diagnosis >> Brakes >> Traction Control >> VSA System Components >> Circuit Diagram

Circuit Diagram

Fig 1: VSA System Circuit Diagram (1 Of 2)
G08082980Courtesy of AMERICAN HONDA MOTOR CO., INC.
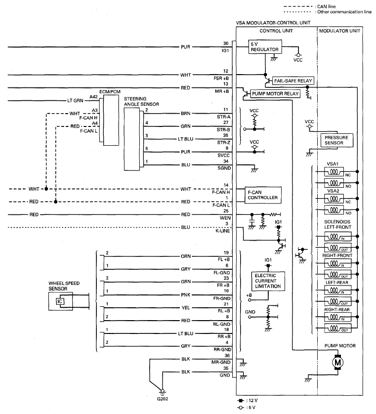
Fig 2: VSA System Circuit Diagram (2 Of 2)
G08082981Courtesy of AMERICAN HONDA MOTOR CO., INC.
Fig 3: Identifying VSA System Connector Terminals
G08082982Courtesy of AMERICAN HONDA MOTOR CO., INC.