lemon-mirror:
Home >> Honda >> 2012 >> Fit Base, Automatic Trans >> Repair and Diagnosis >> Electrical >> Charging Systems >> Charging System >> Circuit Diagram

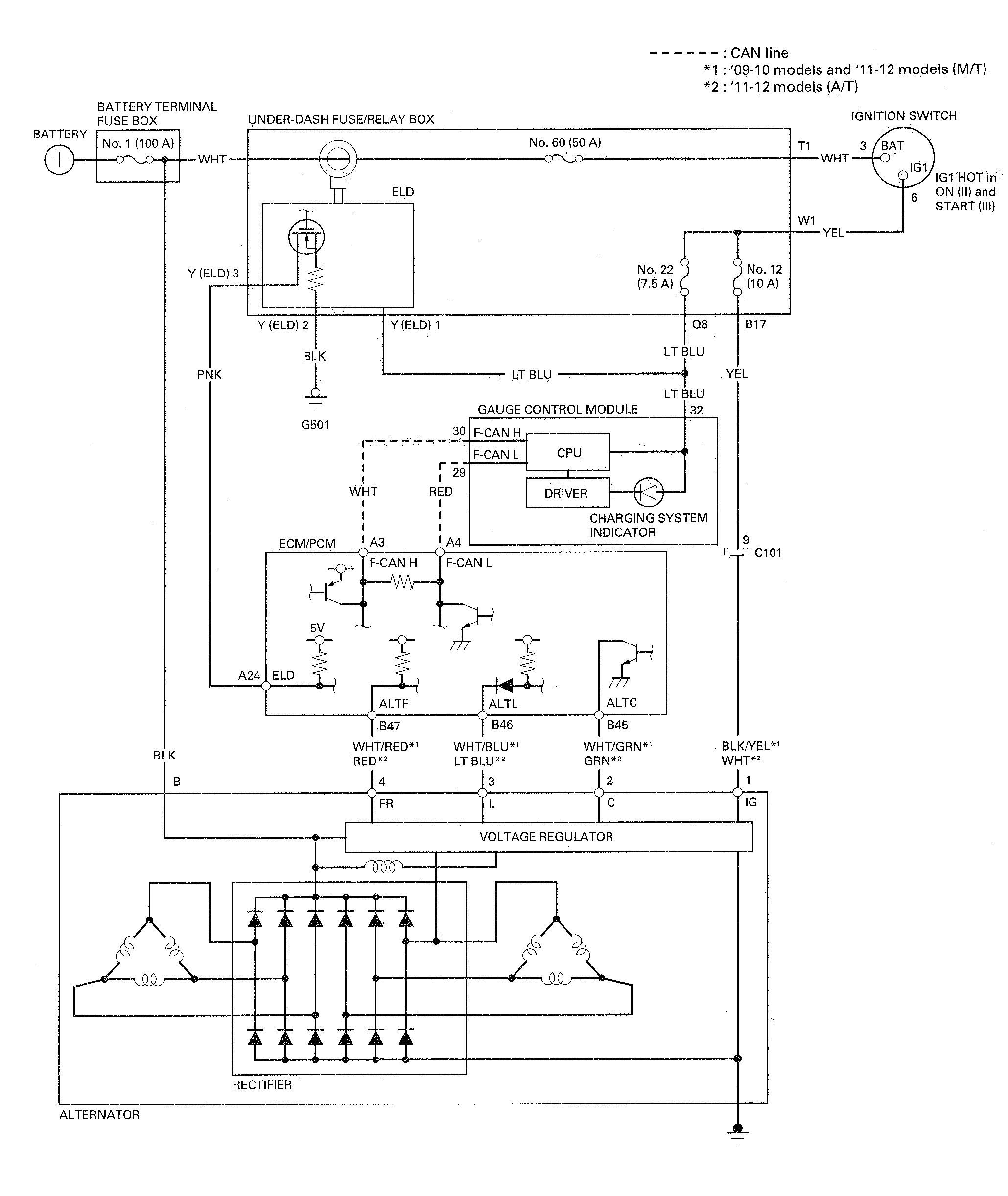
Circuit Diagram

Fig 1: Identifying Charging System Circuit Diagram
G05952301Courtesy of AMERICAN HONDA MOTOR CO., INC.