lemon-mirror:
Home >> Honda >> 2012 >> Fit Base, Automatic Trans >> Repair and Diagnosis >> Engine Mechanical >> Mechanical >> Engine Assembly >> Torque Rod Bracket Replacement

Torque Rod Bracket Replacement

  1. Raise the vehicle on the lift.
  2. A/T model: Remove the shift cable cover.
    Fig 1: Identifying Shift Cable Cover
    G05952442Courtesy of AMERICAN HONDA MOTOR CO., INC.
  3. Support the transmission with a transmission jack and a wood block under the transmission and raise it just enough to free the torque rod, then remove the torque rod.

    M/T model 

    Fig 2: Identifying Torque Rod (M/T Model)
    G00504592Courtesy of AMERICAN HONDA MOTOR CO., INC.

    A/T model 

    Fig 3: Identifying Torque Rod (A/T Model)
    G00504593Courtesy of AMERICAN HONDA MOTOR CO., INC.
  4. Remove the torque rod bracket.

    M/T model 

    Fig 4: Torque Rod Bracket (M/T Model) With Torque Specifications
    G05952445Courtesy of AMERICAN HONDA MOTOR CO., INC.

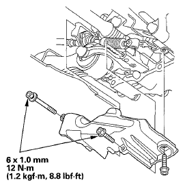
    A/T model 

    Fig 5: Torque Rod Bracket (A/T Model) With Torque Specifications
    G05952446Courtesy of AMERICAN HONDA MOTOR CO., INC.
  5. Install the torque rod bracket.
  6. Install the torque rod (A). Install the new bolt with the tab (B) on the bolt head aligned with the guide (C) on the front subframe, then tighten the new torque rod mounting bolt and nut in the numbered sequence shown below.
    NOTE: Be sure to install the torque rod with the "UP" mark facing up.

    M/T model 

    Fig 6: Identifying Torque Rod, Guide, Mounting Bolt & Nut (M/T Model)
    G05952383Courtesy of AMERICAN HONDA MOTOR CO., INC.

    A/T model 

    Fig 7: Identifying Torque Rod, Guide, Mounting Bolt & Nut (A/T Model)
    G05952384Courtesy of AMERICAN HONDA MOTOR CO., INC.
  7. Install the bolt (B) with the tab (C) on the bolt head aligned with the guide (D) on the front subframe, then loosely install a new torque rod mounting bolt (E) and nut (F).
  8. Remove the transmission jack and the wood block from under the transmission.
  9. Tighten the torque rod mounting bolt and nut in the numbered sequence shown below.

    M/T model 

    Fig 8: Torque Rod Mounting Bolt & Nut (M/T Model) With Torque Specifications
    G05952410Courtesy of AMERICAN HONDA MOTOR CO., INC.

    A/T model 

    Fig 9: Torque Rod Mounting Bolt & Nut (A/T Model) With Torque Specifications
    G05952411Courtesy of AMERICAN HONDA MOTOR CO., INC.
  10. A/T model: Install the shift cable cover.
    Fig 10: Shift Cable Cover Bolt With Torque Specifications
    G05952449Courtesy of AMERICAN HONDA MOTOR CO., INC.