lemon-mirror:
Home >> Honda >> 2012 >> Fit Base, Automatic Trans >> Repair and Diagnosis >> Engine Mechanical >> Mechanical >> Engine Assembly >> Transmission Mount Replacement

Transmission Mount Replacement

  1. Do the battery remove procedure (see BATTERY REMOVAL AND INSTALLATION ).
  2. Remove the air cleaner housing assembly (see AIR CLEANER REMOVAL/INSTALLATION ).
  3. M/T model: Remove the battery cables (A) from the battery terminal fuse box.
    Fig 1: Identifying Battery Cables & Battery Terminal Fuse Box
    G05952412Courtesy of AMERICAN HONDA MOTOR CO., INC.
  4. M/T model: Remove the harness clamps (B).
  5. M/T model: Remove the harness clamp (A).

    Remove the two bolts (B) and loosen the two bolts (C), then remove the battery base (D).

    Fig 2: Identifying Battery Base, Harness Clamp & Bolts
    G05952413Courtesy of AMERICAN HONDA MOTOR CO., INC.
  6. Support the transmission with a jack and wood block under the transmission.
  7. Remove the ground cable (A), then remove the transmission mount bracket (B).

    M/T model 

    Fig 3: Identifying Transmission Mount Bracket & Ground Cable (M/T Model)
    G05952414Courtesy of AMERICAN HONDA MOTOR CO., INC.

    A/T model 

    Fig 4: Identifying Transmission Mount Bracket & Ground Cable (A/T Model)
    G05952415Courtesy of AMERICAN HONDA MOTOR CO., INC.
  8. Remove the transmission mount.

    M/T model 

    Fig 5: Transmission Mount (M/T Model) With Torque Specifications
    G05952416Courtesy of AMERICAN HONDA MOTOR CO., INC.

    A/T model 

    Fig 6: Transmission Mount (A/T Model) With Torque Specifications
    G05952417Courtesy of AMERICAN HONDA MOTOR CO., INC.
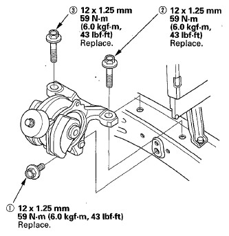
  9. Install the transmission mount and loosely install new transmission mount mounting bolts, then tighten the transmission mount mounting bolts in the numbered sequence shown below.
  10. Install the transmission mount bracket (A), and loosely tighten the new transmission mount bracket mounting bolts and nuts (B).

    M/T model 

    Fig 7: Transmission Mount Bracket Mounting Bolts & Nuts (M/T Model) With Torque Specifications
    G05952418Courtesy of AMERICAN HONDA MOTOR CO., INC.

    A/T model 

    Fig 8: Transmission Mount Bracket Mounting Bolts & Nuts (A/T Model) With Torque Specifications
    G05952419Courtesy of AMERICAN HONDA MOTOR CO., INC.
  11. Install the ground cable (C).
  12. Remove the jack and the wood block from under the transmission.
  13. Raise the vehicle on the lift.
  14. Loosen the torque rod mounting bolt and nut (A).

    M/T model 

    Fig 9: Identifying Torque Rod Mounting Bolt & Nut (M/T Model)
    G05952420Courtesy of AMERICAN HONDA MOTOR CO., INC.

    A/T model 

    Fig 10: Identifying Torque Rod Mounting Bolt & Nut (A/T Model)
    G05952421Courtesy of AMERICAN HONDA MOTOR CO., INC.
  15. Lower the vehicle on the lift.
  16. Tighten the transmission mount mounting bolts and nuts in the numbered sequence shown below.

    M/T model 

    Fig 11: Transmission Mount Mounting Bolts & Nuts (M/T Model) With Torque Specifications
    G05952422Courtesy of AMERICAN HONDA MOTOR CO., INC.

    A/T model 

    Fig 12: Transmission Mount Mounting Bolts & Nuts (A/T Model) With Torque Specifications
    G05952423Courtesy of AMERICAN HONDA MOTOR CO., INC.
  17. Raise the vehicle on the lift.
  18. Tighten the torque rod mounting bolt and nut in the numbered sequence shown below.

    M/T model 

    Fig 13: Torque Rod Mounting Bolt & Nut (M/T Model) With Torque Specifications
    G05952424Courtesy of AMERICAN HONDA MOTOR CO., INC.

    A/T model 

    Fig 14: Torque Rod Mounting Bolt & Nut (A/T Model) With Torque Specifications
    G05952425Courtesy of AMERICAN HONDA MOTOR CO., INC.
  19. Lower the vehicle on the lift.
  20. M/T model: Install the battery base (A), then install the harness clamp (B).
    Fig 15: Battery Base & Harness Clamp With Torque Specifications
    G05952426Courtesy of AMERICAN HONDA MOTOR CO., INC.
  21. M/T model: Install the battery cables (A) to the battery terminal fuse box.
    Fig 16: Installing Battery Cables To Battery Terminal Fuse Box With Torque Specifications
    G05952427Courtesy of AMERICAN HONDA MOTOR CO., INC.
  22. M/T model: Install the harness clamps (B).
  23. Do the battery installation procedure (see BATTERY REMOVAL AND INSTALLATION ).
  24. Install the air cleaner housing assembly (see AIR CLEANER REMOVAL/INSTALLATION ).