lemon-mirror:
Home >> Honda >> 2012 >> Fit Base, Automatic Trans >> Repair and Diagnosis >> Engine Performance >> System >> Fuel Supply System >> Fuel Pressure Regulator Replacement

Fuel Pressure Regulator Replacement

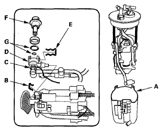
  1. Remove the fuel tank unit (see FUEL TANK UNIT REMOVAL AND INSTALLATION  ).
  2. Remove the reservoir (A).
    Fig 1: Identifying Reservoir, Clip, Bracket, Ground Wire & Fuel Pressure Regulator
    G05953173Courtesy of AMERICAN HONDA MOTOR CO., INC.
  3. Remove the clip (B), and the ground wire (C), then remove the bracket (D).
  4. Remove the clip (E), then remove the fuel pressure regulator (F).
  5. Install the parts in the reverse order of removal with new O-rings (G) and a new bracket. When installing the fuel tank unit, align the marks on the unit and the fuel tank (see FUEL TANK UNIT REMOVAL AND INSTALLATION  ).
    NOTE:
    • Coat the O-rings with clean engine oil; do not use any other oils or fluids.
    • Do not pinch the O-rings during installation.
    • Use all the new parts supplied in the pressure regulator replacement kit.