lemon-mirror:
Home >> Honda >> 2012 >> Insight Base >> Repair and Diagnosis >> Body & Frame >> Ignition Switch/Steering Lock >> Circuit Diagram

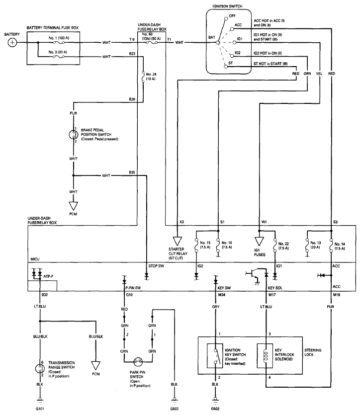
Circuit Diagram

Fig 1: Ignition Switch - Circuit Diagram
G08094523Courtesy of AMERICAN HONDA MOTOR CO., INC.