lemon-mirror:
Home >> Honda >> 2012 >> Insight Base >> Repair and Diagnosis >> Electrical >> Gauges >> Reminder Systems >> Circuit Diagram

Circuit Diagram

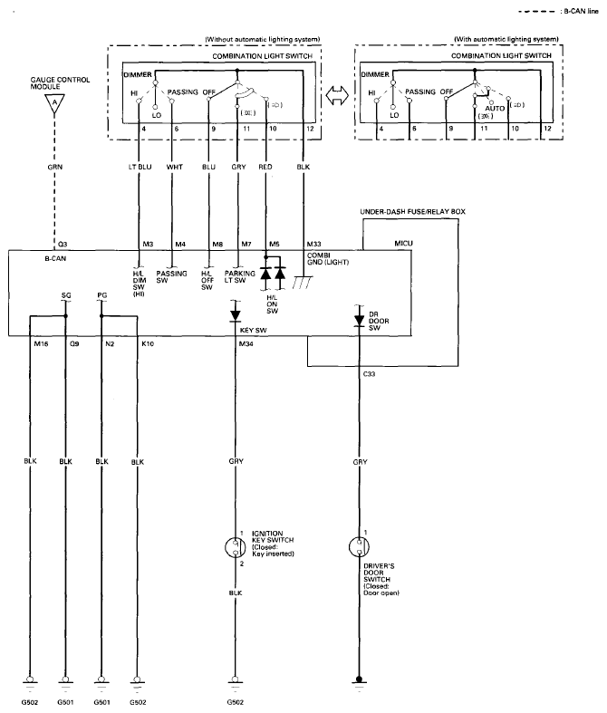
Fig 1: Reminder Systems Circuit Diagram (1 Of 2)
G08094829Courtesy of AMERICAN HONDA MOTOR CO., INC.
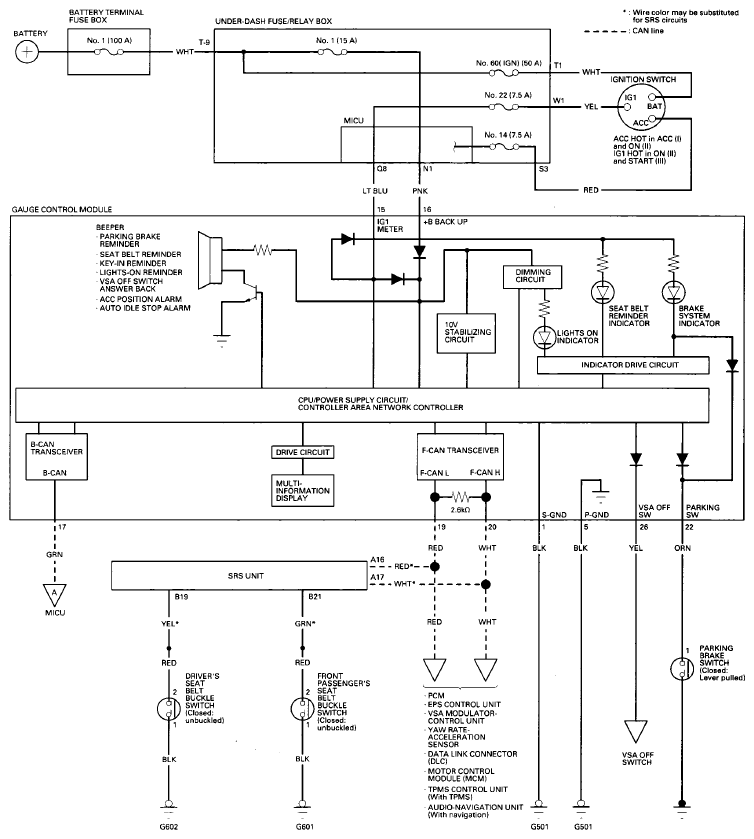
Fig 2: Reminder Systems Circuit Diagram (2 Of 2)
G08094830Courtesy of AMERICAN HONDA MOTOR CO., INC.